AST RESEARCH, INC.
SIXPACK PREMIUM
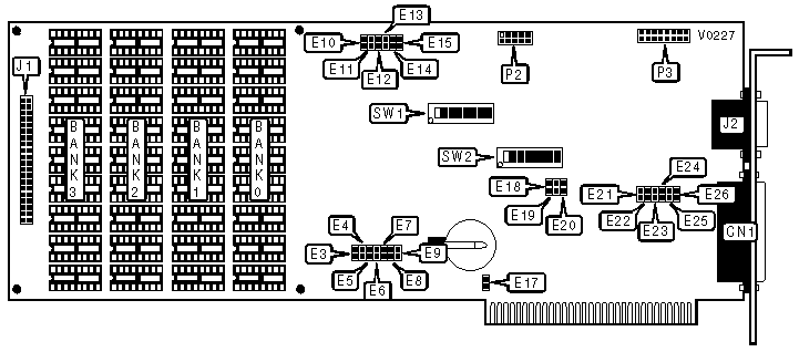
|
Card Type |
Memory/Multi I/O |
|
Chipset/Controller |
Western Digital |
|
I/O Options |
Game port, parallel port, serial ports (2) |
|
Maximum DRAM |
1024KB |
|
CONNECTIONS | |||
|
Purpose |
Location |
Purpose |
Location |
|
Parallel port |
CN1 |
Serial port 2 |
P2 |
|
Premium Pak connector |
J1 |
Game port |
P3 |
|
Serial port 1 |
J2 |
|
|
|
FACTORY CONFIGURED SETTINGS | |
|
Switch |
Setting |
|
SW1/switch 5 |
N/A |
|
SW1/switch 6 |
N/A |
|
SW2/switch 5 |
N/A |
|
SW2/switch 6 |
N/A |
|
SERIAL PORT CONFIGURATION | |||||
|
Port 1 (J2) |
Port 2 (P2) |
E3 |
E4 |
E5 | |
| » |
COM1 |
COM2 |
Closed |
Open |
Closed |
|
COM2 |
Disabled |
Open |
Closed |
Open | |
|
Disabled |
COM2 |
Open |
Open |
Closed | |
|
Disabled |
Disabled |
Open |
Open |
Open | |
|
SERIAL PORT INTERRUPT SELECTION | |||||
|
Port 1 (J2) |
Port 2 (P2) |
E18 |
E19 |
E20 | |
| » |
IRQ4 |
IRQ3 |
Closed |
Open |
Closed |
|
IRQ3 |
N/A |
Open |
Closed |
Open | |
|
SERIAL PORT NORMAL/FORCED TRUE CONFIGURATION | |||||||
|
Port 1 |
E21 |
E22 |
E23 |
E24 |
E25 |
E26 | |
| » |
Normal |
Open |
Closed |
Open |
Closed |
Open |
Closed |
|
Forced True |
Closed |
Open |
Closed |
Open |
Closed |
Open | |
|
SERIAL PORT NORMAL/FORCED TRUE CONFIGURATION | |||||||
|
Port 2 |
E10 |
E11 |
E12 |
E13 |
E14 |
E15 | |
| » |
Normal |
Open |
Closed |
Open |
Closed |
Open |
Closed |
|
Forced True |
Closed |
Open |
Closed |
Open |
Closed |
Open | |
|
PARALLEL PORT SETTINGS | |||
|
LPT |
E6 |
E7 | |
| » |
1 |
Closed |
Open |
|
2 |
Open |
Closed | |
|
Disabled |
Open |
Open | |
|
PARALLEL PORT INTERRUPTS | ||
|
IRQ7 |
E17 | |
| » |
Enabled |
Closed |
|
Disabled |
Open | |
|
GAME PORT CONFIGURATION | ||
|
Game Port |
E8 | |
| » |
Enabled |
Closed |
|
Disabled |
Open | |
|
CLOCK/CALENDAR CONFIGURATION | ||
|
Clock/Calendar |
E9 | |
| » |
Enabled |
On |
|
Disabled |
Off | |
|
DUAL PAGE MODE SELECTION | ||
|
Dual Page Mode |
SW1/switch 7 | |
| » |
Enabled |
On |
|
Disabled |
Off | |
|
BASE I/O ADDRESS SETTINGS | |||||
|
Address |
SW2/1 |
SW2/2 |
SW2/3 |
SW2/4 | |
| » |
0218h |
On |
On |
On |
Off |
|
0208h |
On |
On |
On |
On | |
|
0258h |
On |
Off |
On |
Off | |
|
0268h |
On |
Off |
Off |
On | |
|
02A8h |
Off |
On |
Off |
On | |
|
02B8h |
Off |
On |
Off |
Off | |
|
02E8h |
Off |
Off |
Off |
On | |
|
STARTING MEMORY ADDRESS SETTING | |||||
|
Starting Memory (Mainboard) |
SW1/1 |
SW1/2 |
SW1/3 |
SW1/4 | |
| » |
640KB |
Off |
On |
Off |
On |
|
576KB |
On |
Off |
Off |
On | |
|
512KB |
Off |
Off |
Off |
On | |
|
448KB |
On |
On |
On |
Off | |
|
384KB |
Off |
On |
On |
Off | |
|
320KB |
On |
Off |
On |
Off | |
|
256KB |
Off |
Off |
On |
Off | |
|
192KB |
On |
On |
Off |
Off | |
|
128KB |
Off |
On |
Off |
Off | |
|
64KB |
On |
Off |
Off |
Off | |
|
0KB |
Off |
Off |
Off |
Off | |
|
Note:Setting the starting address to 256KB allocates all SixPak Premium memory as expanded memory. | |||||
|
SIXPAK PREMIUM MEMORY SIZE SELECTION | |||
|
Size |
SW2/switch 7 |
SW2/switch 8 | |
| » |
Up to 512KB |
On |
Off |
|
Up to 640KB |
Off |
Off | |
|
Up to 256KB |
Off |
On | |
|
0KB |
On |
On | |
|
DRAM CONFIGURATION | ||||
|
Size |
Bank 0 |
Bank 1 |
Bank 2 |
Bank 3 |
|
256KB |
(9) 41256 |
None |
None |
None |
|
512KB |
(9) 41256 |
(9) 41256 |
None |
None |
|
768KB |
(9) 41256 |
(9) 41256 |
(9) 41256 |
None |
|
1MB |
(9) 41256 |
(9) 41256 |
(9) 41256 |
(9) 41256 |
|
PARITY CONFIGURATION | ||
|
Parity |
SW1/switch 8 | |
| » |
Enabled |
On |
|
Disabled |
Off | |
|
CONNECTIONS | |
|
Purpose |
Location |
|
Premium Pak connector |
J1 |
|
PREMIUM PAK MEMORY CONFIGURATION | ||||
|
Size |
Bank 4 |
Bank 5 |
Bank 6 |
Bank 7 |
|
1.25MB |
(9) 41256 |
None |
None |
None |
|
1.5MB |
(9) 41256 |
(9) 41256 |
None |
None |
|
1.75MB |
(9) 41256 |
(9) 41256 |
(9) 41256 |
None |
|
2MB |
(9) 41256 |
(9) 41256 |
(9) 41256 |
(9) 41256 |