AMERICAN DATA AQUISITION CORPORATION
5500HR
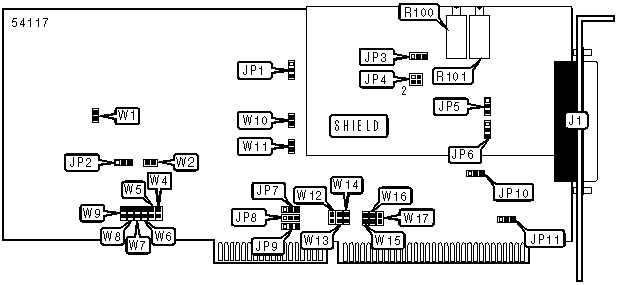
|
Card Type |
Data Aquisition |
|
Chip Set |
Unidentified |
|
Maximum Onboard Memory |
Unidentified |
|
I/O Options |
Analog input, digital input |
|
Hard Drives supported |
None |
|
Floppy drives supported |
None |
|
Data Bus |
16-bit ISA |
|
Card Size |
Three-quarter length |

|
CONNECTIONS |
|||
|
Function |
Label |
Function |
Label |
|
37-pin analog/digital signals connector |
J1 |
A/D offset selector |
R101 |
|
A/D converter range selector |
R100 |
|
|
|
DMA CHANNEL SELECTION |
|||||||
|
Channel |
W12 |
W13 |
W14 |
W15 |
W16 |
W17 |
|
|
» |
Disabled |
Open |
Open |
Open |
Open |
Open |
Open |
|
|
1 |
Open |
Open |
Closed |
Open |
Open |
Closed |
|
|
2 |
Open |
Closed |
Open |
Open |
Closed |
Open |
|
|
3 |
Closed |
Open |
Open |
Closed |
Open |
Open |
|
ANALOG INPUT CONFIGURATION |
|||||
|
Setting |
W1 |
W3 |
JP5 |
JP6 |
|
|
» |
Pseudo differential (PD) |
Open |
Open |
Pins 2 & 3 |
Pins 2 & 3 |
|
|
Single ended (SE) |
Open |
Closed |
Pins 1 & 2 |
Pins 2 & 3 |
|
|
Fully differential (DI) |
Closed |
Closed |
Open |
Pins 1 & 2 |
|
Note: Pins designated are in the closed position. |
|||||
|
A/D TRIGGER SOURCE SELECTION |
|||
|
Mode |
JP2 |
W2 |
|
|
» |
H/W trigger source = Counter 0 |
Pins 2 & 3 closed |
Open |
|
|
External trigger |
Pins 1 & 2 closed |
Open |
|
|
Scan mode triggering |
Pins 2 & 3 closed |
Closed |
|
Note: Scan mode triggering initiates triggers from counter 0 on receipt of external trigger. |
|||
|
COUNTER SOURCE SETTINGS |
||||
|
Counter |
Setting |
Label |
Position |
|
|
» |
Counter 1 clock source |
External (clock 1) |
JP10 |
Pins 2 & 3 closed |
|
|
Counter 1 clock source |
1.00 MHz oscillator |
JP10 |
Pins 1 & 2 closed |
|
» |
Counter 2 clock source |
External (clock 2) |
JP11 |
Pins 2 & 3 closed |
|
|
Counter 2 clock source |
1.00 MHz oscillator |
JP11 |
Pins 1 & 2 closed |
|
DIGITAL I/O PORT CONFIGURATION |
|||
|
Function |
Label |
Position |
|
|
» |
Port 1 (DIO4-DIO7) output |
W10 |
Open |
|
|
Port 1 (DIO4-DIO7) input |
W10 |
Closed |
|
» |
Port 0 (DIO0-DIO3) input |
W11 |
Closed |
|
|
Port 0 (DIO0-DIO3) output |
W11 |
Open |
|
A/D RANGE SELECTION |
|||||
|
Polarity |
Voltage |
JP1 |
JP3 |
JP4 |
|
|
» |
Bipolar |
+ 10V |
Pins 2 & 3 |
Pins 1 & 2 |
Pins 2 & 4 |
|
|
Unipolar |
+0-10V |
Pins 1 & 2 |
Pins 2 & 3 |
Pins 3 & 4 |
|
|
Bipolar |
+ 5V |
Pins 2 & 3 |
Pins 1 & 2 |
Pins 3 & 4 |
|
|
Unipolar |
0-5V |
Pins 1 & 2 |
Pins 2 & 3 |
Pins 1 & 2, 3 & 4 |
|
|
Bipolar |
+ 2.5V |
Pins 2 & 3 |
Pins 1 & 3 |
Pins 1 & 2, 3 & 4 |
|
Note: Pins designated are in the closed position. |
|||||
|
BASE I/O ADDRESS SELECTION |
|||||||
|
Setting |
W9 |
W8 |
W7 |
W6 |
W5 |
W4 |
|
|
|
000h |
Open |
Open |
Open |
Open |
Open |
Open |
|
|
010h |
Open |
Open |
Open |
Open |
Open |
Closed |
|
|
020h |
Open |
Open |
Open |
Open |
Closed |
Open |
|
|
030h |
Open |
Open |
Open |
Open |
Closed |
Closed |
|
|
040h |
Open |
Open |
Open |
Closed |
Open |
Open |
|
» |
110h |
Open |
Closed |
Open |
Open |
Open |
Closed |
|
|
3B0h |
Closed |
Closed |
Closed |
Open |
Closed |
Closed |
|
|
3C0h |
Closed |
Closed |
Closed |
Closed |
Open |
Open |
|
|
3D0h |
Closed |
Closed |
Closed |
Closed |
Open |
Closed |
|
|
3E0h |
Closed |
Closed |
Closed |
Closed |
Closed |
Open |
|
|
3F0h |
Closed |
Closed |
Closed |
Closed |
Closed |
Closed |
|
Note: A total of 256 base address settings are available. The jumpers are a binary representation of the decimal memory addresses. W9 is the Most Significant Bit and switch W4 is the Least Significant Bit. The switches have the following decimal values: W9=512, W8=256, W7=128, W6=64, W5=32, W4=16. Turn off the switches and add the values of the switches to obtain the correct memory address. (Close=1, Open=0) |
|||||||
|
IRQ INTERRUPT SELECTION |
||||
|
IRQ |
JP7 |
JP8 |
JP9 |
|
|
|
IRQ2 |
Open |
Open |
Pins 1 & 2 closed |
|
|
IRQ3 |
Open |
Pins 1 & 2 closed |
Open |
|
|
IRQ4 |
Pins 1 & 2 closed |
Open |
Open |
|
|
IRQ5 |
Open |
Open |
Pins 2 & 3 closed |
|
|
IRQ6 |
Open |
Pins 2 & 3 closed |
Open |
|
|
IRQ7 |
Pins 2 & 3 closed |
Open |
Open |
|
» |
Disabled |
Open |
Open |
Open |