DATA TECHNOLOGY CORPORATION

DTC5110

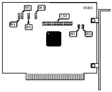
Card Type

Floppy drive controller

Chipset/Controller

DTC403

I/O Options

Floppy drive interface

Maximum DRAM

N/A

CONNECTIONS

Purpose

Location

Floppy drive interface

CN1

I/O ADDRESS CONFIGURATION

Port

Address

W1

»

Primary

3F2h - 3F7h

Pins 1 & 2 closed

 

Secondary

372h - 377h

Pins 2 & 3 closed

FLOPPY DRIVE DATA RATE

Data Rate (KB/s)

Precompensation

W2

»

500

125

Closed

 

300

208

Open

 

250

250

Open

Note: Leaving W2 open enables data-rate-dependent write precompensation.

FLOPPY DRIVE SPEED SELECT

Speed setting

W3

Single

Open

Dual

Closed

FLOPPY DRIVE POLARITY CONFIGURATION

Mode

W4, W5, and W6

»

Standard logic

Pins 1 & 2 for high density media, 2 & 3 for low

 

Reverse logic (for PS-2-type systems)

Pins 2 & 3 for high density media, 1 & 2 for low

Note: These jumpers are not needed for ANSI-type drives.