CARRY COMPUTER ENGINEERING CO., LTD.
PCD-XX-202
|
Card Type |
PCMCIA slot controller |
|
Chip Set |
Unidentified |
|
Maximum Onboard Memory |
N/A |
|
I/O Options |
PCMCIA slot (3) |
|
Data Bus |
16-bit ISA |
|
Floppy drives supported |
None |

|
CONNECTIONS |
||||||
|
Function |
Label |
Function |
Label |
|||
|
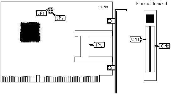
PCMCIA slot 0 |
CN1 |
PCMCIA slot |
JP3 |
|||
|
PCMCIA slot 1 |
CN2 |
|||||
|
MULTI-CARD CONFIGURATION |
|||
|
Setting |
Slot # |
JP1 |
JP2 |
|
í Card is first in system |
0, 1 |
Pins 2 & 3 closed |
Pins 2 & 3 closed |
|
Card is second in system |
2, 3 |
Pins 2 & 3 closed |
Pins 1 & 2 closed |
|
Card is third in system |
4, 5 |
Pins 1 & 2 closed |
Pins 2 & 3 closed |
|
Card is fourth in system |
6, 7 |
Pins 1 & 2 closed |
Pins 1 & 2 closed |