DIGI INTERNATIONAL, INC.
MC/4I+, MC/8I+ (RS-422/485 VERSION)
|
Card Type |
Serial |
|
Processor |
80C186 |
|
Processor Speed |
Unidentified |
|
Chipset |
Unidentified |
|
Maximum Onboard Memory |
256KB dual-ported RAM |
|
I/O Options |
Serial ports (5 for MC/4i+, 9 for MC/8i+) |
|
Data Bus |
MCA |
|
Card Size |
Full height, full length |
|
CONNECTIONS | |||
|
Function |
Label |
Function |
Label |
|
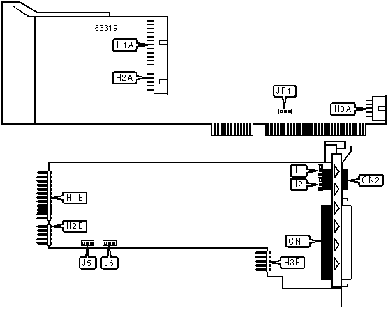
RS-422 or RS-485 asynchronous serial ports via DB-78 connector |
CN1 |
Header to H2B |
H2A |
|
RS-422 or RS-485 synchronous serial port via RJ-45 connector |
CN2 |
Header to H2A |
H2B |
|
Header to H1B |
H1A |
Header to H3B |
H3A |
|
Header to H1A |
H1B |
Header to H3A |
H3B |
|
Note:Standard serial ports are provided on an included adapter cable. | |||
|
USER CONFIGURABLE SETTINGS | |||
|
Setting |
Label |
Position | |
| » |
Shared memory window is 32KB |
JP1 |
Pins 2 & 3 closed |
|
Shared memory window is 128KB |
JP1 |
Pins 1 & 2 closed | |
|
EPROM SIZE SELECTION | ||
|
Setting |
J5 |
J6 |
|
16KB |
Pins 1 & 2 closed |
Pins 1 & 2 closed |
|
32KB |
Pins 1 & 2 closed |
Pins 1 & 2 closed |
|
64KB |
Pins 1 & 2 closed |
Pins 2 & 3 closed |
|
128KB |
Pins 2 & 3 closed |
Pins 2 & 3 closed |
|
SYNCHRONOUS PORT PINS 1 & 2 CONFIGURATION | ||
|
Pin 1 |
Pin 2 |
J1 |
|
CTS positive |
CTS negative |
Pins 1 & 2 closed |
|
Receive/transmit clock positive |
Receive/transmit clock negative |
Pins 2 & 3 closed |
|
SYNCHRONOUS PORT PINS 9 & 10 CONFIGURATION | ||
|
Pin 9 |
Pin 10 |
J2 |
|
RTS positive |
RTS negative |
Pins 1 & 2 closed |
|
Transmit/receive clock positive |
Transmit/receive clock negative |
Pins 2 & 3 closed |