RANCHO TECHNOLOGY, INC.

RT9000I

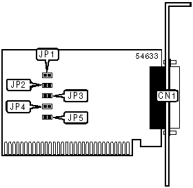
Card Type

Parallel card

Data Bus

8-bit ISA

Card Size

Half-length, half-height card

CONNECTIONS

Function

Label

Parallel port

CN1

USER CONFIGURABLE SETTINGS

Function

Label

Position

Selects AT mode

JP5

Closed

Selects EPP mode

JP5

Open

PARALLEL PORT ADDRESS SELECTION

Port

JP1

JP2

JP3

LPT1 (378h)

Closed

Open

Open

LPT2 (278h)

Open

Closed

Open

LPT3 (3BCh)

Open

Open

Closed

PARALLEL PORT INTERRUPT SELECTION

IRQ

Label

Position

5

JP4

Closed

7

JP4

Open