STB SYSTEMS, INC.
DSP 550
|
Card Type |
Multi I/O Card |
|
Chip Set |
Unidentified |
|
Maximum Onboard Memory |
N/A |
|
I/O Options |
Parallel port, serial ports (2) |
|
Data Bus |
8-bit ISA |
|
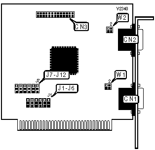
CONNECTIONS | |||
|
Function |
Label |
Function |
Label |
|
Serial port 1 |
CN1 |
Parallel port |
CN3 |
|
Serial port 2 |
CN2 | ||
|
USER CONFIGURABLE SETTINGS | |||
|
Function |
Label |
Position | |
| » |
Ring indicator signal supplied to serial port 1 |
W1 |
Pins 1 & 2 closed |
|
+5 volt signal supplied to serial port 1 |
W1 |
Pins 3 & 4 closed | |
| » |
Ring indicator signal supplied to serial port 2 |
W2 |
Pins 1 & 2 closed |
|
+5 volt signal supplied to serial port 2 |
W2 |
Pins 3 & 4 closed | |
|
Note: Jumpers W1 and W2 are used for ensuring compatibility with specialty serial devices and older mouse systems. | |||
|
PARALLEL PORT ADDRESS SELECTION | ||
|
Setting |
J11 |
J12 |
|
278h |
Pins 1 & 2 closed |
Pins 2 & 3 closed |
|
378h |
Pins 1 & 2 closed |
Pins 1 & 2 closed |
|
Disabled |
Pins 2 & 3 closed |
Pins 2 & 3 closed |
|
SERIAL PORT 1 ADDRESS SELECTION | |||
|
Setting |
J7 |
J8 | |
|
2F8h |
Pins 2 & 3 closed |
Pins 1 & 2 closed | |
|
3E8h |
Pins 1 & 2 closed |
Pins 2 & 3 closed | |
| » |
3F8h |
Pins 1 & 2 closed |
Pins 1 & 2 closed |
|
Disabled |
Pins 2 & 3 closed |
Pins 2 & 3 closed | |
|
SERIAL PORT 2 ADDRESS SELECTION | |||
|
Setting |
J9 |
J10 | |
|
2E8h |
Pins 1 & 2 closed |
Pins 2 & 3 closed | |
| » |
2F8h |
Pins 1 & 2 closed |
Pins 1 & 2 closed |
|
3E8h |
Pins 2 & 3 closed |
Pins 1 & 2 closed | |
|
Disabled |
Pins 2 & 3 closed |
Pins 2 & 3 closed | |
|
SERIAL PORT 1 INTERRUPT SELECTION | |||
|
IRQ |
J2 |
J3 | |
|
IRQ2 |
Open |
Pins 1 & 2 closed | |
|
IRQ3 |
Pins 1 & 2 closed |
Open | |
| » |
IRQ4 |
Pins 2 & 3 closed |
Open |
|
IRQ5 |
Open |
Pins 2 & 3 closed | |
|
SERIAL PORT 2 INTERRUPT SELECTION | |||
|
IRQ |
J4 |
J5 | |
|
IRQ2 |
Open |
Pins 1 & 2 closed | |
| » |
IRQ3 |
Pins 1 & 2 closed |
Open |
|
IRQ4 |
Pins 2 & 3 closed |
Open | |
|
IRQ5 |
Open |
Pins 2 & 3 closed | |
|
PARALLEL PORT INTERRUPT SELECTION | ||
|
IRQ |
J1 | |
| » |
IRQ7 |
Pins 1 & 2 closed |
|
IRQ5 |
Pins 2 & 3 closed | |
|
PARALLEL PORT MODE SELECTION | |
|
Setting |
J6 |
|
Uni-directional |
Pins 2 & 3 open |
|
Bi-Directional (EPP/ECP) |
Pins 2 & 3 closed |