AST RESEARCH, INC.
CUPID Desktop ISA 386/25 Models 202273-001, 202356-002 & 202356-004
|
Processor |
80386DX (on external CPU/Memory module) |
|
Processor Speed |
25MHz |
|
Chip Set |
AST |
|
Max. Onboard DRAM |
None (4MB on external CPU/Memory module) |
|
SRAM Cache |
None (32KB on external CPU/Memory module) |
|
BIOS |
AST |
|
Dimensions |
330mm x 218mm |
|
I/O Options |
32-bit external CPU/Memory module slot, 32-bit external Memory module slot (2), floppy drive interface, IDE interface, parallel port, serial port (2), SMART expansion/16-bit ISA expansion slots (3) |
|
NPU Options |
80387/3167 (on external CPU/Memory module) |
|
CONNECTIONS | |||
|
Purpose |
Location |
Purpose |
Location |
|
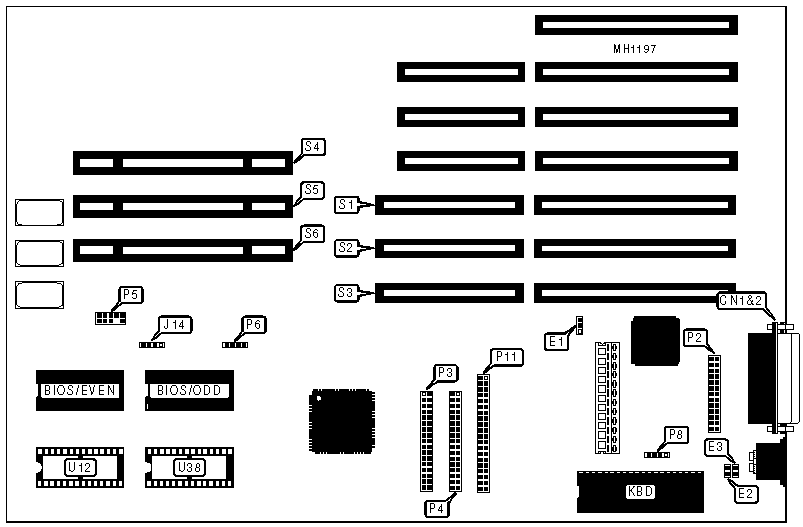
Serial port 1 (COM1) |
CN1 |
External battery |
P8 |
|
Parallel port |
CN2 |
IDE interface |
P11 |
|
IDE interface LED |
J14 |
SMART expansion/16-bit ISA |
S1, S2 & S3 |
|
Serial port 2 (COM2) |
P2 |
32-bit external CPU/Memory module |
S4 |
|
Floppy drive interface (A: and B:) |
P3 |
32-bit external Memory module slot |
S5 |
|
Third floppy drive interface |
P4 |
32-bit external Memory module slot |
S6 |
|
Front panel switches & LEDs |
P5 |
Optional ROM (even) |
U12 |
|
Speaker |
P6 |
Optional ROM (odd) |
U38 |
|
USER CONFIGURABLE SETTINGS | |||
|
Function |
Jumper |
Position | |
| » |
Password check enabled |
E1 |
pins 2 & 3 closed |
|
Password check disabled |
E1 |
pins 1 & 2 closed | |
| » |
POST select normal operation |
E2 |
open |
|
POST select continuous loop |
E2 |
closed | |
| » |
Keyboard select installed |
E3 |
open |
|
Keyboard select not installed |
E3 |
closed | |
|
USER CONFIGURABLE SETTINGS | |||
|
Function |
Jumper |
Position | |
| » |
Factory configured - do not alter |
E1 |
open |
| » |
Parity check enabled |
E2 |
closed |
|
Parity check disabled |
E2 |
open | |
|
Note:AST CPU/Memory module part number is 202274-001, 202274-003, 202274-004. | |||
|
DRAM CONFIGURATION | ||||
|
Size |
Bank 0 |
Bank 1 |
Bank 2 |
Bank 3 |
|
1MB |
(1) 1M x 9 |
NONE |
NONE |
NONE |
|
2MB |
(1) 1M x 9 |
(1) 1M x 9 |
NONE |
NONE |
|
3MB |
(1) 1M x 9 |
(1) 1M x 9 |
(1) 1M x 9 |
NONE |
|
4MB |
(1) 1M x 9 |
(1) 1M x 9 |
(1) 1M x 9 |
(1) 1M x 9 |
|
Notes:32KB of SRAM Cache is on the CPU/Memory module. 128KB of DRAM is reserved for System and VGA BIOS shadowing and cannot be disabled. Up to two of the following memory boards may be installed in addition to the CPU/Memory module: AST part numbers 202275-002, 202275-004, 202275-006, 202387-001, or 202387-005. | ||||