ATC/UNITRON COMPUTER & COMPUTER PARTS
486SL
|
Processor |
CCX486M6/X486M7/AM486SXL/AM486SX(PLUS)/80486SX/AM486DXL/ 80486DX/ 80486DX2/AM486DX4(PLUS)/80486DX4/P23S/P24D/Pentium Overdrive |
|
Processor Speed |
25/33/40/50(internal)/50/66(internal)/75(internal)/80(internal)/100(internal)/ 120(internal)MHz |
|
Chip Set |
SIS |
|
Max. Onboard DRAM |
128MB |
|
Cache |
None |
|
BIOS |
AMI/Award |
|
Dimensions |
220mm x 220mm |
|
I/O Options |
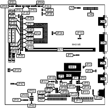
Floppy drive interface, green PC connector, IDE interface, parallel port, serial ports (2), VGA feature connector, VGA port, riser slot |
|
NPU Options |
None |

|
CONNECTIONS |
|||
|
Purpose |
Location |
Purpose |
Location |
|
VGA port |
CN1 |
Green PC connector |
JP59 |
|
Parallel port |
CN2 |
IDE interface LED |
JP60 |
|
Serial port 2 |
CN3 |
Turbo LED |
JP61 pins 1 & 2 |
|
Serial port 1 |
CN4 |
Turbo switch |
JP61 pins 3 & 4 |
|
VGA feature connector |
CN5 |
Reset switch |
JP62 |
|
IDE interface |
CN6 |
Speaker |
JP63 |
|
Floppy drive interface |
CN7 |
Power LED & keylock |
JP64 |
|
External battery |
JP16 |
Riser Card |
SL1 |
|
Green PC connector |
JP51 |
|
|
|
USER CONFIGURABLE SETTINGS |
|||
|
Function |
Jumper |
Position |
|
|
|
PS/2 mouse enabled |
JP3 |
Closed |
|
|
PS/2 mouse disabled |
JP3 |
Open |
|
» |
Power good signal detect from power supply |
JP4 |
pins 1 & 2 closed |
|
|
Power good signal detect from board |
JP4 |
pins 2 & 3 closed |
|
» |
VGA BIOS enabled |
JP7 |
pins 1 & 2 closed |
|
|
VGA BIOS disabled |
JP7 |
pins 2 & 3 closed |
|
» |
Factory configured - do not alter |
JP8 |
N/A |
|
|
Monitor type select color |
JP9 |
Closed |
|
|
Monitor type select monochrome |
JP9 |
Open |
|
» |
On board VGA enabled |
JP10 |
pins 1 & 2 closed |
|
|
On board VGA disabled |
JP10 |
pins 2 & 3 closed |
|
» |
CMOS memory normal operation |
JP11 |
pins 1 & 2 closed |
|
|
CMOS memory clear |
JP11 |
pins 2 & 3 closed |
|
» |
ECP DRQ enabled |
JP12 |
pins 1 & 2 closed |
|
|
ECP DRQ disabled |
JP12 |
pins 2 & 3 closed |
|
» |
ECP A10 enabled |
JP15 |
pins 1 & 2 closed |
|
|
ECP A10 disabled |
JP15 |
pins 2 & 3 closed |
|
» |
Parallel port IRQ select IRQ7 |
JP17 |
pins 2 & 3 closed |
|
|
Parallel port IRQ select IRQ5 |
JP17 |
pins 1 & 2 closed |
|
» |
Serial port IRQ select IRQ4 |
JP18 |
pins 3 & 4 closed |
|
|
Serial port IRQ select IRQ3 |
JP18 |
pins 1 & 2 closed |
|
» |
Factory configured - do not alter |
JP24 |
N/A |
|
|
CPU voltage regulator type select auto |
JP27 |
Closed |
|
|
CPU voltage regulator type select manual |
JP27 |
Open |
|
» |
IDE interface enabled |
JP32 |
Open |
|
|
IDE interface disabled |
JP32 |
Closed |
|
» |
CPU clock = CLKIN |
JP47 |
pins 1 & 2 closed |
|
|
CPU clock delayed for CLKIN |
JP47 |
pins 2 & 3 closed |
|
» |
Internal clock select CLKIN |
JP50 |
pins 1 & 2 closed |
|
|
Internal clock select 1/2 CLKIN |
JP50 |
pins 2 & 3 closed |
|
» |
Factory configured - do not alter |
JP65 |
N/A |
|
» |
Factory configured - do not alter |
JV |
N/A |
|
DRAM CONFIGURATION |
||
|
Size |
Bank 0 |
Bank 1 |
|
1MB |
(1) 256K x 36 |
NONE |
|
2MB |
(1) 256K x 36 |
(1) 256K x 36 |
|
2MB |
(1) 512K x 36 |
NONE |
|
3MB |
(1) 512K x 36 |
(1) 256K x 36 |
|
3MB |
(1) 256K x 36 |
(1) 512K x 36 |
|
4MB |
(1) 512K x 36 |
(1) 512K x 36 |
|
4MB |
(1) 1M x 36 |
NONE |
|
5MB |
(1) 1M x 36 |
(1) 256K x 36 |
|
5MB |
(1) 256K x 36 |
(1) 1M x 36 |
|
6MB |
(1) 1M x 36 |
(1) 512K x 36 |
|
6MB |
(1) 512K x 36 |
(1) 1M x 36 |
|
8MB |
(1) 1M x 36 |
(1) 1M x 36 |
|
8MB |
(1) 2M x 36 |
NONE |
|
9MB |
(1) 2M x 36 |
(1) 256K x 36 |
|
9MB |
(1) 256K x 36 |
(1) 2M x 36 |
|
10MB |
(1) 2M x 36 |
(1) 512K x 36 |
|
10MB |
(1) 512K x 36 |
(1) 2M x 36 |
|
12MB |
(1) 2M x 36 |
(1) 1M x 36 |
|
12MB |
(1) 1M x 36 |
(1) 2M x 36 |
|
16MB |
(1) 2M x 36 |
(1) 2M x 36 |
|
16MB |
(1) 4M x 36 |
NONE |
|
17MB |
(1) 4M x 36 |
(1) 256K x 36 |
|
17MB |
(1) 256K x 36 |
(1) 4M x 36 |
|
18MB |
(1) 4M x 36 |
(1) 512K x 36 |
|
18MB |
(1) 512K x 36 |
(1) 4M x 36 |
|
20MB |
(1) 4M x 36 |
(1) 1M x 36 |
|
20MB |
(1) 1M x 36 |
(1) 4M x 36 |
|
24MB |
(1) 4M x 36 |
(1) 2M x 36 |
|
24MB |
(1) 2M x 36 |
(1) 4M x 36 |
|
32MB |
(1) 4M x 36 |
(1) 4M x 36 |
|
32MB |
(1) 8M x 36 |
NONE |
|
33MB |
(1) 8M x 36 |
(1) 256K x 36 |
|
33MB |
(1) 256K x 36 |
(1) 8M x 36 |
|
34MB |
(1) 8M x 36 |
(1) 512K x 36 |
|
34MB |
(1) 512K x 36 |
(1) 8M x 36 |
|
36MB |
(1) 8M x 36 |
(1) 1M x 36 |
|
36MB |
(1) 1M x 36 |
(1) 8M x 36 |
|
40MB |
(1) 8M x 36 |
(1) 2M x 36 |
|
40MB |
(1) 2M x 36 |
(1) 8M x 36 |
|
48MB |
(1) 8M x 36 |
(1) 4M x 36 |
|
48MB |
(1) 4M x 36 |
(1) 8M x 36 |
|
64MB |
(1) 8M x 36 |
(1) 8M x 36 |
|
64MB |
(1) 16M x 36 |
NONE |
|
DRAM CONFIGURATION (CON'T) |
||
|
Size |
Bank 0 |
Bank 1 |
|
65MB |
(1) 16M x 36 |
(1) 256K x 36 |
|
65MB |
(1) 256K x 36 |
(1) 16M x 36 |
|
66MB |
(1) 16M x 36 |
(1) 512K x 36 |
|
66MB |
(1) 512K x 36 |
(1) 16M x 36 |
|
68MB |
(1) 16M x 36 |
(1) 1M x 36 |
|
68MB |
(1) 1M x 36 |
(1) 16M x 36 |
|
72MB |
(1) 16M x 36 |
(1) 2M x 36 |
|
72MB |
(1) 2M x 36 |
(1) 16M x 36 |
|
80MB |
(1) 16M x 36 |
(1) 4M x 36 |
|
80MB |
(1) 4M x 36 |
(1) 16M x 36 |
|
96MB |
(1) 16M x 36 |
(1) 8M x 36 |
|
96MB |
(1) 8M x 36 |
(1) 16M x 36 |
|
128MB |
(1) 16M x 36 |
(1) 16M x 36 |
|
CPU TYPE CONFIGURATION |
|||||
|
Type |
JP19 |
JP20 |
JP21 |
JP22 |
JP23 |
|
CX486M6 |
N/A |
2 & 3 |
1 & 2 |
2 & 3 |
N/A |
|
AM486SXL |
1 & 2 |
N/A |
2 & 3 |
2 & 3 |
N/A |
|
AM486SX(PLUS) |
4 & 5 |
N/A |
1 & 2 |
2 & 3 |
2 & 3 |
|
80486SX |
1 & 2 |
N/A |
1 & 2 |
2 & 3 |
N/A |
|
AM486DXL |
1 & 2 |
N/A |
2 & 3 |
2 & 3 |
N/A |
|
CX486M7 |
N/A |
2 & 3 |
1 & 2 |
2 & 3 |
N/A |
|
80486DX |
1 & 2 |
N/A |
1 & 2 |
2 & 3 |
N/A |
|
80486DX2 |
1 & 2 |
N/A |
1 & 2 |
2 & 3 |
N/A |
|
AM486DX4(PLUS) |
4 & 5 |
N/A |
1 & 2 |
2 & 3 |
2 & 3 |
|
80486DX4 |
1 & 2 |
N/A |
1 & 2 |
2 & 3 |
N/A |
|
P23S |
1 & 2 |
N/A |
1 & 2 |
2 & 3 |
N/A |
|
P24D |
2 & 3 |
1 & 2 |
1 & 2 |
1 & 2 |
1 & 2 |
|
P24T |
1 & 2 |
1 & 2 |
1 & 2 |
1 & 2 |
N/A |
|
Note: Pins designated should be in the closed position. |
|||||
|
CPU TYPE CONFIGURATION (CON'T) |
|||||
|
Type |
JP38 |
JP39 |
JP40 |
JP41 |
JP42 |
|
CX486M6 |
2 & 3 |
2 & 3 |
N/A |
1 & 2 |
2 & 3 |
|
AM486SXL |
N/A |
3 & 4 |
1 & 2 |
3 & 4 |
2 & 3 |
|
AM486SX(PLUS) |
4 & 5 |
N/A |
N/A |
2 & 3 |
2 & 3 |
|
80486SX |
4 & 5 |
N/A |
N/A |
2 & 3 |
2 & 3 |
|
AM486DXL |
N/A |
3 & 4 |
1 & 2, 3 & 4 |
3 & 4 |
1 & 2, 3 & 4 |
|
CX486M7 |
2 & 3 |
2 & 3 |
3 & 4 |
1 & 2 |
1 & 2, 3 & 4 |
|
80486DX |
4 & 5 |
N/A |
3 & 4 |
2 & 3 |
1 & 2, 3 & 4 |
|
80486DX2 |
4 & 5 |
N/A |
3 & 4 |
2 & 3 |
1 & 2, 3 & 4 |
|
AM486DX4(PLUS) |
4 & 5 |
N/A |
3 & 4 |
2 & 3 |
1 & 2, 3 & 4 |
|
80486DX4 |
4 & 5 |
N/A |
3 & 4 |
2 & 3 |
1 & 2, 3 & 4 |
|
P23S |
4 & 5 |
N/A |
3 & 4 |
2 & 3 |
2 & 3 |
|
P24D |
4 & 5 |
N/A |
3 & 4 |
2 & 3 |
1 & 2, 3 & 4 |
|
P24T |
1 & 2 |
1 & 2 |
2 & 3 |
2 & 3 |
1 & 2, 3 & 4 |
|
Note: Pins designated should be in the closed position. |
|||||
|
CPU TYPE CONFIGURATION (CON'T) |
||||||
|
Type |
JP43 |
JP44 |
JP45 |
JP46 |
JP48 |
JP49 |
|
CX486M6 |
N/A |
N/A |
2 & 3 |
N/A |
N/A |
N/A |
|
AM486SXL |
N/A |
N/A |
4 & 5 |
N/A |
N/A |
N/A |
|
AM486SX(PLUS) |
N/A |
N/A |
3 & 4 |
N/A |
N/A |
N/A |
|
80486SX |
N/A |
N/A |
3 & 4 |
N/A |
2 & 3 |
1 & 2 |
|
AM486DXL |
N/A |
N/A |
4 & 5 |
N/A |
1 & 2 |
2 & 3 |
|
CX486M7 |
N/A |
N/A |
2 & 3 |
N/A |
1 & 2 |
2 & 3 |
|
80486DX |
2 & 3 |
N/A |
3 & 4 |
N/A |
2 & 3 |
1 & 2 |
|
80486DX2 |
2 & 3 |
N/A |
3 & 4 |
N/A |
2 & 3 |
1 & 2 |
|
AM486DX4(PLUS) |
2 & 3 |
N/A |
3 & 4 |
N/A |
1 & 2 |
1 & 2 |
|
80486DX4 |
1 & 2 |
N/A |
3 & 4 |
N/A |
2 & 3 |
1 & 2 |
|
P23S |
N/A |
N/A |
3 & 4 |
N/A |
N/A |
N/A |
|
P24D |
1 & 2, or 2 & 3 |
N/A |
1 & 2, 3 & 4 |
N/A |
1 & 2 |
1 & 2 |
|
P24T |
N/A |
N/A |
3 & 4 |
1 & 2, or 2 & 3 |
1 & 2 |
1 & 2 |
|
Note: Pins designated should be in the closed position. This board also accepts SL-series CPUs & am486dxl2, but no jumper settings are listed. |
||||||
|
CPU SPEED CONFIGURATION |
|
|
Speed |
JP37 |
|
25MHz |
pins 1 & 2, 5 & 6 closed |
|
33MHz |
pins 1 & 2, 3 & 4 closed |
|
40MHz |
pins 5 & 6 closed |
|
50iMHz |
pins 1 & 2, 5 & 6 closed |
|
50MHz |
pins 3 & 4 closed |
|
66iMHz |
pins 1 & 2, 3 & 4 closed |
|
75iMHz |
pins 1 & 2, 5 & 6 closed |
|
80iMHz |
pins 5 & 6 closed |
|
100iMHz |
pins 1 & 2, 3 & 4 closed |
|
120iMHz |
pins 5 & 6 closed |
|
CPU VOLTAGE CONFIGURATION |
|
|
Voltage |
JP26 |
|
Auto detect |
Open |
|
3.3v |
pins 2 & 3 closed |
|
5v |
pins 1 & 2 closed |
|
DMA CONFIGURATION |
|||
|
DMA |
JP13 |
JP14 |
|
|
» |
DMA 1 |
pins 2 & 3 closed |
pins 2 & 3 closed |
|
» |
DMA 3 |
pins 1 & 2 closed |
pins 1 & 2 closed |
|
FLOPPY ENHANCED MODE CONFIGURATION |
|||
|
Setting |
JP28 |
JP29 |
|
|
» |
Enabled |
Closed |
Closed |
|
» |
Disabled |
Open |
Open |
|
KEYBOARD CONFIGURATION |
||||
|
Type |
JP1 |
JP2 |
JP5 |
JP6 |
|
AT |
Open |
Open |
pins 2 & 3 closed |
pins 2 & 3 closed |
|
PS/2 |
Closed |
Closed |
pins 1 & 2 closed |
pins 1 & 2 closed |
|
MEDIA DETECT CONFIGURATION |
|||
|
Setting |
JP30 |
JP31 |
|
|
» |
Enabled |
Closed |
Closed |
|
» |
Disabled |
Open |
Open |
|
MISCELLANEOUS TECHNICAL NOTE |
|
Note: The location of pin 1 is unidentified. |