ALPHA MICROSYSTEMS
AM-338, AM-339 RJE BOARD SET
|
Processor |
Z-80 |
|
Processor Speed |
4MHz |
|
Chip Set |
Unidentified |
|
Video Chip Set |
None |
|
Maximum Onboard Memory |
None |
|
Maximum Video Memory |
None |
|
Cache |
None |
|
BIOS |
Unidentified |
|
Dimensions |
Unidentified |
|
I/O Options |
Debug/trace port, synchronous communication port |
|
NPU Options |
None |
|
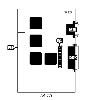
CONNECTIONS | |||
|
Purpose |
Location |
Purpose |
Location |
|
Debug/trace port |
CN1 |
AM-338 board connector |
J1 |
|
Synchronous communication port |
CN2 | ||
|
DTE/DCE CONFIGURATION | |
|
Setting |
W1 |
|
DTE |
1 & 2, 5 & 6, 9 & 10 13 & 14, 18 & 19, 21 & 22, 23 & 24, 25 & 26 |
|
DCE |
3 & 4, 7 & 8, 11 & 12, 15 & 16, 19 & 20, 21 & 22, 23 & 24, 25 & 26 |
|
DCE (test mode) |
3 & 4, 7 & 8, 11 & 12, 15 & 16, 19 & 20, 21 & 22, 23 & 25, 27 & 28 |
|
Note: Pins designated should be in the closed position. | |
|
CONNECTIONS | |
|
Purpose |
Location |
|
AM-339 board connector |
J1 |
|
USER CONFIGURABLE SETTINGS | |||
|
Function |
Label |
Position | |
|
» |
Factory configured - do not alter |
W1 |
Pins 5 & 6 closed |
|
» |
Factory configured - do not alter |
W2 |
Closed |
|
MISCELLANEOUS TECHNICAL NOTE |
|
These boards provide a bisync interface for the Alpha Micro AM-1600 (Desktop and Deskside) allowing an interface between IBM mainframes when used with AlphaRJE software. |