BCM ADVANCED RESEARCH, INC.
SQ578
|
Processor |
CX 6X86/CX 6X86L/CX 686MX/IDT-C6/AM K5/Pentium |
|
Processor Speed |
75/90/100/120/133/150/166/200/233/266/300MHz |
|
Chip Set |
SIS |
|
Video Chip Set |
Unidentified |
|
Maximum Onboard Memory |
256MB |
|
Maximum Video Memory |
Unidentified |
|
Cache |
256/512KB |
|
BIOS |
Unidentified |
|
Dimensions |
270mm x 220mm |
|
I/O Options |
32-bit PCI slots (4), floppy drive interface, green PC connector, IDE interfaces (2), parallel port, PS/2 mouse interface, serial ports (2), VGA feature connector, VGA interface, IR connector, USB connector |
|
NPU Options |
None |
|
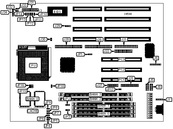
CONNECTIONS | |||
|
Purpose |
Location |
Purpose |
Location |
|
PS/2 mouse interface |
J1 |
External battery |
J29 |
|
Serial port 1 |
J5 |
Chassis fan power |
J30 |
|
USB connector |
J6 |
Power LED & keylock |
J31/pins 1 - 5 |
|
Serial port 2 |
J9 |
Speaker |
J31/pins 7 - 10 |
|
Floppy drive interface |
J21 |
IDE interface LED |
J31/pins 12 & 24 |
|
Parallel port |
J22 |
Reset switch |
J31/pins 21 & 22 |
|
VGA feature connector |
J25 |
Green PC connector |
J32 |
|
IDE interface 2 |
J26 |
Green PC LED |
J33 |
|
VGA interface |
J27 |
IR connector |
J34 |
|
IDE interface 1 |
J28 |
32-bit PCI slots |
PC1 – PC4 |
|
USER CONFIGURABLE SETTINGS | |||
|
Function |
Label |
Position | |
|
» |
CMOS memory normal operation |
JP1 |
Pins 1 & 2 closed |
|
CMOS memory clear |
JP1 |
Pins 2 & 3 closed | |
|
Cyrix linear bust mode select interleave burst |
JP18 |
Open | |
|
Cyrix linear bust mode select linear burst |
JP18 |
Closed | |
|
SIMM CONFIGURATION | ||
|
Size |
Bank 0 |
Bank 1 |
|
8MB |
(2) 1M x 36 |
None |
|
16MB |
(2) 2M x 36 |
None |
|
16MB |
(2) 1M x 36 |
(2) 1M x 36 |
|
24MB |
(2) 2M x 36 |
(2) 1M x 36 |
|
32MB |
(2) 4M x 36 |
None |
|
32MB |
(2) 2M x 36 |
(2) 2M x 36 |
|
40MB |
(2) 4M x 36 |
(2) 1M x 36 |
|
48MB |
(2) 4M x 36 |
(2) 2M x 36 |
|
64MB |
(2) 8M x 36 |
None |
|
64MB |
(2) 4M x 36 |
(2) 4M x 36 |
|
72MB |
(2) 8M x 36 |
(2) 1M x 36 |
|
80MB |
(2) 8M x 36 |
(2) 2M x 36 |
|
96MB |
(2) 8M x 36 |
(2) 4M x 36 |
|
128MB |
(2) 8M x 36 |
(2) 8M x 36 |
|
128MB |
(2) 16M x 36 |
None |
|
136MB |
(2) 16M x 36 |
(2) 1M x 36 |
|
144MB |
(2) 16M x 36 |
(2) 2M x 36 |
|
160MB |
(2) 16M x 36 |
(2) 4M x 36 |
|
192MB |
(2) 16M x 36 |
(2) 8M x 36 |
|
256MB |
(2) 16M x 36 |
(2) 16M x 36 |
|
Note: Board accepts EDO memory. | ||
|
DIMM CONFIGURATION | ||
|
Size |
Bank 0 |
Bank 1 |
|
8MB |
(1) 1M x 64 |
None |
|
16MB |
(1) 2M x 64 |
None |
|
16MB |
(1) 1M x 64 |
(1) 1M x 64 |
|
24MB |
(1) 2M x 64 |
(1) 1M x 64 |
|
32MB |
(1) 4M x 64 |
None |
|
32MB |
(1) 2M x 64 |
(1) 2M x 64 |
|
40MB |
(1) 4M x 64 |
(1) 1M x 64 |
|
48MB |
(1) 4M x 64 |
(1) 2M x 64 |
|
64MB |
(1) 8M x 64 |
None |
|
64MB |
(1) 4M x 64 |
(1) 4M x 64 |
|
72MB |
(1) 8M x 64 |
(1) 1M x 64 |
|
80MB |
(1) 8M x 64 |
(1) 2M x 64 |
|
96MB |
(1) 8M x 64 |
(1) 4M x 64 |
|
128MB |
(1) 16M x 64 |
None |
|
128MB |
(1) 8M x 64 |
(1) 8M x 64 |
|
136MB |
(1) 16M x 64 |
(1) 1M x 64 |
|
144MB |
(1) 16M x 64 |
(1) 2M x 64 |
|
160MB |
(1) 16M x 64 |
(1) 4M x 64 |
|
192MB |
(1) 16M x 64 |
(1) 8M x 64 |
|
256MB |
(1) 16M x 64 |
(1) 16M x 64 |
|
DIMM VOLTAGE CONFIGURATION | |
|
Voltage |
JP2 |
|
3.3v |
Pins 2 & 3 closed |
|
5v |
Pins 1 & 2 closed |
|
CACHE CONFIGURATION | |
|
Size |
Bank 0 |
|
256KB |
(2) 32K x 32 |
|
512KB |
(2) 64K x 32 |
|
CPU SPEED SELECTION (CX 6X86/6X86L) | ||||||||
|
CPU speed |
Clock speed |
Multiplier |
JP4 |
JP5 |
JP6 |
JP7 |
JP8 |
JP9 |
|
120MHz |
50MHz |
2x |
Closed |
Closed |
Open |
Closed |
Open |
Open |
|
133MHz |
55MHz |
2x |
Open |
Open |
Open |
Closed |
Open |
Open |
|
150MHz |
60MHz |
2x |
Open |
Closed |
Open |
Closed |
Open |
Open |
|
166MHz |
66MHz |
2x |
Closed |
Open |
Open |
Closed |
Open |
Open |
|
200MHz |
75MHz |
2x |
Closed |
Closed |
Closed |
Closed |
Open |
Open |
|
CPU SPEED SELECTION (CX 6X86MX) | ||||||||
|
CPU speed |
Clock speed |
Multiplier |
JP4 |
JP5 |
JP6 |
JP7 |
JP8 |
JP9 |
|
133MHz |
50MHz |
2x |
Closed |
Closed |
Open |
Closed |
Open |
Open |
|
133MHz |
55MHz |
2x |
Open |
Open |
Open |
Closed |
Open |
Open |
|
150MHz |
60MHz |
2x |
Open |
Closed |
Open |
Closed |
Open |
Open |
|
150MHz |
50MHz |
2.5x |
Closed |
Closed |
Open |
Closed |
Closed |
Open |
|
166MHz |
66MHz |
2x |
Closed |
Open |
Open |
Closed |
Open |
Open |
|
166MHz |
75MHz |
2.5x |
Open |
Open |
Open |
Closed |
Closed |
Open |
|
166MHz |
50MHz |
3x |
Closed |
Closed |
Open |
Open |
Closed |
Open |
|
166MHz |
60MHz |
2.5x |
Open |
Closed |
Open |
Closed |
Closed |
Open |
|
200MHz |
75MHz |
2x |
Closed |
Closed |
Closed |
Closed |
Open |
Open |
|
200MHz |
75MHz |
3x |
Open |
Open |
Open |
Open |
Closed |
Open |
|
200MHz |
55MHz |
2.5x |
Closed |
Open |
Open |
Closed |
Closed |
Open |
|
200MHz |
60MHz |
3x |
Open |
Closed |
Open |
Open |
Closed |
Open |
|
233MHz |
75MHz |
2.5x |
Closed |
Closed |
Closed |
Closed |
Closed |
Open |
|
233MHz |
66MHz |
3x |
Closed |
Open |
Open |
Open |
Closed |
Open |
|
266MHz |
66MHz |
3.5x |
Closed |
Open |
Open |
Open |
Open |
Open |
|
266MHz |
75MHz |
3x |
Closed |
Closed |
Closed |
Open |
Closed |
Open |
|
CPU SPEED SELECTION (AMD) | ||||||||
|
CPU speed |
Clock speed |
Multiplier |
JP4 |
JP5 |
JP6 |
JP7 |
JP8 |
JP9 |
|
75MHz |
50MHz |
1.5x |
Closed |
Closed |
Open |
Open |
Open |
Open |
|
90MHz |
60MHz |
1.5x |
Open |
Closed |
Open |
Open |
Open |
Open |
|
100MHz |
66MHz |
1.5x |
Closed |
Open |
Open |
Open |
Open |
Open |
|
120MHz |
60MHz |
2x |
Open |
Closed |
Open |
Closed |
Open |
Open |
|
133MHz |
66MHz |
2x |
Closed |
Open |
Open |
Closed |
Open |
Open |
|
150MHz |
60MHz |
2.5x |
Open |
Closed |
Open |
Closed |
Closed |
Open |
|
166MHz |
66MHz |
2.5x |
Closed |
Open |
Open |
Closed |
Closed |
Open |
|
200MHz |
66MHz |
3x |
Closed |
Open |
Open |
Open |
Closed |
Open |
|
233MHz |
66MHz |
3.5x |
Closed |
Open |
Open |
Open |
Open |
Open |
|
266MHz |
66MHz |
4x |
Closed |
Open |
Open |
Closed |
Open |
Closed |
|
300MHz |
66MHz |
4.5x |
Closed |
Open |
Open |
Closed |
Closed |
Closed |
|
CPU SPEED SELECTION (IDT-C6) | ||||||||
|
CPU speed |
Clock speed |
Multiplier |
JP4 |
JP5 |
JP6 |
JP7 |
JP8 |
JP9 |
|
150MHz |
50MHz |
3x |
Closed |
Closed |
Open |
Open |
Closed |
Open |
|
150MHz |
75MHz |
2x |
Closed |
Closed |
Closed |
Closed |
Open |
Open |
|
180MHz |
60MHz |
3x |
Open |
Closed |
Open |
Open |
Closed |
Open |
|
200MHz |
66MHz |
3x |
Closed |
Open |
Open |
Open |
Closed |
Open |
|
CPU SPEED SELECTION (INTEL) | ||||||||
|
CPU speed |
Clock speed |
Multiplier |
JP4 |
JP5 |
JP6 |
JP7 |
JP8 |
JP9 |
|
75MHz |
50MHz |
1.5x |
Closed |
Closed |
Open |
Open |
Open |
Open |
|
90MHz |
60MHz |
1.5x |
Open |
Closed |
Open |
Open |
Open |
Open |
|
100MHz |
66MHz |
1.5x |
Closed |
Open |
Open |
Open |
Open |
Open |
|
120MHz |
60MHz |
2x |
Open |
Closed |
Open |
Closed |
Open |
Open |
|
133MHz |
66MHz |
2x |
Closed |
Open |
Open |
Closed |
Open |
Open |
|
150MHz |
60MHz |
2.5x |
Open |
Closed |
Open |
Closed |
Closed |
Open |
|
166MHz |
66MHz |
2.5x |
Closed |
Open |
Open |
Closed |
Closed |
Open |
|
200MHz |
66MHz |
3x |
Closed |
Open |
Open |
Open |
Closed |
Open |
|
233MHz |
66MHz |
3.5x |
Closed |
Open |
Open |
Open |
Open |
Open |
|
266MHz |
66MHz |
4x |
Closed |
Open |
Open |
Closed |
Open |
Closed |
|
300MHz |
66MHz |
4.5x |
Closed |
Open |
Open |
Closed |
Closed |
Closed |
|
CPU VOLTAGE SELECTION (SINGLE) | |||||||
|
Voltage |
JP10 |
JP11 |
JP12 |
JP13 |
JP14 |
JP15 |
JP16 |
|
3.38v |
Open |
Open |
Open |
Closed |
Open |
1 & 2 |
1 & 2 |
|
3.52v |
Open |
Open |
Open |
Open |
Closed |
1 & 2 |
1 & 2 |
|
Note: Pins designated should be in the closed position. | |||||||
|
CPU VOLTAGE SELECTION (DUAL) | ||||||||
|
Voltage |
V core |
JP10 |
JP11 |
JP12 |
JP13 |
JP14 |
JP15 |
JP16 |
|
3.3v |
2.1 |
Open |
Open |
Open |
Open |
Open |
2 & 3 |
2 & 3 |
|
3.3v |
2.8 |
Closed |
Open |
Open |
Open |
Open |
2 & 3 |
2 & 3 |
|
3.3v |
2.9 |
Open |
Closed |
Open |
Open |
Open |
2 & 3 |
2 & 3 |
|
3.3v |
3.2 |
Open |
Open |
Closed |
Open |
Open |
2 & 3 |
2 & 3 |
|
Note: Pins designated should be in the closed position. | ||||||||
|
ON BOARD VGA SELECTION | ||
|
Setting |
JP3 |
JP17 |
|
Enabled |
Pins 2 & 3 closed |
Open |
|
Disabled |
Pins 1 & 2 closed |
Closed |
|
Note: these jumpers are optional and may not be present. | ||