ACHME COMPUTER, INC.

MS-6112

Device Type

Mainboard

Processor

Pentium II

Processor Speed

200/233/266/300/333MHz

Chip Set

Intel

Video Chip Set

None

Maximum Onboard Memory

1024MB (EDO & SDRAM supported)

Maximum Video Memory

None

Cache

256/512KB (located on Pentium II CPU)

BIOS

Unidentified

Dimensions

300mm x 230mm

I/O Options

32-bit PCI slots (3), floppy drive interface, IDE interfaces (2), parallel port, PS/2 mouse port, serial ports (2), IR connector, USB connectors (2), ATX power connector, AGP slot

NPU Options

None

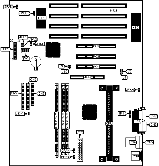
CONNECTIONS

Purpose

Location

Purpose

Location

AGP slot

AGP

Chassis fan power

JFAN

ATX power connector

ATX

Power LED & keylock

JFP1/pins 1 - 5

CPU fan power

CFAN

Speaker

JFP1/pins7 - 10

Parallel port

CN1

Turbo LED

JFP1/pins 12 & 13

Serial port 2

CN2

Reset switch

JFP1/pins 19 & 20

Serial port 1

CN3

IDE interface LED

JFP1/pins 22 & 24

USB connector 1

CN4

Green PC LED

JGL1

USB connector 2

CN5

Soft off power supply

JSW1

PS/2 mouse port

CN6

Soft off power supply

JSW2

Floppy drive interface

CN7

32-bit PCI slots

PC1 – PC3

IDE interface 2

CN8

Power supply fan

PFAN

IDE interface 1

CN9

Chassis fan power

SFAN

IR connector

IR1

   

USER CONFIGURABLE SETTINGS

Function

Label

Position

»

Factory configured - do not alter

J3

Pins 2 & 3 closed

»

Factory configured - do not alter

J4

Pins 2 & 3 closed

»

CMOS memory normal operation

JBAT

Pins 1 & 2 closed

 

CMOS memory clear

JBAT

Pins 2 & 3 closed

»

Flash BIOS voltage select 12v

JMODE

Pins 1 & 2 closed

 

Flash BIOS voltage select 5v

JMODE

Pins 2 & 3 closed

DIMM CONFIGURATION

Size

Bank 0

Bank 1

Bank 2

8MB

(1) 1M x 64

None

None

16MB

(1) 2M x 64

None

None

16MB

(1) 1M x 64

(1) 1M x 64

None

24MB

(1) 2M x 64

(1) 1M x 64

None

24MB

(1) 1M x 64

(1) 1M x 64

(1) 1M x 64

32MB

(1) 4M x 64

None

None

32MB

(1) 2M x 64

(1) 1M x 64

(1) 1M x 64

32MB

(1) 2M x 64

(1) 2M x 64

None

40MB

(1) 4M x 64

(1) 1M x 64

None

40MB

(1) 2M x 64

(1) 2M x 64

(1) 1M x 64

48MB

(1) 4M x 64

(1) 1M x 64

(1) 1M x 64

48MB

(1) 4M x 64

(1) 2M x 64

None

48MB

(1) 2M x 64

(1) 2M x 64

(1) 2M x 64

DIMM CONFIGURATION (CON’T)

Size

Bank 0

Bank 1

Bank 2

56MB

(1) 4M x 64

(1) 2M x 64

(1) 1M x 64

64MB

(1) 8M x 64

None

None

64MB

(1) 4M x 64

(1) 2M x 64

(1) 2M x 64

64MB

(1) 4M x 64

(1) 4M x 64

None

72MB

(1) 8M x 64

(1) 1M x 64

None

72MB

(1) 4M x 64

(1) 4M x 64

(1) 1M x 64

80MB

(1) 8M x 64

(1) 1M x 64

(1) 1M x 64

80MB

(1) 8M x 64

(1) 2M x 64

None

80MB

(1) 4M x 64

(1) 4M x 64

(1) 2M x 64

88MB

(1) 8M x 64

(1) 2M x 64

(1) 1M x 64

96MB

(1) 8M x 64

(1) 2M x 64

(1) 2M x 64

96MB

(1) 8M x 64

(1) 4M x 64

None

96MB

(1) 4M x 64

(1) 4M x 64

(1) 4M x 64

104MB

(1) 8M x 64

(1) 4M x 64

(1) 1M x 64

112MB

(1) 8M x 64

(1) 4M x 64

(1) 2M x 64

128MB

(1) 16M x 64

None

None

128MB

(1) 8M x 64

(1) 4M x 64

(1) 4M x 64

128MB

(1) 8M x 64

(1) 8M x 64

None

136MB

(1) 16M x 64

(1) 1M x 64

None

136MB

(1) 8M x 64

(1) 8M x 64

(1) 1M x 64

144MB

(1) 16M x 64

(1) 1M x 64

(1) 1M x 64

144MB

(1) 16M x 64

(1) 2M x 64

None

144MB

(1) 8M x 64

(1) 8M x 64

(1) 2M x 64

152MB

(1) 16M x 64

(1) 2M x 64

(1) 1M x 64

160MB

(1) 16M x 64

(1) 2M x 64

(1) 2M x 64

160MB

(1) 16M x 64

(1) 4M x 64

None

160MB

(1) 8M x 64

(1) 8M x 64

(1) 4M x 64

168MB

(1) 16M x 64

(1) 4M x 64

(1) 1M x 64

176MB

(1) 16M x 64

(1) 4M x 64

(1) 2M x 64

192MB

(1) 16M x 64

(1) 4M x 64

(1) 4M x 64

192MB

(1) 16M x 64

(1) 8M x 64

None

192MB

(1) 8M x 64

(1) 8M x 64

(1) 8M x 64

200MB

(1) 16M x 64

(1) 8M x 64

(1) 1M x 64

208MB

(1) 16M x 64

(1) 8M x 64

(1) 2M x 64

224MB

(1) 16M x 64

(1) 8M x 64

(1) 4M x 64

256MB

(1) 16M x 64

(1) 8M x 64

(1) 8M x 64

384MB

(1) 16M x 64

(1) 16M x 64

(1) 16M x 64

512MB

(1) 64M x 64

None

None

512MB

(1) 32M x 64

(1) 32M x 64

None

768MB

(1) 32M x 64

(1) 32M x 64

(1) 32M x 64

1024MB

(1) 64M x 64

(1) 64M x 64

None

Note: Board accepts EDO & SDRAM memory. SDRAM maximum memory is 512MB. EDO maximum memory is 1024MB.

CACHE CONFIGURATION

Note: 256KB/512KB cache is located on the Pentium II CPU.

CPU SPEED SELECTION

Speed

J9

J10

66MHz

Open

Open

68MHz

Open

Closed

75MHz

Closed

Open

CPU SPEED SELECTION

CPU speed

Clock speed

Multiplier

SW1/1

SW1/2

SW1/3

SW1/4

200MHz

66MHz

3x

On

On

Off

On

233MHz

66MHz

3.5x

On

Off

Off

On

266MHz

66MHz

4x

On

On

On

Off

300MHz

66MHz

4.5x

On

Off

On

Off

333MHz

66MHz

5x

On

On

Off

Off