ACER, INC.
V62X
|
Device Type |
Mainboard |
|
Processor |
Pentium Pro/Pentium II |
|
Processor Speed |
233/266MHz |
|
Chip Set |
Unidentified |
|
Video Chip Set |
None |
|
Maximum Onboard Memory |
384MB (EDO supported) |
|
Maximum Video Memory |
None |
|
Cache |
256/512KB (located on Pentium Pro/Pentium II CPU) |
|
BIOS |
Acer |
|
Dimensions |
305mm x 244mm |
|
I/O Options |
32-bit PCI slots (4), floppy drive interface, IDE interfaces (2), parallel port, PS/2 mouse port, serial ports (2), IR connector, USB connectors (2), SCSI/LAN slot |
|
NPU Options |
None |

|
CONNECTIONS |
|||
|
Purpose |
Location |
Purpose |
Location |
|
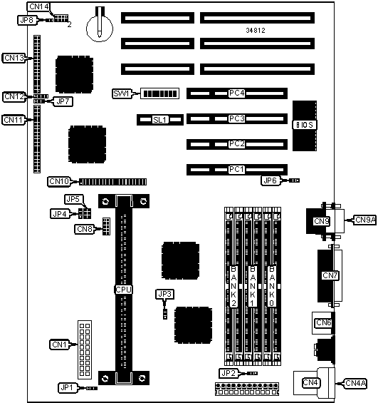
ATX power connector |
CN1 |
Floppy drive interface |
CN13 |
|
USB connector |
CN4 |
Speaker |
CN14/pins 1 & 3 |
|
USB connector |
CN4A |
Power LED & keylock |
CN14/pins 2 & 6 |
|
PS/2 mouse port |
CN6 |
Reset switch |
CN14/pins 7 & 8 |
|
Parallel port |
CN7 |
Standby power cable |
JP2 |
|
Serial port |
CN9 |
IDE interface LED |
JP7 |
|
Serial port |
CN9A |
Software power control |
JP8 |
|
IDE interface 2 |
CN10 |
32-bit PCI slots |
PC1 - PC4 |
|
IDE interface 1 |
CN11 |
SCSI/LAN slot |
SL1 |
|
IR connector |
CN12 |
|
|
|
USER CONFIGURABLE SETTINGS |
|||
|
Function |
Label |
Position |
|
|
» |
Factory configured - do not alter |
CN8 |
Unidentified |
|
» |
Power on normal operation |
JP1 |
Pins 2 & 3 closed |
|
|
Power on test |
JP1 |
Pins 1 & 2 closed |
|
» |
Password disabled |
SW1/3 |
On |
|
|
Password enabled |
SW1/3 |
Off |
|
» |
BIOS select OEM |
SW1/4 |
Off |
|
|
BIOS select Acer |
SW1/4 |
On |
|
SIMM CONFIGURATION |
|||
|
Size |
Bank 0 |
Bank 1 |
Bank 2 |
|
8MB |
(2) 1M x 36 |
None |
None |
|
16MB |
(2) 1M x 36 |
(2) 1M x 36 |
None |
|
16MB |
(2) 2M x 36 |
None |
None |
|
24MB |
(2) 2M x 36 |
(2) 1M x 36 |
None |
|
24MB |
(2) 1M x 36 |
(2) 1M x 36 |
(2) 1M x 36 |
|
32MB |
(2) 4M x 36 |
None |
None |
|
32MB |
(2) 2M x 36 |
(2) 2M x 36 |
None |
|
40MB |
(2) 4M x 36 |
(2) 1M x 36 |
None |
|
48MB |
(2) 4M x 36 |
(2) 2M x 36 |
None |
|
48MB |
(2) 4M x 36 |
(2) 1M x 36 |
(2) 1M x 36 |
|
56MB |
(2) 4M x 36 |
(2) 2M x 36 |
(2) 1M x 36 |
|
64MB |
(2) 8M x 36 |
None |
None |
|
64MB |
(2) 4M x 36 |
(2) 4M x 36 |
None |
|
80MB |
(2) 8M x 36 |
(2) 2M x 36 |
None |
|
SIMM CONFIGURATION (CON'T) |
|||
|
Size |
Bank 0 |
Bank 1 |
Bank 2 |
|
80MB |
(2) 8M x 36 |
(2) 1M x 36 |
(2) 1M x 36 |
|
88MB |
(2) 8M x 36 |
(2) 2M x 36 |
(2) 1M x 36 |
|
96MB |
(2) 8M x 36 |
(2) 4M x 36 |
None |
|
96MB |
(2) 4M x 36 |
(2) 4M x 36 |
(2) 4M x 36 |
|
96MB |
(2) 8M x 36 |
(2) 2M x 36 |
(2) 2M x 36 |
|
104MB |
(2) 8M x 36 |
(2) 4M x 36 |
(2) 1M x 36 |
|
112MB |
(2) 8M x 36 |
(2) 4M x 36 |
(2) 2M x 36 |
|
128MB |
(2) 8M x 36 |
(2) 4M x 36 |
(2) 4M x 36 |
|
128MB |
(2) 16M x 36 |
None |
None |
|
128MB |
(2) 8M x 36 |
(2) 8M x 36 |
None |
|
136MB |
(2) 8M x 36 |
(2) 8M x 36 |
(2) 1M x 36 |
|
136MB |
(2) 16M x 36 |
(2) 1M x 36 |
None |
|
144MB |
(2) 16M x 36 |
(2) 2M x 36 |
None |
|
144MB |
(2) 16M x 36 |
(2) 1M x 36 |
(2) 1M x 36 |
|
152MB |
(2) 16M x 36 |
(2) 2M x 36 |
(2) 1M x 36 |
|
160MB |
(2) 16M x 36 |
(2) 4M x 36 |
None |
|
160MB |
(2) 16M x 36 |
(2) 2M x 36 |
(2) 2M x 36 |
|
168MB |
(2) 16M x 36 |
(2) 4M x 36 |
(2) 1M x 36 |
|
176MB |
(2) 16M x 36 |
(2) 4M x 36 |
(2) 2M x 36 |
|
192MB |
(2) 16M x 36 |
(2) 8M x 36 |
None |
|
192MB |
(2) 16M x 36 |
(2) 4M x 36 |
(2) 4M x 36 |
|
200MB |
(2) 16M x 36 |
(2) 8M x 36 |
(2) 1M x 36 |
|
208MB |
(2) 16M x 36 |
(2) 8M x 36 |
(2) 2M x 36 |
|
224MB |
(2) 16M x 36 |
(2) 8M x 36 |
(2) 4M x 36 |
|
256MB |
(2) 16M x 36 |
(2) 16M x 36 |
None |
|
256MB |
(2) 16M x 36 |
(2) 8M x 36 |
(2) 8M x 36 |
|
264MB |
(2) 16M x 36 |
(2) 16M x 36 |
(2) 1M x 36 |
|
272MB |
(2) 16M x 36 |
(2) 16M x 36 |
(2) 2M x 36 |
|
288MB |
(2) 16M x 36 |
(2) 16M x 36 |
(2) 4M x 36 |
|
320MB |
(2) 16M x 36 |
(2) 16M x 36 |
(2) 8M x 36 |
|
384MB |
(2) 16M x 36 |
(2) 16M x 36 |
(2) 16M x 36 |
|
Note: Board accepts EDO memory. |
|||
|
CACHE CONFIGURATION |
|
Note: 256KB/512KB cache is located on the Pentium II/Pentium Pro CPU. |
|
CPU FREQUENCY SELECTION |
|||
|
Host clock |
PCI clock |
SW1/1 |
SW1/2 |
|
60MHz |
30MHz |
Off |
On |
|
» 66MHz |
33MHz |
On |
Off |
|
XIN/2 |
XIN/4 |
Off |
Off |
|
CPU TYPE SELECTION |
|||
|
Type |
JP3 |
JP4 |
JP5 |
|
Pentium II |
Pins 2 & 3 closed |
Pins 2 & 3 closed |
Pins 3 & 5, 4 & 6 closed |
|
Pentium Pro |
Pins 1 & 2 closed |
Pins 1 & 2 closed |
Pins 1 & 3, 2 & 4 closed |
|
CPU CORE/BUS RATIO SELECTION |
||||
|
Core/bus ratio |
SW1/5 |
SW1/6 |
SW1/7 |
SW1/8 |
|
1.5 |
Off |
Off |
On |
Off |
|
2 |
On |
On |
On |
On |
|
2 |
Off |
Off |
Off |
Off |
|
2.5 |
On |
Off |
On |
On |
|
3 |
On |
On |
Off |
On |
|
3.5 |
On |
Off |
Off |
On |
|
4 |
On |
On |
On |
Off |
|
4.5 |
On |
Off |
On |
Off |
|
5 |
On |
On |
Off |
Off |
|
5.5 |
On |
Off |
Off |
Off |
|
6 |
Off |
On |
On |
On |
|
6.5 |
Off |
Off |
On |
On |
|
7 |
Off |
On |
Off |
On |
|
7.5 |
Off |
Off |
Off |
On |
|
8 |
Off |
On |
On |
Off |
|
BIOS SELECTION |
|
|
Type |
JP6 |
|
EPROM |
Pins 1 & 2 closed |
|
Flash EEROM & 28F001 |
Pins 2 & 3 closed |
|
» 29EE010/020 |
Open |