ACER, INC.
AX5TC
|
Device Type |
Mainboard |
|
Processor |
CX 6X86/CX 6X86L/CX 686MX/AM K5/AM K6/IDT/Pentium/Pentium MMX |
|
Processor Speed |
90/100/120/133/150/166/180/200/233/266/300MHz |
|
Chip Set |
Intel |
|
Video Chip Set |
None |
|
Maximum Onboard Memory |
256MB (EDO & SDRAM supported) |
|
Maximum Video Memory |
None |
|
Cache |
512KB |
|
BIOS |
Award |
|
Dimensions |
305mm x 208mm |
|
I/O Options |
32-bit PCI slots (4), floppy drive interface, green PC connector, IDE interfaces (2), parallel port, PS/2 mouse port, serial ports (2), IR connector, USB connectors (2), ATX power connector |
|
NPU Options |
None |

|
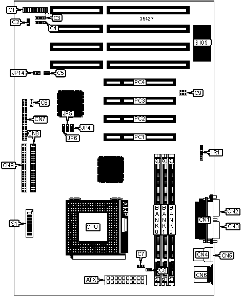
CONNECTIONS |
|||
|
Purpose |
Location |
Purpose |
Location |
|
ATX power connector |
ATX |
Parallel port |
CN1 |
|
Power LED & keylock |
C1/pins 1 - 5 |
Serial port 2 |
CN2 |
|
Speaker |
C1/pins 7 - 10 |
Serial port 1 |
CN3 |
|
Reset switch |
C1/pins 19 & 20 |
USB connector 1 |
CN4 |
|
Wake on LAN connector |
C2 |
USB connector 2 |
CN5 |
|
Wake on modem connector |
C3 |
PS/2 mouse port |
CN6 |
|
IDE interface LED |
C4 |
Floppy drive interface |
CN7 |
|
Soft off power supply |
C5 |
IDE interface 2 |
CN8 |
|
Chassis fan power |
C6 |
IDE interface 1 |
CN9 |
|
Chassis fan power |
C7 |
IR connector |
IR1 |
|
Chassis fan power |
C8 |
32-bit PCI slots |
PC1 - PC4 |
|
SB link connector |
C9 |
|
|
|
USER CONFIGURABLE SETTINGS |
|||
|
Function |
Label |
Position |
|
|
» |
CMOS memory normal operation |
JP14 |
Pins 1 & 2 closed |
|
|
CMOS memory clear |
JP14 |
Pins 2 & 3 closed |
|
DIMM CONFIGURATION |
|||
|
Size |
Bank 0 |
Bank 1 |
Bank 2 |
|
8MB |
(1) 1M x 64 |
None |
None |
|
16MB |
(1) 2M x 64 |
None |
None |
|
16MB |
(1) 1M x 64 |
(1) 1M x 64 |
None |
|
24MB |
(1) 2M x 64 |
(1) 1M x 64 |
None |
|
24MB |
(1) 1M x 64 |
(1) 1M x 64 |
(1) 1M x 64 |
|
32MB |
(1) 4M x 64 |
None |
None |
|
32MB |
(1) 2M x 64 |
(1) 1M x 64 |
(1) 1M x 64 |
|
32MB |
(1) 2M x 64 |
(1) 2M x 64 |
None |
|
40MB |
(1) 4M x 64 |
(1) 1M x 64 |
None |
|
40MB |
(1) 2M x 64 |
(1) 2M x 64 |
(1) 1M x 64 |
|
48MB |
(1) 4M x 64 |
(1) 1M x 64 |
(1) 1M x 64 |
|
48MB |
(1) 4M x 64 |
(1) 2M x 64 |
None |
|
48MB |
(1) 2M x 64 |
(1) 2M x 64 |
(1) 2M x 64 |
|
56MB |
(1) 4M x 64 |
(1) 2M x 64 |
(1) 1M x 64 |
|
64MB |
(1) 8M x 64 |
None |
None |
|
64MB |
(1) 4M x 64 |
(1) 2M x 64 |
(1) 2M x 64 |
|
64MB |
(1) 4M x 64 |
(1) 4M x 64 |
None |
|
DIMM CONFIGURATION (CON'T) |
|||
|
Size |
Bank 0 |
Bank 1 |
Bank 2 |
|
72MB |
(1) 8M x 64 |
(1) 1M x 64 |
None |
|
72MB |
(1) 4M x 64 |
(1) 4M x 64 |
(1) 1M x 64 |
|
80MB |
(1) 8M x 64 |
(1) 1M x 64 |
(1) 1M x 64 |
|
80MB |
(1) 8M x 64 |
(1) 2M x 64 |
None |
|
80MB |
(1) 4M x 64 |
(1) 4M x 64 |
(1) 2M x 64 |
|
88MB |
(1) 8M x 64 |
(1) 2M x 64 |
(1) 1M x 64 |
|
96MB |
(1) 8M x 64 |
(1) 2M x 64 |
(1) 2M x 64 |
|
96MB |
(1) 8M x 64 |
(1) 4M x 64 |
None |
|
96MB |
(1) 4M x 64 |
(1) 4M x 64 |
(1) 4M x 64 |
|
104MB |
(1) 8M x 64 |
(1) 4M x 64 |
(1) 1M x 64 |
|
112MB |
(1) 8M x 64 |
(1) 4M x 64 |
(1) 2M x 64 |
|
128MB |
(1) 16M x 64 |
None |
None |
|
128MB |
(1) 8M x 64 |
(1) 4M x 64 |
(1) 4M x 64 |
|
128MB |
(1) 8M x 64 |
(1) 8M x 64 |
None |
|
136MB |
(1) 16M x 64 |
(1) 1M x 64 |
None |
|
136MB |
(1) 8M x 64 |
(1) 8M x 64 |
(1) 1M x 64 |
|
144MB |
(1) 16M x 64 |
(1) 1M x 64 |
(1) 1M x 64 |
|
144MB |
(1) 16M x 64 |
(1) 2M x 64 |
None |
|
144MB |
(1) 8M x 64 |
(1) 8M x 64 |
(1) 2M x 64 |
|
152MB |
(1) 16M x 64 |
(1) 2M x 64 |
(1) 1M x 64 |
|
160MB |
(1) 16M x 64 |
(1) 2M x 64 |
(1) 2M x 64 |
|
160MB |
(1) 16M x 64 |
(1) 4M x 64 |
None |
|
160MB |
(1) 8M x 64 |
(1) 8M x 64 |
(1) 4M x 64 |
|
168MB |
(1) 16M x 64 |
(1) 4M x 64 |
(1) 1M x 64 |
|
176MB |
(1) 16M x 64 |
(1) 4M x 64 |
(1) 2M x 64 |
|
192MB |
(1) 16M x 64 |
(1) 4M x 64 |
(1) 4M x 64 |
|
192MB |
(1) 16M x 64 |
(1) 8M x 64 |
None |
|
192MB |
(1) 8M x 64 |
(1) 8M x 64 |
(1) 8M x 64 |
|
200MB |
(1) 16M x 64 |
(1) 8M x 64 |
(1) 1M x 64 |
|
208MB |
(1) 16M x 64 |
(1) 8M x 64 |
(1) 2M x 64 |
|
224MB |
(1) 16M x 64 |
(1) 8M x 64 |
(1) 4M x 64 |
|
256MB |
(1) 16M x 64 |
(1) 8M x 64 |
(1) 8M x 64 |
Note: Board accepts EDO & SDRAM memory. |
|||
|
CACHE CONFIGURATION |
|
Note: The location of the cache is unidentified. |
|
CPU SPEED SELECTION (CX 6X86) |
||||||||
|
CPU speed |
Clock speed |
Multiplier |
S1/1 |
S1/2 |
S1/3 |
JP4 |
JP5 |
JP6 |
|
150MHz |
60MHz |
2x |
On |
Off |
Off |
2 & 3 |
1 & 2 |
1 & 2 |
|
166MHz |
66MHz |
2x |
On |
Off |
Off |
1 & 2 |
1 & 2 |
1 & 2 |
|
200MHz |
75MHz |
2x |
On |
Off |
Off |
1 & 2 |
2 & 3 |
1 & 2 |
|
Note: Pins designated should be in the closed position. |
||||||||
|
CPU SPEED SELECTION (CX 6X86L) |
||||||||
|
CPU speed |
Clock speed |
Multiplier |
S1/1 |
S1/2 |
S1/3 |
JP4 |
JP5 |
JP6 |
|
150MHz |
60MHz |
2x |
On |
Off |
Off |
2 & 3 |
1 & 2 |
1 & 2 |
|
166MHz |
66MHz |
2x |
On |
Off |
Off |
1 & 2 |
1 & 2 |
1 & 2 |
|
200MHz |
75MHz |
2x |
On |
Off |
Off |
1 & 2 |
2 & 3 |
1 & 2 |
|
Note: Pins designated should be in the closed position. |
||||||||
|
CPU SPEED SELECTION (CX 6X86MX) |
||||||||
|
CPU speed |
Clock speed |
Multiplier |
S1/1 |
S1/2 |
S1/3 |
JP4 |
JP5 |
JP6 |
|
166MHz |
60MHz |
2.5x |
On |
On |
Off |
2 & 3 |
1 & 2 |
1 & 2 |
|
200MHz |
66MHz |
2.5x |
On |
On |
Off |
1 & 2 |
1 & 2 |
1 & 2 |
|
200MHz |
75MHz |
2x |
On |
Off |
Off |
1 & 2 |
2 & 3 |
1 & 2 |
|
233MHz |
66MHz |
3x |
Off |
On |
Off |
1 & 2 |
1 & 2 |
1 & 2 |
|
233MHz |
83MHz |
2x |
On |
Off |
Off |
2 & 3 |
1 & 2 |
2 & 3 |
|
266MHz |
66MHz |
3.5x |
Off |
Off |
Off |
1 & 2 |
1 & 2 |
1 & 2 |
|
Note: Pins designated should be in the closed position. |
||||||||
|
CPU SPEED SELECTION (AM K5) |
||||||||
|
CPU speed |
Clock speed |
Multiplier |
S1/1 |
S1/2 |
S1/3 |
JP4 |
JP5 |
JP6 |
|
90MHz |
60MHz |
1.5x |
Off |
Off |
Off |
2 & 3 |
1 & 2 |
1 & 2 |
|
100MHz |
66MHz |
1.5x |
Off |
Off |
Off |
1 & 2 |
1 & 2 |
1 & 2 |
|
120MHz |
60MHz |
1.5x |
Off |
Off |
Off |
2 & 3 |
1 & 2 |
1 & 2 |
|
133MHz |
66MHz |
1.5x |
Off |
Off |
Off |
1 & 2 |
1 & 2 |
1 & 2 |
|
166MHz |
66MHz |
1.75x |
On |
On |
Off |
1 & 2 |
1 & 2 |
1 & 2 |
|
Note: Pins designated should be in the closed position. |
||||||||
|
CPU SPEED SELECTION (AM K6) |
||||||||
|
CPU speed |
Clock speed |
Multiplier |
S1/1 |
S1/2 |
S1/3 |
JP4 |
JP5 |
JP6 |
|
166MHz |
66MHz |
2.5x |
On |
On |
Off |
1 & 2 |
1 & 2 |
1 & 2 |
|
200MHz |
66MHz |
3x |
Off |
On |
Off |
1 & 2 |
1 & 2 |
1 & 2 |
|
233MHz |
66MHz |
3.5x |
Off |
Off |
Off |
1 & 2 |
1 & 2 |
1 & 2 |
|
266MHz |
66MHz |
4x |
On |
Off |
On |
1 & 2 |
1 & 2 |
1 & 2 |
|
300MHz |
66MHz |
4.5x |
On |
On |
On |
1 & 2 |
1 & 2 |
1 & 2 |
|
Note: Pins designated should be in the closed position. |
||||||||
|
CPU SPEED SELECTION (IDT C6) |
||||||||
|
CPU speed |
Clock speed |
Multiplier |
S1/1 |
S1/2 |
S1/3 |
JP4 |
JP5 |
JP6 |
|
150MHz |
75MHz |
2x |
On |
Off |
Off |
1 & 2 |
2 & 3 |
1 & 2 |
|
180MHz |
60MHz |
3x |
Off |
On |
Off |
2 & 3 |
1 & 2 |
1 & 2 |
|
200MHz |
66MHz |
3x |
Off |
On |
Off |
1 & 2 |
1 & 2 |
1 & 2 |
|
Note: Pins designated should be in the closed position. |
||||||||
|
CPU SPEED SELECTION (INTEL) |
||||||||
|
CPU speed |
Clock speed |
Multiplier |
S1/1 |
S1/2 |
S1/3 |
JP4 |
JP5 |
JP6 |
|
90MHz |
60MHz |
1.5x |
Off |
Off |
Off |
2 & 3 |
1 & 2 |
1 & 2 |
|
100MHz |
66MHz |
1.5x |
Off |
Off |
Off |
1 & 2 |
1 & 2 |
1 & 2 |
|
120MHz |
60MHz |
2x |
On |
Off |
Off |
2 & 3 |
1 & 2 |
1 & 2 |
|
133MHz |
66MHz |
2x |
On |
Off |
Off |
1 & 2 |
1 & 2 |
1 & 2 |
|
150MHz |
60MHz |
2.5x |
On |
On |
Off |
2 & 3 |
1 & 2 |
1 & 2 |
|
166MHz |
66MHz |
2.5x |
On |
On |
Off |
1 & 2 |
1 & 2 |
1 & 2 |
|
200MHz |
66MHz |
3x |
Off |
On |
Off |
1 & 2 |
1 & 2 |
1 & 2 |
|
Note: Pins designated should be in the closed position. |
||||||||
|
CPU SPEED SELECTION (INTEL MMX) |
||||||||
|
CPU speed |
Clock speed |
Multiplier |
S1/1 |
S1/2 |
S1/3 |
JP4 |
JP5 |
JP6 |
|
150MHz |
60MHz |
2.5x |
On |
On |
Off |
2 & 3 |
1 & 2 |
1 & 2 |
|
166MHz |
66MHz |
2.5x |
On |
On |
Off |
1 & 2 |
1 & 2 |
1 & 2 |
|
200MHz |
66MHz |
3x |
Off |
On |
Off |
1 & 2 |
1 & 2 |
1 & 2 |
|
233MHz |
66MHz |
3.5x |
Off |
Off |
Off |
1 & 2 |
1 & 2 |
1 & 2 |
|
Note: Pins designated should be in the closed position. |
||||||||
|
CPU VOLTAGE SELECTION |
|||||
|
Voltage |
S1/4 |
S1/5 |
S1/6 |
S1/7 |
S1/8 |
|
1.30v |
Off |
Off |
Off |
Off |
On |
|
1.35v |
On |
Off |
Off |
Off |
On |
|
1.40v |
Off |
On |
Off |
Off |
On |
|
1.45v |
On |
On |
Off |
Off |
On |
|
1.50v |
Off |
Off |
On |
Off |
On |
|
1.55v |
On |
Off |
On |
Off |
On |
|
1.60v |
Off |
On |
On |
Off |
On |
|
1.65v |
On |
On |
On |
Off |
On |
|
1.70v |
Off |
Off |
Off |
On |
On |
|
1.75v |
On |
Off |
Off |
On |
On |
|
1.80v |
Off |
On |
Off |
On |
On |
|
1.85v |
On |
On |
Off |
On |
On |
|
1.90v |
Off |
Off |
On |
On |
On |
|
1.95v |
On |
Off |
On |
On |
On |
|
2.00v |
Off |
On |
On |
On |
On |
|
2.05v |
On |
On |
On |
On |
On |
|
2.0v |
Off |
Off |
Off |
Off |
Off |
|
2.1v |
On |
Off |
Off |
Off |
Off |
|
2.2v |
Off |
On |
Off |
Off |
Off |
|
2.3v |
On |
On |
Off |
Off |
Off |
|
2.4v |
Off |
Off |
On |
Off |
Off |
|
2.5v |
On |
Off |
On |
Off |
Off |
|
2.6v |
Off |
On |
On |
Off |
Off |
|
2.7v |
On |
On |
On |
Off |
Off |
|
2.8v |
Off |
Off |
Off |
On |
Off |
|
2.9v |
On |
Off |
Off |
On |
Off |
|
3.0v |
Off |
On |
Off |
On |
Off |
|
3.1v |
On |
On |
Off |
On |
Off |
|
3.2v |
Off |
Off |
On |
On |
Off |
|
3.3v |
On |
Off |
On |
On |
Off |
|
3.4v |
Off |
On |
On |
On |
Off |
|
3.5v |
On |
On |
On |
On |
Off |