DIAMOND FLOWER, INC.
586IXTD (REV. D+)
|
Device Type |
Mainboard |
|
Processor |
CX 6X86L/IBM 6X86L/CX 686MX/IBM 6X86MX/AM K5/AM K6/Pentium |
|
Processor Speed |
90/100/120/133/150/166/200/233MHz |
|
Chip Set |
Intel |
|
Video Chip Set |
None |
|
Maximum Onboard Memory |
256MB (EDO & SDRAM supported) |
|
Maximum Video Memory |
None |
|
Cache |
512KB |
|
BIOS |
Award |
|
Dimensions |
305mm x 244mm |
|
I/O Options |
32-bit PCI slots (4), floppy drive interface, green PC connector, IDE interfaces (2), parallel port, PS/2 mouse port, serial ports (2), IR connector, USB connectors (2), ATX power connector |
|
NPU Options |
None |
|
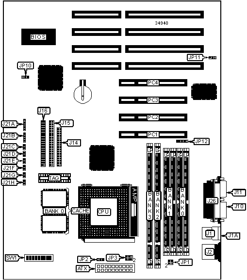
CONNECTIONS | |||
|
Purpose |
Location |
Purpose |
Location |
|
ATX power connector |
ATX |
Reset switch |
J21C |
|
USB connector 1 |
J1 |
Green PC connector |
J21D |
|
USB connector 2 |
J1A |
Soft off power supply |
J21E |
|
PS/2 mouse port |
J2 |
Green PC LED |
J21F |
|
Serial port 2 |
J10 |
IDE interface LED |
J21G |
|
Serial port 1 |
J11 |
ATX power supply LED |
J21H |
|
Floppy drive interface |
J14 |
Parallel port |
J26 |
|
IDE interface 2 |
J15 |
CPU fan power |
JP2 |
|
IDE interface 1 |
J16 |
IR connector |
JP12 |
|
Power LED & keylock |
J21A |
32-bit PCI slots |
PC1 - PC4 |
|
Speaker |
J21B | ||
|
USER CONFIGURABLE SETTINGS | |||
|
Function |
Label |
Position | |
|
» |
Factory configured - do not alter |
JP1 |
Pins 1 & 2 closed |
|
» |
CMOS memory normal operation |
JP10 |
Pins 2 & 3 closed |
|
CMOS memory clear |
JP10 |
Pins 1 & 2 closed | |
|
SIMM CONFIGURATION | ||
|
Size |
Bank 0 |
Bank 1 |
|
8MB |
(2) 1M x 36 |
None |
|
16MB |
(2) 2M x 36 |
None |
|
16MB |
(2) 1M x 36 |
(2) 1M x 36 |
|
24MB |
(2) 2M x 36 |
(2) 1M x 36 |
|
32MB |
(2) 4M x 36 |
None |
|
32MB |
(2) 2M x 36 |
(2) 2M x 36 |
|
40MB |
(2) 4M x 36 |
(2) 1M x 36 |
|
48MB |
(2) 4M x 36 |
(2) 2M x 36 |
|
64MB |
(2) 8M x 36 |
None |
|
64MB |
(2) 4M x 36 |
(2) 4M x 36 |
|
72MB |
(2) 8M x 36 |
(2) 1M x 36 |
|
80MB |
(2) 8M x 36 |
(2) 2M x 36 |
|
96MB |
(2) 8M x 36 |
(2) 4M x 36 |
|
128MB |
(2) 8M x 36 |
(2) 8M x 36 |
|
128MB |
(2) 16M x 36 |
None |
|
136MB |
(2) 16M x 36 |
(2) 1M x 36 |
|
SIMM CONFIGURATION (CON’T) | ||
|
Size |
Bank 0 |
Bank 1 |
|
144MB |
(2) 16M x 36 |
(2) 2M x 36 |
|
160MB |
(2) 16M x 36 |
(2) 4M x 36 |
|
192MB |
(2) 16M x 36 |
(2) 8M x 36 |
|
256MB |
(2) 16M x 36 |
(2) 16M x 36 |
|
Note: Board accepts EDO memory. | ||
|
DIMM CONFIGURATION | ||
|
Size |
Bank 2 |
Bank 3 |
|
8MB |
(1) 1M x 64 |
None |
|
16MB |
(1) 2M x 64 |
None |
|
16MB |
(1) 1M x 64 |
(1) 1M x 64 |
|
24MB |
(1) 2M x 64 |
(1) 1M x 64 |
|
32MB |
(1) 4M x 64 |
None |
|
32MB |
(1) 2M x 64 |
(1) 2M x 64 |
|
40MB |
(1) 4M x 64 |
(1) 1M x 64 |
|
48MB |
(1) 4M x 64 |
(1) 2M x 64 |
|
64MB |
(1) 8M x 64 |
None |
|
64MB |
(1) 4M x 64 |
(1) 4M x 64 |
|
72MB |
(1) 8M x 64 |
(1) 1M x 64 |
|
80MB |
(1) 8M x 64 |
(1) 2M x 64 |
|
96MB |
(1) 8M x 64 |
(1) 4M x 64 |
|
128MB |
(1) 16M x 64 |
None |
|
128MB |
(1) 8M x 64 |
(1) 8M x 64 |
|
136MB |
(1) 16M x 64 |
(1) 1M x 64 |
|
144MB |
(1) 16M x 64 |
(1) 2M x 64 |
|
160MB |
(1) 16M x 64 |
(1) 4M x 64 |
|
192MB |
(1) 16M x 64 |
(1) 8M x 64 |
|
256MB |
(1) 16M x 64 |
(1) 16M x 64 |
|
Note: Board accepts SDRAM memory. | ||
|
CACHE CONFIGURATION | ||
|
Size |
Bank 0 |
TAG |
|
512KB |
(2) 64K x 32 |
Unidentified |
|
CPU SPEED SELECTION (CX 6X86L) | |||||||
|
CPU speed |
Clock speed |
Multiplier |
JP3 |
SW1/1 |
SW1/2 |
SW1/3 |
SW1/4 |
|
150MHz |
60MHz |
2x |
3 & 4 |
On |
Off |
On |
Off |
|
166MHz |
66MHz |
2x |
3 & 4 |
Off |
Off |
On |
Off |
|
200MHz |
75MHz |
2x |
3 & 4 |
Off |
On |
On |
Off |
|
Note: Pins designated should be in the closed position. | |||||||
|
CPU SPEED SELECTION (CX 6X86L, CON’T) | |||||||
|
CPU speed |
Clock speed |
Multiplier |
SW1/5 |
SW1/6 |
SW1/7 |
SW1/8 |
SW1/9 |
|
150MHz |
60MHz |
2x |
Off |
On |
Off |
Off |
On |
|
166MHz |
66MHz |
2x |
Off |
On |
Off |
Off |
On |
|
200MHz |
75MHz |
2x |
Off |
On |
Off |
Off |
On |
|
CPU SPEED SELECTION (IBM 6X86L) | |||||||
|
CPU speed |
Clock speed |
Multiplier |
JP3 |
SW1/1 |
SW1/2 |
SW1/3 |
SW1/4 |
|
150MHz |
60MHz |
2x |
3 & 4 |
On |
Off |
On |
Off |
|
166MHz |
66MHz |
2x |
3 & 4 |
Off |
Off |
On |
Off |
|
200MHz |
75MHz |
2x |
3 & 4 |
Off |
On |
On |
Off |
|
Note: Pins designated should be in the closed position. | |||||||
|
CPU SPEED SELECTION (IBM 6X86L, CON’T) | |||||||
|
CPU speed |
Clock speed |
Multiplier |
SW1/5 |
SW1/6 |
SW1/7 |
SW1/8 |
SW1/9 |
|
150MHz |
60MHz |
2x |
Off |
On |
Off |
Off |
On |
|
166MHz |
66MHz |
2x |
Off |
On |
Off |
Off |
On |
|
200MHz |
75MHz |
2x |
Off |
On |
Off |
Off |
On |
|
CPU SPEED SELECTION (CX 6X86MX) | |||||||
|
CPU speed |
Clock speed |
Multiplier |
JP3 |
SW1/1 |
SW1/2 |
SW1/3 |
SW1/4 |
|
166MHz |
60MHz |
2x |
3 & 4 |
On |
Off |
On |
On |
|
200MHz |
66MHz |
2x |
3 & 4 |
Off |
Off |
On |
On |
|
200MHz |
75MHz |
2x |
3 & 4 |
Off |
On |
On |
Off |
|
Note: Pins designated should be in the closed position. | |||||||
|
CPU SPEED SELECTION (CX 6X86MX, CON’T) | |||||||
|
CPU speed |
Clock speed |
Multiplier |
SW1/5 |
SW1/6 |
SW1/7 |
SW1/8 |
SW1/9 |
|
166MHz |
60MHz |
2x |
Off |
On |
Off |
Off |
On |
|
200MHz |
66MHz |
2x |
Off |
On |
Off |
Off |
On |
|
200MHz |
75MHz |
2x |
Off |
On |
Off |
Off |
On |
|
CPU SPEED SELECTION (IBM 6X86MX) | |||||||
|
CPU speed |
Clock speed |
Multiplier |
JP3 |
SW1/1 |
SW1/2 |
SW1/3 |
SW1/4 |
|
166MHz |
60MHz |
2x |
3 & 4 |
On |
Off |
On |
On |
|
200MHz |
66MHz |
2x |
3 & 4 |
On |
On |
Off |
Off |
|
200MHz |
75MHz |
2x |
3 & 4 |
Off |
On |
On |
Off |
|
Note: Pins designated should be in the closed position. | |||||||
|
CPU SPEED SELECTION (IBM 6X86MX, CON’T) | |||||||
|
CPU speed |
Clock speed |
Multiplier |
SW1/5 |
SW1/6 |
SW1/7 |
SW1/8 |
SW1/9 |
|
166MHz |
60MHz |
2x |
Off |
On |
Off |
Off |
On |
|
200MHz |
66MHz |
2x |
Off |
On |
Off |
Off |
On |
|
200MHz |
75MHz |
2x |
Off |
On |
Off |
Off |
On |
|
Note: Pins designated should be in the closed position. | |||||||
|
CPU SPEED SELECTION (AM K5) | |||||||
|
CPU speed |
Clock speed |
Multiplier |
JP3 |
SW1/1 |
SW1/2 |
SW1/3 |
SW1/4 |
|
90MHz |
60MHz |
1.5x |
5 & 6 |
On |
Off |
Off |
Off |
|
100MHz |
66MHz |
1.5x |
5 & 6 |
Off |
Off |
Off |
Off |
|
120MHz |
60MHz |
2x |
5 & 6 |
On |
Off |
Off |
Off |
|
133MHz |
66MHz |
2x |
5 & 6 |
Off |
Off |
Off |
Off |
|
166MHz |
66MHz |
2.5x |
5 & 6 |
Off |
Off |
On |
On |
|
Note: Pins designated should be in the closed position. | |||||||
|
CPU SPEED SELECTION (AM K5, CON’T) | |||||||
|
CPU speed |
Clock speed |
Multiplier |
SW1/5 |
SW1/6 |
SW1/7 |
SW1/8 |
SW1/9 |
|
90MHz |
60MHz |
1.5x |
Off |
On |
On |
On |
On |
|
100MHz |
66MHz |
1.5x |
Off |
On |
On |
On |
On |
|
120MHz |
60MHz |
2x |
Off |
On |
On |
On |
On |
|
133MHz |
66MHz |
2x |
Off |
On |
On |
On |
On |
|
166MHz |
66MHz |
2.5x |
Off |
On |
On |
On |
On |
|
Note: Pins designated should be in the closed position. | |||||||
|
CPU SPEED SELECTION (AM K6) | |||||||
|
CPU speed |
Clock speed |
Multiplier |
JP3 |
SW1/1 |
SW1/2 |
SW1/3 |
SW1/4 |
|
166MHz |
66MHz |
2.5x |
3 & 4 |
Off |
Off |
On |
On |
|
200MHz |
66MHz |
3x |
3 & 4 |
Off |
Off |
Off |
On |
|
233MHz A |
66MHz |
3.5x |
3 & 4 |
Off |
Off |
Off |
Off |
|
233MHz B |
66MHz |
3.5x |
3 & 4 |
Off |
Off |
Off |
Off |
|
233MHz C |
66MHz |
3.5x |
3 & 4 |
Off |
Off |
Off |
Off |
|
266MHz D |
66MHz |
4x |
3 & 4 |
Off |
Off |
On |
Off |
|
266MHz E |
66MHz |
4x |
3 & 4 |
Off |
Off |
On |
Off |
|
Note: Pins designated should be in the closed position. A = 3.2v, B = 2.2v, C = 2.1v, D = 2.2v, E = 2.1v. | |||||||
|
CPU SPEED SELECTION (AM K6, CON’T) | |||||||
|
CPU speed |
Clock speed |
Multiplier |
SW1/5 |
SW1/6 |
SW1/7 |
SW1/8 |
SW1/9 |
|
166MHz |
66MHz |
2.5x |
Off |
On |
Off |
Off |
On |
|
200MHz |
66MHz |
3x |
Off |
On |
Off |
Off |
On |
|
233MHz A |
66MHz |
3.5x |
Off |
Off |
Off |
On |
On |
|
233MHz B |
66MHz |
3.5x |
Off |
Off |
On |
Off |
Off |
|
233MHz C |
66MHz |
3.5x |
Off |
On |
Off |
Off |
Off |
|
266MHz D |
66MHz |
4x |
On |
Off |
On |
Off |
Off |
|
266MHz E |
66MHz |
4x |
On |
On |
Off |
Off |
Off |
|
CPU SPEED SELECTION (INTEL) | |||||||
|
CPU speed |
Clock speed |
Multiplier |
JP3 |
SW1/1 |
SW1/2 |
SW1/3 |
SW1/4 |
|
90MHz |
60MHz |
1.5x |
5 & 6 |
On |
Off |
Off |
Off |
|
100MHz |
66MHz |
1.5x |
5 & 6 |
Off |
Off |
Off |
Off |
|
120MHz |
60MHz |
2x |
5 & 6 |
On |
Off |
On |
Off |
|
133MHz |
66MHz |
2x |
5 & 6 |
Off |
Off |
On |
Off |
|
150MHz |
60MHz |
2.5x |
5 & 6 |
On |
Off |
On |
On |
|
166MHz |
66MHz |
2.5x |
5 & 6 |
Off |
Off |
On |
On |
|
200MHz |
66MHz |
3x |
5 & 6 |
Off |
Off |
Off |
On |
|
Note: Pins designated should be in the closed position. | |||||||
|
CPU SPEED SELECTION (INTEL, CON’T) | |||||||
|
CPU speed |
Clock speed |
Multiplier |
SW1/5 |
SW1/6 |
SW1/7 |
SW1/8 |
SW1/9 |
|
90MHz |
60MHz |
1.5x |
Off |
On |
On |
On |
On |
|
100MHz |
66MHz |
1.5x |
Off |
On |
On |
On |
On |
|
120MHz |
60MHz |
2x |
Off |
On |
On |
On |
On |
|
133MHz |
66MHz |
2x |
Off |
On |
On |
On |
On |
|
150MHz |
60MHz |
2.5x |
Off |
On |
On |
On |
On |
|
166MHz |
66MHz |
2.5x |
Off |
On |
On |
On |
On |
|
200MHz |
66MHz |
3x |
Off |
On |
On |
On |
On |
|
CPU SPEED SELECTION (INTEL MMX) | |||||||
|
CPU speed |
Clock speed |
Multiplier |
JP3 |
SW1/1 |
SW1/2 |
SW1/3 |
SW1/4 |
|
166MHz |
66MHz |
2.5x |
3 & 4 |
Off |
Off |
On |
On |
|
200MHz |
66MHz |
3x |
3 & 4 |
Off |
Off |
Off |
On |
|
233MHz |
66MHz |
3.5x |
3 & 4 |
Off |
Off |
Off |
Off |
|
Note: Pins designated should be in the closed position. | |||||||
|
CPU SPEED SELECTION (INTEL MMX, CON’T) | |||||||
|
CPU speed |
Clock speed |
Multiplier |
SW1/5 |
SW1/6 |
SW1/7 |
SW1/8 |
SW1/9 |
|
166MHz |
66MHz |
2.5x |
Off |
Off |
Off |
Off |
On |
|
200MHz |
66MHz |
3x |
Off |
Off |
Off |
Off |
On |
|
233MHz |
66MHz |
3.5x |
Off |
Off |
Off |
Off |
On |
|
MODEM ON RING SELECTION | |
|
Setting |
JP11 |
|
On COM1 |
Pins 1 & 2 closed |
|
On COM2 |
Pins 2 & 3 closed |
|
Diabled |
Open |