DIAMOND FLOWER, INC.
586IVX (REV. 2+)
|
Device Type |
Mainboard |
|
Processor |
CX 6X86/AM K5/Pentium/Pentium MMX |
|
Processor Speed |
75/90/100/120/133/150/166/200MHz |
|
Chip Set |
Intel |
|
Video Chip Set |
None |
|
Maximum Onboard Memory |
128MB (EDO supported) |
|
Maximum Video Memory |
None |
|
Cache |
256KB |
|
BIOS |
Award |
|
Dimensions |
305mm x 230mm |
|
I/O Options |
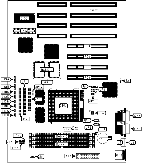
32-bit PCI slots (4), floppy drive interface, green PC connector, IDE interfaces (2), parallel port, PS/2 mouse port, serial ports (2), IR connector, USB connectors (2), ATX power connector |
|
NPU Options |
None |

|
CONNECTIONS |
|||
|
Purpose |
Location |
Purpose |
Location |
|
ATX power connector |
ATX |
IDE interface 2 |
J12 |
|
Serial port 2 |
CN5 |
Power LED & keylock |
J13A |
|
Serial port 1 |
CN6 |
Speaker |
J13B |
|
Parallel port |
CN7 |
Reset switch |
J13C |
|
PS/2 mouse port |
CN8 |
Green PC connector |
J13D |
|
USB connector 1 |
J2 |
Soft off power supply |
J13E |
|
USB connector 2 |
J4 |
Green PC LED |
J13F |
|
IR connector |
J8 |
IDE interface LED |
J13G |
|
Chassis fan power |
J9 |
ATX LED |
J13H |
|
Floppy drive interface |
J10 |
32-bit PCI slots |
PC1 - PC4 |
|
IDE interface 1 |
J11 |
|
|
|
USER CONFIGURABLE SETTINGS |
|||
|
Function |
Label |
Position |
|
|
» |
Factory configured - do not alter |
J3 |
Unidentified |
|
» |
CMOS memory normal operation |
JP1 |
Open |
|
|
CMOS memory clear |
JP1 |
Closed |
|
» |
Password normal operation |
JP13 |
Open |
|
|
Password clear |
JP13 |
Closed |
|
» |
Factory configured - do not alter |
JP14 |
Unidentified |
|
SIMM CONFIGURATION |
||
|
Size |
Bank 0 |
Bank 1 |
|
8MB |
(2) 1M x 36 |
None |
|
16MB |
(2) 2M x 36 |
None |
|
16MB |
(2) 1M x 36 |
(2) 1M x 36 |
|
24MB |
(2) 2M x 36 |
(2) 1M x 36 |
|
32MB |
(2) 4M x 36 |
None |
|
32MB |
(2) 2M x 36 |
(2) 2M x 36 |
|
40MB |
(2) 4M x 36 |
(2) 1M x 36 |
|
48MB |
(2) 4M x 36 |
(2) 2M x 36 |
|
64MB |
(2) 8M x 36 |
None |
|
64MB |
(2) 4M x 36 |
(2) 4M x 36 |
|
72MB |
(2) 8M x 36 |
(2) 1M x 36 |
|
80MB |
(2) 8M x 36 |
(2) 2M x 36 |
|
96MB |
(2) 8M x 36 |
(2) 4M x 36 |
|
128MB |
(2) 8M x 36 |
(2) 8M x 36 |
|
Note: Board accepts EDO memory. |
||
|
CACHE CONFIGURATION |
||
|
Size |
Bank 0 |
TAG |
|
256KB |
(2) 32K x 32 |
Unidentified |
|
CPU SPEED SELECTION (CX 6X86) |
||||||
|
CPU speed |
Clock speed |
Multiplier |
JP5 |
JP10 |
JP11 |
JP12 |
|
120MHz |
50MHz |
2x |
2 & 4, 3 & 5 |
1 & 2 |
1 & 2 |
1 & 2 |
|
133MHz |
55MHz |
2x |
2 & 4, 3 & 5 |
2 & 3 |
1 & 2 |
1 & 2 |
|
150MHz |
60MHz |
2x |
2 & 4, 3 & 5 |
1 & 2 |
2 & 3 |
1 & 2 |
|
166MHz |
66MHz |
2x |
2 & 4, 3 & 5 |
1 & 2 |
1 & 2 |
2 & 3 |
|
Note: Pins designated should be in the closed position. |
||||||
|
CPU SPEED SELECTION (AM K5) |
||||||
|
CPU speed |
Clock speed |
Multiplier |
JP5 |
JP10 |
JP11 |
JP12 |
|
75MHz |
50MHz |
1.5x |
1 & 3, 2 & 4 |
1 & 2 |
1 & 2 |
1 & 2 |
|
90MHz |
60MHz |
1.5x |
1 & 3, 2 & 4 |
1 & 2 |
2 & 3 |
1 & 2 |
|
100MHz |
66MHz |
1.5x |
1 & 3, 2 & 4 |
1 & 2 |
1 & 2 |
2 & 3 |
|
120MHz |
60MHz |
1.5x |
1 & 3, 2 & 4 |
1 & 2 |
2 & 3 |
1 & 2 |
|
133MHz |
66MHz |
1.5x |
1 & 3, 2 & 4 |
1 & 2 |
1 & 2 |
2 & 3 |
|
166MHz |
66MHz |
1.75x |
3 & 5, 4 & 6 |
1 & 2 |
1 & 2 |
2 & 3 |
|
Note: Pins designated should be in the closed position. |
||||||
|
CPU SPEED SELECTION (INTEL) |
||||||
|
CPU speed |
Clock speed |
Multiplier |
JP5 |
JP10 |
JP11 |
JP12 |
|
75MHz |
50MHz |
1.5x |
1 & 3, 2 & 4 |
1 & 2 |
1 & 2 |
1 & 2 |
|
90MHz |
60MHz |
1.5x |
1 & 3, 2 & 4 |
1 & 2 |
2 & 3 |
1 & 2 |
|
100MHz |
66MHz |
1.5x |
1 & 3, 2 & 4 |
1 & 2 |
1 & 2 |
2 & 3 |
|
120MHz |
60MHz |
2x |
2 & 4, 3 & 5 |
1 & 2 |
2 & 3 |
1 & 2 |
|
133MHz |
66MHz |
2x |
2 & 4, 3 & 5 |
1 & 2 |
1 & 2 |
2 & 3 |
|
150MHz |
60MHz |
2.5x |
3 & 5, 4 & 6 |
1 & 2 |
2 & 3 |
1 & 2 |
|
166MHz |
66MHz |
2.5x |
3 & 5, 4 & 6 |
1 & 2 |
1 & 2 |
2 & 3 |
|
200MHz |
66MHz |
3x |
1 & 3, 4 & 6 |
1 & 2 |
1 & 2 |
2 & 3 |
|
Note: Pins designated should be in the closed position. |
||||||
|
CPU SPEED SELECTION (INTEL MMX) |
||||||
|
CPU speed |
Clock speed |
Multiplier |
JP5 |
JP10 |
JP11 |
JP12 |
|
166MHz |
66MHz |
2.5x |
3 & 5, 4 & 6 |
1 & 2 |
1 & 2 |
2 & 3 |
|
200MHz |
66MHz |
3x |
1 & 3, 4 & 6 |
1 & 2 |
1 & 2 |
2 & 3 |
|
Note: Pins designated should be in the closed position. |
||||||
|
CPU VOLTAGE SELECTION |
|||||
|
Voltage |
JP2 |
JP3 |
JP4 |
JP7 |
|
|
|
2.7v |
1 & 3, 2 & 4 |
1 & 2 |
3 & 4 |
Open |
|
|
2.8v |
1 & 3, 2 & 4 |
3 & 4 |
3 & 4 |
Open |
|
|
2.9v |
1 & 3, 2 & 4 |
5 & 6 |
3 & 4 |
Open |
|
» |
3.3v |
3 & 5, 4 & 6 |
3 & 4 |
3 & 4 |
1 & 2, 3 & 4 |
|
|
3.5v |
3 & 5, 4 & 6 |
3 & 4 |
1 & 2 |
1 & 2, 3 & 4 |
|
Note: Pins designated should be in the closed position. |
|||||