DIAMOND FLOWER, INC.

P5XV3 (REV. A+)

Device Type

Mainboard

Processor

CX 6X86L/CX 686MX/AM K5/AM K6/Pentium/Pentium MMX

Processor Speed

90/100/120/133/150/166/200/233/266MHz

Chip Set

VIA

Video Chip Set

None

Maximum Onboard Memory

256MB (EDO & SDRAM supported)

Maximum Video Memory

None

Cache

512/1024KB

BIOS

Award

Dimensions

305mm x 244mm

I/O Options

32-bit PCI slots (4), floppy drive interface, green PC connector, IDE interfaces (2), parallel port, PS/2 mouse port, serial ports (2), IR connector, USB connectors (2), ATX power connector, AGP slot

NPU Options

None

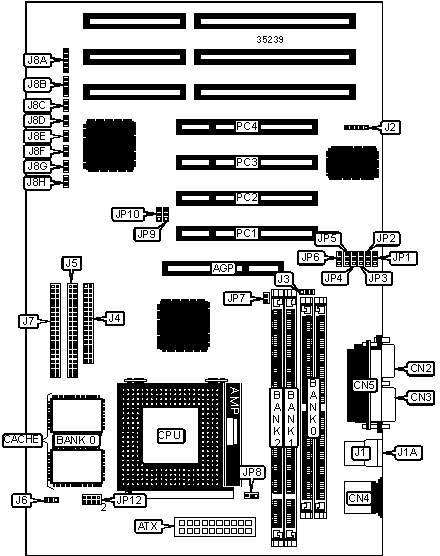
CONNECTIONS

Purpose

Location

Purpose

Location

AGP slot

AGP

CPU fan power

J6

ATX power connector

ATX

IDE interface 2

J7

Serial port 2

CN2

Power LED & keylock

J8A

Serial port 1

CN3

Speaker

J8B

PS/2 mouse port

CN4

Reset switch

J8C

Parallel port

CN5

Green PC connector

J8D

USB connector 1

J1

Soft off power supply

J8E

USB connector 2

J1A

Green PC LED

J8F

IR connector

J2

IDE interface LED

J8G

AGP fan power

J3

Sort off power LED

J8H

Floppy drive interface

J4

32-bit PCI slots

PC1 – PC4

IDE interface 1

J5

   

USER CONFIGURABLE SETTINGS

Function

Label

Position

 

Alarm enabled

JP7

Closed

 

Alarm disabled

JP7

Open

»

CMOS memory normal operation

JP9

Pins 2 & 3 closed

 

CMOS memory clear

JP9

Pins 1 & 2 closed

»

PS/2 mouse IRQ12 enabled

JP10

Pins 1 & 2 closed

 

PS/2 mouse IRQ12 disabled

JP10

Pins 2 & 3 closed

SIMM CONFIGURATION

Size

Bank 2

8MB

(2) 1M x 36

16MB

(2) 2M x 36

32MB

(2) 4M x 36

64MB

(2) 8M x 36

128MB

(2) 16M x 36

256MB

(2) 32M x 36

Note: Board accepts EDO memory.

DIMM CONFIGURATION

Size

Bank 1

Bank 2

8MB

(1) 1M x 64

None

16MB

(1) 2M x 64

None

16MB

(1) 1M x 64

(1) 1M x 64

24MB

(1) 2M x 64

(1) 1M x 64

32MB

(1) 4M x 64

None

32MB

(1) 2M x 64

(1) 2M x 64

40MB

(1) 4M x 64

(1) 1M x 64

48MB

(1) 4M x 64

(1) 2M x 64

64MB

(1) 8M x 64

None

64MB

(1) 4M x 64

(1) 4M x 64

72MB

(1) 8M x 64

(1) 1M x 64

80MB

(1) 8M x 64

(1) 2M x 64

96MB

(1) 8M x 64

(1) 4M x 64

128MB

(1) 16M x 64

None

128MB

(1) 8M x 64

(1) 8M x 64

136MB

(1) 16M x 64

(1) 1M x 64

144MB

(1) 16M x 64

(1) 2M x 64

160MB

(1) 16M x 64

(1) 4M x 64

192MB

(1) 16M x 64

(1) 8M x 64

256MB

(1) 16M x 64

(1) 16M x 64

Note: Board accepts SDRAM memory.

CACHE CONFIGURATION

Size

Bank 0

512KB

(2) 64K x 32

1MB

(2) 128K x 32

CPU SPEED SELECTION (CX 6X86L)

CPU speed

Clock speed

Multiplier

JP1

JP2

JP3

JP4

JP5

JP6

120MHz

50MHz

2x

2 & 3

2 & 3

2 & 3

2 & 3

1 & 2

1 & 2

133MHz

55MHz

2x

2 & 3

2 & 3

1 & 2

2 & 3

1 & 2

1 & 2

150MHz

60MHz

2x

2 & 3

1 & 2

1 & 2

2 & 3

1 & 2

1 & 2

166MHz

66MHz

2x

1 & 2

1 & 2

1 & 2

2 & 3

1 & 2

1 & 2

Note: Pins designated should be in the closed position.

CPU SPEED SELECTION (CX 6X86MX)

CPU speed

Clock speed

Multiplier

JP1

JP2

JP3

JP4

JP5

JP6

166MHz

60MHz

2.5x

2 & 3

1 & 2

1 & 2

2 & 3

2 & 3

1 & 2

200MHz

66MHz

2.5x

1 & 2

1 & 2

1 & 2

2 & 3

2 & 3

1 & 2

Note: Pins designated should be in the closed position.

CPU SPEED SELECTION (AM K5)

CPU speed

Clock speed

Multiplier

JP1

JP2

JP3

JP4

JP5

JP6

90MHz

60MHz

1.5x

2 & 3

1 & 2

1 & 2

1 & 2

1 & 2

1 & 2

100MHz

66MHz

1.5x

1 & 2

1 & 2

1 & 2

1 & 2

1 & 2

1 & 2

120MHz

60MHz

1.5x

2 & 3

1 & 2

1 & 2

1 & 2

1 & 2

1 & 2

133MHz

66MHz

1.5x

1 & 2

1 & 2

1 & 2

1 & 2

1 & 2

1 & 2

166MHz

66MHz

2.5x

1 & 2

1 & 2

1 & 2

2 & 3

2 & 3

1 & 2

Note: Pins designated should be in the closed position.

CPU SPEED SELECTION (AM K6)

CPU speed

Clock speed

Multiplier

JP1

JP2

JP3

JP4

JP5

JP6

166MHz

66MHz

2.5x

1 & 2

1 & 2

1 & 2

2 & 3

2 & 3

1 & 2

200MHz

66MHz

3x

1 & 2

1 & 2

1 & 2

1 & 2

2 & 3

1 & 2

233MHz

66MHz

3.5x

1 & 2

1 & 2

1 & 2

1 & 2

1 & 2

1 & 2

266MHz

66MHz

4x

1 & 2

1 & 2

1 & 2

1 & 2

2 & 3

2 & 3

Note: Pins designated should be in the closed position.

CPU SPEED SELECTION (INTEL)

CPU speed

Clock speed

Multiplier

JP1

JP2

JP3

JP4

JP5

JP6

90MHz

60MHz

1.5x

2 & 3

1 & 2

1 & 2

1 & 2

1 & 2

1 & 2

100MHz

66MHz

1.5x

1 & 2

1 & 2

1 & 2

1 & 2

1 & 2

1 & 2

120MHz

60MHz

2x

2 & 3

1 & 2

1 & 2

2 & 3

1 & 2

1 & 2

133MHz

66MHz

2x

1 & 2

1 & 2

1 & 2

2 & 3

1 & 2

1 & 2

150MHz

60MHz

2.5x

2 & 3

1 & 2

1 & 2

2 & 3

2 & 3

1 & 2

166MHz

66MHz

2.5x

1 & 2

1 & 2

1 & 2

2 & 3

2 & 3

1 & 2

200MHz

66MHz

3x

1 & 2

1 & 2

1 & 2

1 & 2

2 & 3

1 & 2

Note: Pins designated should be in the closed position.

CPU SPEED SELECTION (INTEL MMX)

CPU speed

Clock speed

Multiplier

JP1

JP2

JP3

JP4

JP5

JP6

166MHz

66MHz

2.5x

1 & 2

1 & 2

1 & 2

2 & 3

2 & 3

1 & 2

200MHz

66MHz

3x

1 & 2

1 & 2

1 & 2

1 & 2

2 & 3

1 & 2

233MHz

66MHz

3.5x

1 & 2

1 & 2

1 & 2

1 & 2

1 & 2

1 & 2

Note: Pins designated should be in the closed position.

CPU VOLTAGE SELECTION

Voltage

JP8

JP12

2.1v

Pins 1 & 2 closed

Pins 1 & 2 closed

2.2v

Pins 1 & 2 closed

Pins 3 & 4 closed

2.8v

Pins 1 & 2 closed

Pins 7 & 8 closed

2.9v

Pins 1 & 2 closed

Pins 1 & 2, 7 & 8 closed

3.2v

Pins 1 & 2 closed

Pins 5 & 6, 7 & 8 closed

3.3v

Pins 2 & 3 closed

Pins 1 & 2, 5 & 6, 7 & 8 closed

3.5v

Pins 2 & 3 closed

Pins 1 & 2, 3 & 4, 5 & 6, 7 & 8 closed