CHAINTECH COMPUTER COMPANY, LTD.

CT-6ESA

Device Type

Mainboard

Processor

Pentium II/Celeron

Processor Speed

233/266/300/333MHz

Chip Set

Intel 440EX

Video Chip Set

None

Maximum Onboard Memory

256MB (SDRAM supported)

Maximum Video Memory

None

Cache

0/128/256/512KB (located on the CPU)

BIOS

Award

Dimensions

244mm x 220mm

I/O Options

32-bit PCI slots (2), floppy drive interface, game/MIDI port, green PC connector, IDE interfaces (2), parallel port, PS/2 mouse port, serial ports (2), IR connector, USB connectors (2), ATX power connector, AGP slot, line in, line out, microphone in, audio in - CD-ROM, SB-link connector, wake on LAN connector

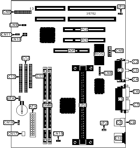
CONNECTIONS

Purpose

Location

Purpose

Location

AGP slot

AGP

IR connector

CN6

ATX power connector

ATX

Power LED & keylock

CN8/pins 1 - 5

Game/MIDI port

C1

Speaker

CN8/pins 7 - 10

Microphone in

C2

Soft off power supply

CN8/pins 11 & 12

Line in

C3

Turbo LED

CN8/pins 13 & 14

Line out

C4

Green PC connector

CN8/pins 16 & 17

Parallel port

C5

Green PC LED

CN8/pins 18 & 19

Serial port 2

C6

Reset switch

CN8/pins 21 & 22

Serial port 1

C7

IDE interface LED

CN8/pins 23 & 24

USB connector 1

C8

Chassis fan power

CN9

USB connector 2

C9

SB-link connector

CN10

PS/2 mouse port

C10

Wake on LAN connector

CN11

Floppy drive interface

C11

CPU fan power

CN15

IDE interface 1

C12

Fan-II connector

CN17

IDE interface 2

C13

Chassis intrusion connector

CN18

Audio in - CD-ROM

CN5

32-bit PCI slots

PC1 - PC2

USER CONFIGURABLE SETTINGS

Function

Label

Position

»

On board audio enabled

JP1

Pins 1 & 2 closed

 

On board audio disabled

JP1

Pins 2 & 3 closed

»

Keyboard power on disabled

JP2

Pins 1 & 2 closed

 

Keyboard power on enabled

JP2

Pins 2 & 3 closed

»

CMOS memory normal operation

JP4

Pins 1 & 2 closed

 

CMOS memory clear

JP4

Pins 2 & 3 closed

DIMM CONFIGURATION

Size

Bank 0

Bank 1

8MB

(1) 1M x 64

None

16MB

(1) 2M x 64

None

16MB

(1) 1M x 64

(1) 1M x 64

24MB

(1) 2M x 64

(1) 1M x 64

32MB

(1) 4M x 64

None

32MB

(1) 2M x 64

(1) 2M x 64

40MB

(1) 4M x 64

(1) 1M x 64

DIMM CONFIGURATION (CON'T)

Size

Bank 0

Bank 1

48MB

(1) 4M x 64

(1) 2M x 64

64MB

(1) 8M x 64

None

64MB

(1) 4M x 64

(1) 4M x 64

72MB

(1) 8M x 64

(1) 1M x 64

80MB

(1) 8M x 64

(1) 2M x 64

96MB

(1) 8M x 64

(1) 4M x 64

128MB

(1) 16M x 64

None

128MB

(1) 8M x 64

(1) 8M x 64

136MB

(1) 16M x 64

(1) 1M x 64

144MB

(1) 16M x 64

(1) 2M x 64

160MB

(1) 16M x 64

(1) 4M x 64

192MB

(1) 16M x 64

(1) 8M x 64

256MB

(1) 16M x 64

(1) 16M x 64

Note: Board accepts SDRAM memory.

CACHE CONFIGURATION

Note: 256KB/512KB cache is located on the Pentium II CPU. 128KB cache is located on the Celeron 300A & 333 CPU.