DIAMOND FLOWER, INC.

P2XBL (REV. AB+)

Device Type

Mainboard

Processor

Pentium II

Processor Speed

233/266/300/333/350/400/450MHz

Chip Set

Intel 440BX

Maximum Onboard Memory

384MB

Cache

256/512KB (located on the CPU)

BIOS

Award

I/O Options

32-bit PCI slots (4), floppy drive interface, IDE interfaces (2), parallel port, PS/2 mouse port, serial ports (2), USB connectors (2), ATX power connector, AGP slot

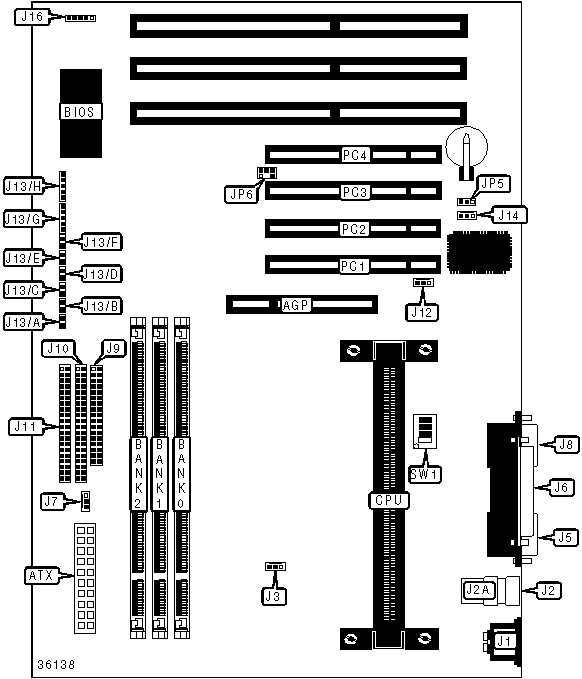
CONNECTIONS

Purpose

Location

Purpose

Location

AGP slot

AGP

AGP fan power

J12

ATX power

ATX

Stand by LED

J13/A

PS/2 mouse port

J1

IDE interface LED

J13/B

USB connector 1

J2

Green PC LED

J13/C

USB connector 2

J2A

ATX power switch

J13/D

Chassis fan power

J3

Green PC switch

J13/E

Serial port 1

J5

Reset switch

J13/F

Parallel port

J6

Speaker

J13/G

CPU fan power

J7

Power LED & keylock

J13/H

Serial port 2

J8

Wake on LAN connector

J14

Floppy drive interface

J9

IR connector

J16

IDE interface 2

J10

SB link connector

JP6

IDE interface 1

J11

32-bit PCI slots

PC1 - PC4

USER CONFIGURABLE SETTINGS

Function

Label

Position

»

CMOS memory normal operation

JP5

Pins 1 & 2 closed

 

CMOS memory clear

JP5

Pins 2 & 3 closed

DIMM CONFIGURATION

Size

Bank 0

Bank 1

Bank 2

8MB

(1) 1M x 64

None

None

16MB

(1) 1M x 64

(1) 1M x 64

None

16MB

(1) 2M x 64

None

None

24MB

(1) 1M x 64

(1) 1M x 64

(1) 1M x 64

24MB

(1) 2M x 64

(1) 1M x 64

None

32MB

(1) 2M x 64

(1) 1M x 64

(1) 1M x 64

32MB

(1) 2M x 64

(1) 2M x 64

None

32MB

(1) 4M x 64

None

None

40MB

(1) 2M x 64

(1) 2M x 64

(1) 1M x 64

40MB

(1) 4M x 64

(1) 1M x 64

None

48MB

(1) 2M x 64

(1) 2M x 64

(1) 2M x 64

48MB

(1) 4M x 64

(1) 1M x 64

(1) 1M x 64

48MB

(1) 4M x 64

(1) 2M x 64

None

56MB

(1) 4M x 64

(1) 2M x 64

(1) 1M x 64

64MB

(1) 4M x 64

(1) 2M x 64

(1) 2M x 64

64MB

(1) 4M x 64

(1) 4M x 64

None

64MB

(1) 8M x 64

None

None

72MB

(1) 4M x 64

(1) 4M x 64

(1) 1M x 64

72MB

(1) 8M x 64

(1) 1M x 64

None

80MB

(1) 4M x 64

(1) 4M x 64

(1) 2M x 64

80MB

(1) 8M x 64

(1) 1M x 64

(1) 1M x 64

80MB

(1) 8M x 64

(1) 2M x 64

None

88MB

(1) 8M x 64

(1) 2M x 64

(1) 1M x 64

96MB

(1) 4M x 64

(1) 4M x 64

(1) 4M x 64

96MB

(1) 8M x 64

(1) 2M x 64

(1) 2M x 64

96MB

(1) 8M x 64

(1) 4M x 64

None

DIMM CONFIGURATION (CON'T)

Size

Bank 0

Bank 1

Bank 2

104MB

(1) 8M x 64

(1) 4M x 64

(1) 1M x 64

112MB

(1) 8M x 64

(1) 4M x 64

(1) 2M x 64

128MB

(1) 8M x 64

(1) 4M x 64

(1) 4M x 64

128MB

(1) 8M x 64

(1) 8M x 64

None

128MB

(1) 16M x 64

None

None

164MB

(1) 8M x 64

(1) 8M x 64

(1) 1M x 64

164MB

(1) 16M x 64

(1) 1M x 64

None

144MB

(1) 8M x 64

(1) 8M x 64

(1) 2M x 64

144MB

(1) 16M x 64

(1) 1M x 64

(1) 1M x 64

144MB

(1) 16M x 64

(1) 2M x 64

None

152MB

(1) 16M x 64

(1) 2M x 64

(1) 1M x 64

160MB

(1) 8M x 64

(1) 8M x 64

(1) 4M x 64

160MB

(1) 16M x 64

(1) 2M x 64

(1) 2M x 64

160MB

(1) 16M x 64

(1) 4M x 64

None

168MB

(1) 16M x 64

(1) 4M x 64

(1) 1M x 64

176MB

(1) 16M x 64

(1) 4M x 64

(1) 2M x 64

192MB

(1) 8M x 64

(1) 8M x 64

(1) 8M x 64

192MB

(1) 16M x 64

(1) 4M x 64

(1) 4M x 64

192MB

(1) 16M x 64

(1) 8M x 64

None

200MB

(1) 16M x 64

(1) 8M x 64

(1) 1M x 64

208MB

(1) 16M x 64

(1) 8M x 64

(1) 2M x 64

224MB

(1) 16M x 64

(1) 8M x 64

(1) 4M x 64

256MB

(1) 16M x 64

(1) 8M x 64

(1) 8M x 64

256MB

(1) 16M x 64

(1) 16M x 64

None

264MB

(1) 16M x 64

(1) 16M x 64

(1) 1M x 64

272MB

(1) 16M x 64

(1) 16M x 64

(1) 2M x 64

288MB

(1) 16M x 64

(1) 16M x 64

(1) 4M x 64

320MB

(1) 16M x 64

(1) 16M x 64

(1) 8M x 64

384MB

(1) 16M x 64

(1) 16M x 64

(1) 16M x 64

CACHE CONFIGURATION

Note: 256/512KB cache is located on the Pentium II CPU.

CPU SPEED SELECTION

CPU speed

Clock speed

Multiplier

SW1/1

SW1/2

SW1/3

SW1/4

300MHz

100MHz

3x

On

Off

On

On

333MHz

66MHz

5x

On

Off

Off

On

350MHz

66MHz

3.5x

Off

Off

On

On

400MHz

66MHz

4x

On

On

Off

On

450MHz

66MHz

4.5x

Off

On

Off

On