HEWLETT-PACKARD COMPANY
HP VECTRA 486T PC Series
|
Processor |
80486DX |
|
Processor Speed |
25/33MHz |
|
Chip Set |
HP |
|
Max. Onboard DRAM |
64MB |
|
Cache |
None |
|
BIOS |
HP |
|
Dimensions |
320mm x 112mm |
|
I/O Options |
32-bit local bus backplane connector, bus mouse port, serial mouse port |
|
NPU Options |
80387/3167 |
|
CONNECTIONS | |
|
Purpose |
Location |
|
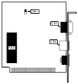
32-bit local bus backplane |
CN1 |
|
USER CONFIGURABLE SETTINGS | |||
|
Function |
Jumper |
Position | |
| » |
CMOS memory normal operation |
JP1 |
pins 2 & 3 closed |
|
CMOS memory clear |
JP1 |
pins 1 & 2 closed | |
|
Note:Jumper is available on the HP Vectra 486/33T PC only. | |||
|
CONNECTIONS | |||
|
Purpose |
Location |
Purpose |
Location |
|
Serial mouse port |
CN1 |
Bus mouse port |
CN2 |
|
USER CONFIGURABLE SETTINGS | |||
|
Function |
Switch |
Position | |
| » |
Password check enabled |
SW1 |
position 1 |
|
Password check disabled |
SW1 |
position 0 | |
|
SINGLE DENSITY SIMM DRAM CONFIGURATION | ||||
|
Size |
Bank 0 |
Bank 1 |
Bank 2 |
Bank 3 |
|
2MB |
(2) 256K x 36 |
NONE |
NONE |
NONE |
|
4MB |
(2) 256K x 36 |
(2) 256K x 36 |
NONE |
NONE |
|
6MB |
(2) 256K x 36 |
(2) 256K x 36 |
(2) 256K x 36 |
NONE |
|
8MB |
(2) 256K x 36 |
(2) 256K x 36 |
(2) 256K x 36 |
(2) 256K x 36 |
|
8MB |
(2) 1M x 36 |
NONE |
NONE |
NONE |
|
10MB |
(2) 1M x 36 |
(2) 256K x 36 |
NONE |
NONE |
|
12MB |
(2) 1M x 36 |
(2) 256K x 36 |
(2) 256K x 36 |
NONE |
|
14MB |
(2) 1M x 36 |
(2) 256K x 36 |
(2) 256K x 36 |
(2) 256K x 36 |
|
16MB |
(2) 1M x 36 |
(2) 1M x 36 |
NONE |
NONE |
|
18MB |
(2) 1M x 36 |
(2) 1M x 36 |
(2) 256K x 36 |
NONE |
|
20MB |
(2) 1M x 36 |
(2) 1M x 36 |
(2) 256K x 36 |
(2) 256K x 36 |
|
24MB |
(2) 1M x 36 |
(2) 1M x 36 |
(2) 1M x 36 |
NONE |
|
26MB |
(2) 1M x 36 |
(2) 1M x 36 |
(2) 1M x 36 |
(2) 256K x 36 |
|
32MB |
(2) 1M x 36 |
(2) 1M x 36 |
(2) 1M x 36 |
(2) 1M x 36 |
|
Note:Single-Density and Double-Density 36-bit SIMMs may not be mixed when configuring memory. | ||||
|
DOUBLE DENSITY SIMM DRAM CONFIGURATION | ||||
|
Size |
Bank 0 |
Bank 1 |
Bank 2 |
Bank 3 |
|
4MB |
(2) 512K x 36 |
NONE |
NONE |
NONE |
|
8MB |
(2) 512K x 36 |
(2) 512K x 36 |
NONE |
NONE |
|
12MB |
(2) 512K x 36 |
(2) 512K x 36 |
(2) 512K x 36 |
NONE |
|
16MB |
(2) 512K x 36 |
(2) 512K x 36 |
(2) 512K x 36 |
(2) 512K x 36 |
|
20MB |
(2) 2M x 36 |
(2) 512K x 36 |
NONE |
NONE |
|
24MB |
(2) 2M x 36 |
(2) 512K x 36 |
(2) 512K x 36 |
NONE |
|
28MB |
(2) 2M x 36 |
(2) 512K x 36 |
(2) 512K x 36 |
(2) 512K x 36 |
|
32MB |
(2) 2M x 36 |
(2) 2M x 36 |
NONE |
NONE |
|
36MB |
(2) 2M x 36 |
(2) 2M x 36 |
(2) 512K x 36 |
NONE |
|
40MB |
(2) 2M x 36 |
(2) 2M x 36 |
(2) 512K x 36 |
(2) 512K x 36 |
|
48MB |
(2) 2M x 36 |
(2) 2M x 36 |
(2) 2M x 36 |
NONE |
|
52MB |
(2) 2M x 36 |
(2) 2M x 36 |
(2) 2M x 36 |
(2) 512K x 36 |
|
64MB |
(2) 2M x 36 |
(2) 2M x 36 |
(2) 2M x 36 |
(2) 2M x 36 |
|
Note:Single-Density and Double-Density 36-bit SIMMs may not be mixed when configuring memory. | ||||