EPSON, INC.
EQUITY 386SX PLUS
|
Processor |
80386SX |
|
Processor Speed |
20MHz |
|
Chip Set |
WD |
|
Max. Onboard DRAM |
14MB |
|
Cache |
32KB |
|
BIOS |
Epson/Seiko |
|
Dimensions |
3O4mm x 272mm |
|
I/O Options |
Parallel port, serial port, floppy drive interface, IDE interface, bus mouse port, VGA port |
|
NPU Options |
80387SX |
|
CONNECTIONS | |||
|
Purpose |
Location |
Purpose |
Location |
|
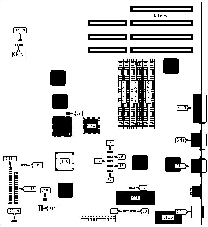
Mouse port |
CN1 |
Floppy drive interface |
CN13 |
|
VGA port |
CN3 |
IDE interface |
CN14 |
|
Serial port (COM1) |
CN4 |
Turbo/IDE interface LED |
CN15 |
|
Parallel port |
CN5 |
Speaker |
CN16 |
|
USER CONFIGURABLE SETTINGS | |||
|
Function |
Jumper |
Position | |
| » |
Monitor type select color |
J1 |
pins 1 & 2 closed |
|
Monitor type select monochrome |
J1 |
pins 2 & 3 closed | |
| » |
Onboard VGA interface enabled |
J2 |
pins 1 & 2 closed |
|
Onboard VGA interface disabled |
J2 |
pins 2 & 3 closed | |
| » |
Password enabled |
J3 |
pins 1 & 2 closed |
|
Password disabled |
J3 |
pins 2 & 3 closed | |
| » |
Factory configured - do not alter |
J4 |
pins 1 & 2 closed |
| » |
Factory configured - do not alter |
J5 |
pins 2 & 3 closed |
| » |
Factory configured - do not alter |
J6 |
pins 1 & 2 closed |
| » |
Factory configured - do not alter |
J7 |
pins 2 & 3 closed |
| » |
Factory configured - do not alter |
J8 |
pins 1 & 2 closed |
| » |
Factory configured - do not alter |
J9 |
pins 2 & 3 closed |
| » |
Factory configured - do not alter |
J10 |
pins 2 & 3 closed |
| » |
Factory configured - do not alter |
J13 |
pins 1 & 2 closed |
|
DRAM CONFIGURATION | |||
|
Size |
Bank 0 |
Bank 1 |
Bank 2 |
|
2MB |
NONE |
NONE |
NONE |
|
2.5MB |
(2) 256K x 9 |
NONE |
NONE |
|
3MB |
(2) 256K x 9 |
(2) 256K x 9 |
NONE |
|
3.5MB |
(2) 256K x 9 |
(2) 256K x 9 |
(2) 256K x 9 |
|
4MB |
(2) 1M x 9 |
NONE |
NONE |
|
4.5MB |
(2) 256K x 9 |
(2) 1M x 9 |
NONE |
|
5MB |
(2) 256K x 9 |
(2) 256K x 9 |
(2) 1M x 9 |
|
6MB |
(2) 1M x 9 |
(2) 1M x 9 |
NONE |
|
6.5MB |
(2) 256K x 9 |
(2) 1M x 9 |
(2) 1M x 9 |
|
8MB |
(2) 1M x 9 |
(2) 1M x 9 |
(2) 1M x 9 |
|
8.5MB |
(2) 256K x 9 |
(2) 4M x 9 |
NONE |
|
10MB |
(2) 4M x 9 |
NONE |
NONE |
|
11MB |
(2) 256K x 9 |
(2) 256K x 9 |
(2) 4M x 9 |
|
12MB |
(2) 1M x 9 |
(2) 4M x 9 |
NONE |
|
12MB |
(2) 4M x 9 |
(2) 1M x 9 |
NONE |
|
14MB |
(2) 1M x 9 |
(2) 1M x 9 |
(2) 4M x 9 |
|
14MB |
(2) 4M x 9 |
(2) 1M x 9 |
(2) 1M x 9 |
|
Note:Board is supplied with 2MB factory installed. | |||