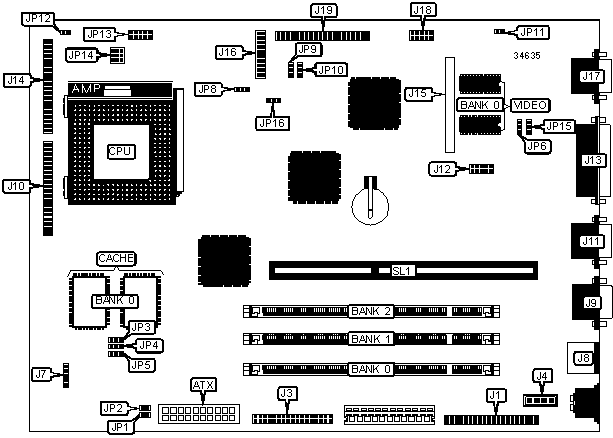
ELITEGROUP COMPUTER SYSTEMS, INC.
P5TX-LA
|
Processor |
CX 6X86/CX 6X86L/CX 686MX/IBM 6X86/ IBM 6X86L/IBM 686MX/ AM K5/AM K6/Pentium |
|
Processor Speed |
75/90/100/120/133/150/166/200/233/266MHz |
|
Chip Set |
Intel |
|
Video Chip Set |
ATI |
|
Maximum Onboard Memory |
256MB (EDO supported) |
|
Maximum Video Memory |
4MB |
|
Cache |
256/512KB |
|
BIOS |
Award |
|
Dimensions |
330mm x 218mm |
|
I/O Options |
Floppy drive interface, green PC connector, IDE interfaces (2), parallel port, PS/2 mouse port, serial ports (2), VGA feature connector, VGA port, IR connector, USB connector, ATX power connector, audio in – CD-ROM, audio connector, TV-out connector |
|
NPU Options |
None |
|
CONNECTIONS | |||
|
Purpose |
Location |
Purpose |
Location |
|
ATX power connector |
ATX |
Green PC connector |
J16/pins 4 & 5 |
|
External audio connector |
J1 |
Turbo switch |
J16/pins 6 & 7 |
|
Floppy drive interface |
J3 |
Reset switch |
J16/pins 9 & 10 |
|
Audio in – CD-ROM |
J4 |
Keylock |
J16/pins 11 - 15 |
|
IR connector |
J7 |
Speaker |
J16/pins 17 - 20 |
|
PS/2 mouse port |
J8 |
VGA port |
J17 |
|
Serial port 1 |
J9 |
TV out connector |
J18 |
|
IDE interface 2 |
J10 |
VGA feature connector |
J19 |
|
Serial port 2 |
J11 |
Soft off power supply |
JP1 |
|
USB connector |
J12 |
Wake up on modem connector |
JP2 |
|
Parallel port |
J13 |
CPU fan power |
JP8 |
|
IDE interface 1 |
J14 |
IDE interface LED |
JP12 |
|
Memory socket |
J15 |
EISA slot |
SL1 |
|
Power LED |
J16/pins 2 & 3 | ||
|
USER CONFIGURABLE SETTINGS | |||
|
Function |
Label |
Position | |
|
» |
Flash BIOS normal operation |
JP6 |
Pins 2 & 3 closed |
|
Flash BIOS flash mode |
JP6 |
Pins 1 & 2 closed | |
|
» |
CMOS memory normal operation |
JP15 |
Pins 2 & 3 closed |
|
CMOS memory clear |
JP15 |
Pins 1 & 2 closed | |
|
DIMM CONFIGURATION | |||
|
Size |
Bank 0 |
Bank 1 |
Bank 2 |
|
8MB |
(1) 1M x 64 |
None |
None |
|
16MB |
(1) 2M x 64 |
None |
None |
|
16MB |
(1) 1M x 64 |
(1) 1M x 64 |
None |
|
24MB |
(1) 2M x 64 |
(1) 1M x 64 |
None |
|
24MB |
(1) 1M x 64 |
(1) 1M x 64 |
(1) 1M x 64 |
|
32MB |
(1) 4M x 64 |
None |
None |
|
32MB |
(1) 2M x 64 |
(1) 2M x 64 |
None |
|
40MB |
(1) 4M x 64 |
(1) 1M x 64 |
None |
|
48MB |
(1) 4M x 64 |
(1) 2M x 64 |
None |
|
48MB |
(1) 2M x 64 |
(1) 2M x 64 |
(1) 2M x 64 |
|
64MB |
(1) 8M x 64 |
None |
None |
|
64MB |
(1) 4M x 64 |
(1) 4M x 64 |
None |
|
72MB |
(1) 8M x 64 |
(1) 1M x 64 |
None |
|
80MB |
(1) 8M x 64 |
(1) 2M x 64 |
None |
|
96MB |
(1) 8M x 64 |
(1) 4M x 64 |
None |
|
96MB |
(1) 4M x 64 |
(1) 4M x 64 |
(1) 4M x 64 |
|
128MB |
(1) 16M x 64 |
None |
None |
|
128MB |
(1) 8M x 64 |
(1) 8M x 64 |
None |
|
136MB |
(1) 16M x 64 |
(1) 1M x 64 |
None |
|
DIMM CONFIGURATION (CON’T) | |||
|
Size |
Bank 0 |
Bank 1 |
Bank 2 |
|
144MB |
(1) 16M x 64 |
(1) 2M x 64 |
None |
|
160MB |
(1) 16M x 64 |
(1) 4M x 64 |
None |
|
192MB |
(1) 16M x 64 |
(1) 8M x 64 |
None |
|
192MB |
(1) 8M x 64 |
(1) 8M x 64 |
(1) 8M x 64 |
|
256MB |
(1) 16M x 64 |
(1) 16M x 64 |
None |
|
Note: Board accepts EDO memory. | |||
|
CACHE CONFIGURATION | |
|
Size |
Bank 0 |
|
256KB |
(2) 32K x 32 |
|
512KB |
(2) 64K x 32 |
|
VIDEO MEMORY CONFIGURATION | ||
|
Size |
Bank 0 |
J15 |
|
2MB |
2MB |
Not Installed |
|
4MB |
2MB |
2MB module installed |
|
CPU SPEED SELECTION (CX 6X86/6X86L) | ||||||
|
CPU speed |
Clock speed |
Multiplier |
JP3 |
JP4 |
JP5 |
JP14 |
|
120MHz |
50MHz |
2x |
2 & 3 |
2 & 3 |
2 & 3 |
2 & 5, 3 & 6, 4 & 7 |
|
133MHz |
55MHz |
2x |
2 & 3 |
2 & 3 |
1 & 2 |
2 & 5, 3 & 6, 4 & 7 |
|
150MHz |
60MHz |
2x |
1 & 2 |
2 & 3 |
2 & 3 |
2 & 5, 3 & 6, 4 & 7 |
|
166MHz |
66MHz |
2x |
2 & 3 |
1 & 2 |
2 & 3 |
2 & 5, 3 & 6, 4 & 7 |
|
200MHz |
75MHz |
2x |
1 & 2 |
2 & 3 |
1 & 2 |
2 & 5, 3 & 6, 4 & 7 |
|
Note: Pins designated should be in the closed position. | ||||||
|
CPU SPEED SELECTION (CX 6X86MX) | ||||||
|
CPU speed |
Clock speed |
Multiplier |
JP3 |
JP4 |
JP5 |
JP14 |
|
166MHz |
60MHz |
2.5x |
1 & 2 |
2 & 3 |
2 & 3 |
3 & 6, 4 & 7, 5 & 8 |
|
200MHz |
66MHz |
2.5x |
2 & 3 |
1 & 2 |
2 & 3 |
3 & 6, 4 & 7, 5 & 8 |
|
233MHz |
66MHz |
3x |
2 & 3 |
1 & 2 |
2 & 3 |
1 & 4, 3 & 6, 5 & 8 |
|
233MHz |
75MHz |
2.5x |
1 & 2 |
2 & 3 |
1 & 2 |
3 & 6, 4 & 7, 5 & 8 |
|
266MHz |
75MHz |
3x |
1 & 2 |
2 & 3 |
1 & 2 |
1 & 4, 3 & 6, 5 & 8 |
|
Note: Pins designated should be in the closed position. | ||||||
|
CPU SPEED SELECTION (IBM 6X86/6X86L) | ||||||
|
CPU speed |
Clock speed |
Multiplier |
JP3 |
JP4 |
JP5 |
JP14 |
|
120MHz |
50MHz |
2x |
2 & 3 |
2 & 3 |
2 & 3 |
2 & 5, 3 & 6, 4 & 7 |
|
133MHz |
55MHz |
2x |
2 & 3 |
2 & 3 |
1 & 2 |
2 & 5, 3 & 6, 4 & 7 |
|
150MHz |
60MHz |
2x |
1 & 2 |
2 & 3 |
2 & 3 |
2 & 5, 3 & 6, 4 & 7 |
|
166MHz |
66MHz |
2x |
2 & 3 |
1 & 2 |
2 & 3 |
2 & 5, 3 & 6, 4 & 7 |
|
200MHz |
75MHz |
2x |
1 & 2 |
2 & 3 |
1 & 2 |
2 & 5, 3 & 6, 4 & 7 |
|
Note: Pins designated should be in the closed position. | ||||||
|
CPU SPEED SELECTION (IBM 6X86MX) | ||||||
|
CPU speed |
Clock speed |
Multiplier |
JP3 |
JP4 |
JP5 |
JP14 |
|
166MHz |
60MHz |
2.5x |
1 & 2 |
2 & 3 |
2 & 3 |
3 & 6, 4 & 7, 5 & 8 |
|
200MHz |
66MHz |
2.5x |
2 & 3 |
1 & 2 |
2 & 3 |
3 & 6, 4 & 7, 5 & 8 |
|
233MHz |
66MHz |
3x |
2 & 3 |
1 & 2 |
2 & 3 |
1 & 4, 3 & 6, 5 & 8 |
|
233MHz |
75MHz |
2.5x |
1 & 2 |
2 & 3 |
1 & 2 |
3 & 6, 4 & 7, 5 & 8 |
|
266MHz |
75MHz |
3x |
1 & 2 |
2 & 3 |
1 & 2 |
1 & 4, 3 & 6, 5 & 8 |
|
Note: Pins designated should be in the closed position. | ||||||
|
CPU SPEED SELECTION (AM K5) | ||||||
|
CPU speed |
Clock speed |
Multiplier |
JP3 |
JP4 |
JP5 |
JP14 |
|
75MHz |
50MHz |
1.5x |
2 & 3 |
2 & 3 |
2 & 3 |
1 & 4, 2 & 5, 3 & 6 |
|
90MHz |
60MHz |
1.5x |
1 & 2 |
2 & 3 |
2 & 3 |
1 & 4, 2 & 5, 3 & 6 |
|
100MHz |
66MHz |
1.5x |
2 & 3 |
1 & 2 |
2 & 3 |
1 & 4, 2 & 5, 3 & 6 |
|
120MHz |
60MHz |
2x |
1 & 2 |
2 & 3 |
2 & 3 |
2 & 5, 3 & 6, 4 & 7 |
|
133MHz |
66MHz |
2x |
2 & 3 |
1 & 2 |
2 & 3 |
2 & 5, 3 & 6, 4 & 7 |
|
150MHz |
60MHz |
2.5x |
1 & 2 |
2 & 3 |
2 & 3 |
3 & 6, 4 & 7, 5 & 8 |
|
166MHz |
66MHz |
2.5x |
2 & 3 |
1 & 2 |
2 & 3 |
3 & 6, 4 & 7, 5 & 8 |
|
Note: Pins designated should be in the closed position. | ||||||
|
CPU SPEED SELECTION (AM K6) | ||||||
|
CPU speed |
Clock speed |
Multiplier |
JP3 |
JP4 |
JP5 |
JP14 |
|
166MHz |
66MHz |
2.5x |
2 & 3 |
1 & 2 |
2 & 3 |
3 & 6, 4 & 7, 5 & 8 |
|
200MHz |
66MHz |
3x |
2 & 3 |
1 & 2 |
2 & 3 |
1 & 4, 3 & 6, 5 & 8 |
|
233MHz |
66MHz |
3.5x |
2 & 3 |
1 & 2 |
2 & 3 |
1 & 4, 2 & 5, 3 & 6 |
|
Note: Pins designated should be in the closed position. | ||||||
|
CPU SPEED SELECTION (INTEL) | ||||||
|
CPU speed |
Clock speed |
Multiplier |
JP3 |
JP4 |
JP5 |
JP14 |
|
75MHz |
50MHz |
1.5x |
2 & 3 |
2 & 3 |
2 & 3 |
1 & 4, 2 & 5, 3 & 6 |
|
90MHz |
60MHz |
1.5x |
1 & 2 |
2 & 3 |
2 & 3 |
1 & 4, 2 & 5, 3 & 6 |
|
100MHz |
66MHz |
1.5x |
2 & 3 |
1 & 2 |
2 & 3 |
1 & 4, 2 & 5, 3 & 6 |
|
120MHz |
60MHz |
2x |
1 & 2 |
2 & 3 |
2 & 3 |
2 & 5, 3 & 6, 4 & 7 |
|
133MHz |
66MHz |
2x |
2 & 3 |
1 & 2 |
2 & 3 |
2 & 5, 3 & 6, 4 & 7 |
|
150MHz |
60MHz |
2.5x |
1 & 2 |
2 & 3 |
2 & 3 |
3 & 6, 4 & 7, 5 & 8 |
|
166MHz |
66MHz |
2.5x |
2 & 3 |
1 & 2 |
2 & 3 |
3 & 6, 4 & 7, 5 & 8 |
|
200MHz |
66MHz |
3x |
2 & 3 |
1 & 2 |
2 & 3 |
1 & 4, 3 & 6, 5 & 8 |
|
233MHz |
66MHz |
3.5x |
2 & 3 |
1 & 2 |
2 & 3 |
1 & 4, 2 & 5, 3 & 6 |
|
Note: Pins designated should be in the closed position. | ||||||
|
CPU VOLTAGE SELECTION | ||
|
Voltage |
JP13 | |
|
2.5v |
Pins 9 & 10 closed | |
| » |
2.8v |
Pins 7 & 8 closed |
|
2.9v |
Pins 5 & 6 closed | |
|
3.2v |
Pins 3 & 4 closed | |
|
3.3v |
Pins 1 & 2 closed | |
|
TV OUT SELECTION | |||
|
Setting |
JP9 |
JP10 | |
| » |
Not installed |
Pins 2 & 3 closed |
Pins 2 & 3 closed |
|
Installed |
Pins 1 & 2 closed |
Pins 1 & 2 closed | |
|
ONBOARD VIDEO SELECTION | |||
|
Setting |
JP11 |
JP16 | |
| » |
Enabled |
Open |
Pins 1 & 2 closed |
|
Disabled |
Closed |
Pins 2 & 3 closed | |