IBM CORPORATION

INTELLISTATION (TYPE 6898)

Device Type

Mainboard

Processor

Pentium II

Processor Speed

233/266/300MHz

Chip Set

Unidentified

Video Chip Set

None

Maximum Onboard Memory

512MB (SDRAM supported)

Maximum Video Memory

None

Cache

256/512KB (located on Pentium II CPU)

BIOS

Unidentified

Dimensions

305mm x 244mm

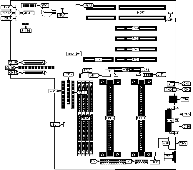
I/O Options

32-bit PCI slots (4), Ethernet 10BaseT connector, floppy drive interface, IDE interfaces (2), SCSI interface, Ultra Wide SCSI interfaces (2), parallel port, PS/2 mouse port, serial ports (2), USB connectors (2), AGP slot, line in, line out, microphone in, audio in – CD-ROM, RAID slot

NPU Options

None

CONNECTIONS

Purpose

Location

Purpose

Location

AGP slot

AGP

Ultra Wide SCSI interface

CN16

3.3v power

C1

External SMBus connector

JOB1

5v power

C2

Audio in – CD-ROM

J1F1

Microphone in

CN1

Chassis fan power

J1M1

Line in

CN2

CPU fan power 2

J2E1

Line out

CN3

CPU fan power 1

J3F2

Ethernet 10BaseT connector

CN4

Wake on LAN connector

J6D1

Serial port

CN5

Wake on modem connector

J9A1

Serial port

CN6

IDE interface LED

J9L1

Parallel port

CN7

SCSI interface LED

J10A1

USB connector

CN8

SCSI interface LED

J11B1

USB connector

CN9

Chassis fan power

J12A1

PS/2 mouse port

CN10

Tamper detect switch

J12B1

IDE interface 2

CN11

Chassis fan power

J12B2

Floppy drive interface

CN12

Speaker

J12B3

IDE interface 1

CN13

32-bit PCI slots

PC1 – PC4

Ultra Wide SCSI interface

CN14

RAID slot

SL1

SCSI interface

CN15

   

USER CONFIGURABLE SETTINGS

Function

Label

Position

»

Factory configured - do not alter

J4F1

Unidentified

»

CMOS memory normal operation

J7E1

Pins 1 & 2 closed

 

CMOS memory clear

J7E1

Pins 2 & 3 closed

»

Flash BIOS normal operation

SW1/5

Off

 

Flash BIOS recovery mode

SW1/5

On

»

Enet normal operation

SW1/6

Off

 

Enet MAC disabled

SW1/6

On

»

Password enabled

SW1/7

Off

 

Password disabled

SW1/7

On

»

Floppy drive normal operation

SW1/8

Off

 

Floppy drive read only

SW1/8

On

DIMM CONFIGURATION

Size

Bank 0

Bank 1

Bank 2

Bank 3

8MB

(1) 1M x 64

None

None

None

16MB

(1) 2M x 64

None

None

None

16MB

(1) 1M x 64

(1) 1M x 64

None

None

24MB

(1) 2M x 64

(1) 1M x 64

None

None

24MB

(1) 1M x 64

(1) 1M x 64

(1) 1M x 64

None

32MB

(1) 4M x 64

None

None

None

32MB

(1) 2M x 64

(1) 1M x 64

(1) 1M x 64

None

DIMM CONFIGURATION (CON’T)

Size

Bank 0

Bank 1

Bank 2

Bank 3

32MB

(1) 2M x 64

(1) 2M x 64

None

None

32MB

(1) 1M x 64

(1) 1M x 64

(1) 1M x 64

(1) 1M x 64

40MB

(1) 4M x 64

(1) 1M x 64

None

None

40MB

(1) 2M x 64

(1) 2M x 64

(1) 1M x 64

None

48MB

(1) 4M x 64

(1) 1M x 64

(1) 1M x 64

None

48MB

(1) 4M x 64

(1) 2M x 64

None

None

48MB

(1) 2M x 64

(1) 2M x 64

(1) 2M x 64

None

56MB

(1) 4M x 64

(1) 2M x 64

(1) 1M x 64

None

64MB

(1) 8M x 64

None

None

None

64MB

(1) 4M x 64

(1) 4M x 64

None

None

64MB

(1) 2M x 64

(1) 2M x 64

(1) 2M x 64

(1) 2M x 64

72MB

(1) 8M x 64

(1) 1M x 64

None

None

72MB

(1) 4M x 64

(1) 4M x 64

(1) 1M x 64

None

80MB

(1) 8M x 64

(1) 1M x 64

(1) 1M x 64

None

80MB

(1) 4M x 64

(1) 4M x 64

(1) 2M x 64

None

88MB

(1) 8M x 64

(1) 2M x 64

(1) 1M x 64

None

96MB

(1) 8M x 64

(1) 2M x 64

(1) 2M x 64

None

96MB

(1) 4M x 64

(1) 4M x 64

(1) 4M x 64

None

104MB

(1) 8M x 64

(1) 4M x 64

(1) 1M x 64

None

112MB

(1) 8M x 64

(1) 4M x 64

(1) 2M x 64

None

128MB

(1) 16M x 64

None

None

None

128MB

(1) 8M x 64

(1) 4M x 64

(1) 4M x 64

None

128MB

(1) 8M x 64

(1) 8M x 64

None

None

128MB

(1) 4M x 64

(1) 4M x 64

(1) 4M x 64

(1) 4M x 64

144MB

(1) 16M x 64

(1) 1M x 64

(1) 1M x 64

None

144MB

(1) 16M x 64

(1) 2M x 64

None

None

144MB

(1) 8M x 64

(1) 8M x 64

(1) 2M x 64

None

152MB

(1) 16M x 64

(1) 2M x 64

(1) 1M x 64

None

160MB

(1) 16M x 64

(1) 2M x 64

(1) 2M x 64

None

160MB

(1) 8M x 64

(1) 8M x 64

(1) 4M x 64

None

168MB

(1) 16M x 64

(1) 4M x 64

(1) 1M x 64

None

176MB

(1) 16M x 64

(1) 4M x 64

(1) 2M x 64

None

192MB

(1) 16M x 64

(1) 4M x 64

(1) 4M x 64

None

192MB

(1) 8M x 64

(1) 8M x 64

(1) 8M x 64

None

200MB

(1) 16M x 64

(1) 8M x 64

(1) 1M x 64

None

208MB

(1) 16M x 64

(1) 8M x 64

(1) 2M x 64

None

224MB

(1) 16M x 64

(1) 8M x 64

(1) 4M x 64

None

256MB

(1) 16M x 64

(1) 8M x 64

(1) 8M x 64

None

256MB

(1) 8M x 64

(1) 8M x 64

(1) 8M x 64

(1) 8M x 64

384MB

(1) 16M x 64

(1) 16M x 64

(1) 16M x 64

None

512MB

(1) 16M x 64

(1) 16M x 64

(1) 16M x 64

(1) 16M x 64

Note: Board accepts SDRAM memory.

CACHE CONFIGURATION

Note: 256KB/512KB cache is located on the Pentium II CPU.

CPU SPEED SELECTION

CPU speed

Clock speed

Multiplier

SW1/1

SW1/2

SW1/3

SW1/4

233MHz

66MHz

3.5x

Off

Off

On

On

266MHz

66MHz

4x

On

On

Off

On

300MHz

66MHz

4.5x

Off

On

Off

On