MICRO-STAR INTERNATIONAL CO., LTD.
MS-6116
|
Device Type |
Mainboard |
|
Processor |
Pentium II |
|
Processor Speed |
233/250/266/300/350/400/450MHz |
|
Chip Set |
Intel 440BX |
|
Maximum Onboard Memory |
1GB (EDO & SDRAM supported) |
|
Cache |
256/512KB (located on the Pentium II CPU) |
|
BIOS |
Unidentified |
|
Dimensions |
300mm x 225mm |
|
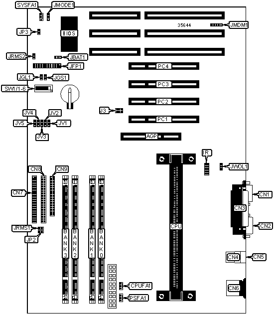
I/O Options |
32-bit PCI slots (4), floppy drive interfaceIDE interfaces (2), parallel port, PS/2 mouse port, serial ports (2), IR connector, USB connectors (2), ATX power connector, AGP slot |
|
CONNECTIONS | |||
|
Purpose |
Location |
Purpose |
Location |
|
AGP slot |
AGP |
Power LED & keylock |
JFP1/pins 1 - 5 |
|
ATX power connector |
ATX |
Speaker |
JFP1/pins 7 - 10 |
|
Serial port 2 |
CN1 |
IDE interface LED |
JFP1/pins 12 & 24 |
|
Serial port 1 |
CN2 |
Turbo LED |
JFP1/pins 14 & 15 |
|
Parallel port |
CN3 |
Reset switch |
JFP1/pins 21 & 22 |
|
USB connector 1 |
CN4 |
Wake on modem connector |
JMDM1 |
|
USB connector 2 |
CN5 |
Chassis intrusion connector |
JP3 |
|
PS/2 mouse port |
CN6 |
Power switch |
JRMS1 |
|
IDE interface 1 |
CN7 |
Power switch |
JRMS2 |
|
IDE interface 2 |
CN8 |
Wake on LAN connector |
JWOL1 |
|
Floppy drive interface |
CN9 |
32-bit PCI slots |
PC1 - PC4 |
|
CPU fan power |
CPUFA1 |
Power supply fan power |
PSFA1 |
|
IR connector |
IR |
Chassis fan power |
SYSFA1 |
|
Sound card connector |
J3 | ||
|
USER CONFIGURABLE SETTINGS | |||
|
Function |
Label |
Position | |
|
Flash BIOS voltage select 12v |
JMODE1 |
Pins 1 & 2 closed | |
|
Flash BIOS voltage select 5v |
JMODE1 |
Pins 2 & 3 closed | |
|
» |
CMOS memory normal operation |
JBAT1 |
Pins 1 & 2 closed |
|
CMOS memory clear |
JBAT1 |
Pins 2 & 3 closed | |
|
» |
Boot up by switch |
JP2 |
Closed |
|
Immediate boot up |
JP2 |
Open | |
|
DIMM CONFIGURATION | ||||
|
Size |
Bank 0 |
Bank 1 |
Bank 2 |
Bank 3 |
|
8 MB |
(1) 1M x 64 |
None |
None |
None |
|
16 MB |
(1) 1M x 64 |
(1) 1M x 64 |
None |
None |
|
16 MB |
(1) 2M x 64 |
None |
None |
None |
|
24 MB |
(1) 1M x 64 |
(1) 1M x 64 |
(1) 1M x 64 |
None |
|
32 MB |
(1) 1M x 64 |
(1) 1M x 64 |
(1) 1M x 64 |
(1) 1M x 64 |
|
32 MB |
(1) 2M x 64 |
(1) 2M x 64 |
None |
None |
|
32 MB |
(1) 4M x 64 |
None |
None |
None |
|
40 MB |
(1) 2M x 64 |
(1) 2M x 64 |
(1) 1M x 64 |
None |
|
48 MB |
(1) 2M x 64 |
(1) 2M x 64 |
(1) 2M x 64 |
None |
|
DIMM CONFIGURATION (CONT’) | ||||
|
Size |
Bank 0 |
Bank 1 |
Bank 2 |
Bank 3 |
|
64 MB |
(1) 2M x 64 |
(1) 2M x 64 |
(1) 2M x 64 |
(1) 2M x 64 |
|
64 MB |
(1) 4M x 64 |
(1) 4M x 64 |
None |
None |
|
64 MB |
(1) 8M x 64 |
None |
None |
None |
|
80 MB |
(1) 4M x 64 |
(1) 4M x 64 |
(1) 2M x 64 |
None |
|
96 MB |
(1) 4M x 64 |
(1) 4M x 64 |
(1) 4M x 64 |
None |
|
128 MB |
(1) 4M x 64 |
(1) 4M x 64 |
(1) 4M x 64 |
(1) 4M x 64 |
|
128 MB |
(1) 8M x 64 |
(1) 8M x 64 |
None |
None |
|
128 MB |
(1) 16M x 64 |
None |
None |
None |
|
130 MB |
(1) 8M x 64 |
(1) 8M x 64 |
(1) 4M x 64 |
None |
|
192 MB |
(1) 8M x 64 |
(1) 8M x 64 |
(1) 8M x 64 |
None |
|
256 MB |
(1) 8M x 64 |
(1) 8M x 64 |
(1) 8M x 64 |
(1) 8M x 64 |
|
256 MB |
(1) 16M x 64 |
(1) 16M x 64 |
None |
None |
|
256 MB |
(1) 32M x 64 |
None |
None |
None |
|
320 MB |
(1) 16M x 64 |
(1) 16M x 64 |
(1) 8M x 64 |
None |
|
384 MB |
(1) 16M x 64 |
(1) 16M x 64 |
(1) 16M x 64 |
None |
|
512 MB |
(1) 16M x 64 |
(1) 16M x 64 |
(1) 16M x 64 |
(1) 16M x 64 |
|
512 MB |
(1) 32M x 64 |
(1) 32M x 64 |
None |
None |
|
640 MB |
(1) 32M x 64 |
(1) 32M x 64 |
(1) 16M x 64 |
None |
|
768 MB |
(1) 32M x 64 |
(1) 32M x 64 |
(1) 32M x 64 |
None |
|
1024 MB |
(1) 32M x 64 |
(1) 32M x 64 |
(1) 32M x 64 |
(1) 32M x 64 |
|
CACHE CONFIGURATION |
|
Note: The 256/512KB cache is located on the Pentium II CPU. |
|
CPU SPEED SELECTION | ||
|
Speed |
SW1/5 |
SW1/6 |
|
66.6MHz |
On |
Off |
|
100MHz |
Off |
Off |
|
CPU MULTIPLIER SELECTION | ||||
|
Multiplier |
SW1/1 |
SW1/2 |
SW1/3 |
SW1/4 |
|
2.5x |
On |
Off |
On |
On |
|
3x |
On |
On |
Off |
On |
|
3.5x |
On |
Off |
Off |
On |
|
4x |
On |
On |
On |
Off |
|
4.5x |
On |
Off |
On |
Off |
|
5x |
On |
On |
Off |
Off |
|
5.5x |
On |
Off |
Off |
Off |
|
6x |
Off |
On |
On |
On |
|
6.5x |
Off |
Off |
On |
On |
|
7x |
Off |
On |
Off |
On |
|
7.5x |
Off |
Off |
Off |
On |
|
8x |
Off |
On |
On |
Off |