TYAN COMPUTER CORPORATION

S1684S

Device Type

Mainboard

Processor

Pentium Pro/Pentium II

Processor Speed

150/166/180/200/233/266/300MHz

Chip Set

Intel

Video Chip Set

None

Maximum Onboard Memory

768MB (EDO supported)

Maximum Video Memory

None

Cache

256/512KB (located on Pentium Pro/Pentium II CPU)

BIOS

AMI, Award

Dimensions

305mm x 244mm

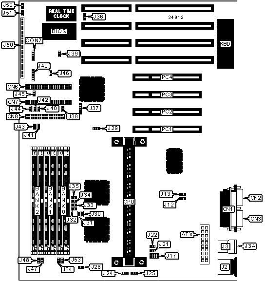
I/O Options

32-bit PCI slots (4), floppy drive interface, green PC connector, IDE interfaces (2), parallel port, PS/2 mouse port, serial ports (2), IR connector, USB connectors (2), ATX power connector

NPU Options

None

CONNECTIONS

Purpose

Location

Purpose

Location

ATX power connector

ATX

CPU fan fail warning

J28

Parallel port

CN1

IDE interface LED

J39

Serial port 2

CN2

Soft off power supply

J45

Serial port 1

CN3

Keylock

J49/pins 4 & 5

IDE interface 2

CN6

Soft off power supply

J50/pins 1 & 2

IDE interface 1

CN7

Green PC connector

J50/pins 3 & 4

Floppy drive interface

CN8

IR connector

J50/pins 8 - 10

PS/2 mouse port

J2

IDE interface LED

J50/pins 15 & 16

USB connector 1

J3

Power LED

J50/pins 18 - 20

USB connector 2

J3A

Reset switch

J50/pins 22 & 23

CPU fan power

J24

Speaker

J50/pins 24 - 27

CPU fan power

J25

32-bit PCI slots

PC1 – PC4

USER CONFIGURABLE SETTINGS

Function

Label

Position

»

Factory configured - do not alter

CON7

Unidentified

 

Serial port used as serial port

J12

Pins 1 & 2 closed

 

Serial port used as IR connector

J12

Pins 2 & 3 closed

»

Factory configured - do not alter

J13

Unidentified

»

Factory configured - do not alter

J17

Unidentified

»

Factory configured - do not alter

J21

Unidentified

»

Factory configured - do not alter

J22

Unidentified

»

Factory configured - do not alter

J29

Unidentified

»

Flash BIOS voltage select 5v

J36

Pins 1 & 2 closed

 

Flash BIOS voltage select 12v

J36

Pins 2 & 3 closed

»

Factory configured - do not alter

J46

Unidentified

»

Factory configured - do not alter

J51

Unidentified

»

CMOS memory normal operation

J52

Open

 

CMOS memory clear

J52

Closed

»

Factory configured - do not alter

J53

Unidentified

»

Factory configured - do not alter

J54

Unidentified

SIMM CONFIGURATION

Size

Bank 0

Bank 1

Bank 2

8MB

(2) 1M x 36

None

None

16MB

(2) 1M x 36

(2) 1M x 36

None

16MB

(2) 2M x 36

None

None

24MB

(2) 1M x 36

(2) 1M x 36

(2) 1M x 36

32MB

(2) 2M x 36

(2) 2M x 36

None

32MB

(2) 4M x 36

None

None

48MB

(2) 2M x 36

(2) 2M x 36

(2) 2M x 36

64MB

(2) 4M x 36

(2) 4M x 36

None

64MB

(2) 8M x 36

None

None

96MB

(2) 4M x 36

(2) 4M x 36

(2) 4M x 36

128MB

(2) 8M x 36

(2) 8M x 36

None

128MB

(2) 16M x 36

None

None

136MB

(2) 16M x 36

(2) 1M x 36

None

144MB

(2) 16M x 36

(2) 1M x 36

(2) 1M x 36

144MB

(2) 16M x 36

(2) 2M x 36

None

160MB

(2) 16M x 36

(2) 2M x 36

(2) 2M x 36

160MB

(2) 16M x 36

(2) 4M x 36

None

192MB

(2) 16M x 36

(2) 4M x 36

(2) 4M x 36

192MB

(2) 16M x 36

(2) 8M x 36

None

192MB

(2) 8M x 36

(2) 8M x 36

(2) 8M x 36

256MB

(2) 16M x 36

(2) 8M x 36

(2) 8M x 36

256MB

(2) 16M x 36

(2) 16M x 36

None

256MB

(2) 32M x 36

None

None

264MB

(2) 32M x 36

(2) 1M x 36

None

272MB

(2) 32M x 36

(2) 1M x 36

(2) 1M x 36

272MB

(2) 32M x 36

(2) 2M x 36

None

288MB

(2) 32M x 36

(2) 2M x 36

(2) 2M x 36

288MB

(2) 32M x 36

(2) 4M x 36

None

320MB

(2) 32M x 36

(2) 4M x 36

(2) 4M x 36

320MB

(2) 32M x 36

(2) 8M x 36

None

384MB

(2) 32M x 36

(2) 8M x 36

(2) 8M x 36

384MB

(2) 32M x 36

(2) 16M x 36

None

SIMM CONFIGURATION (CON’T)

Size

Bank 0

Bank 1

Bank 2

384MB

(2) 16M x 36

(2) 16M x 36

(2) 16M x 36

512MB

(2) 32M x 36

(2) 16M x 36

(2) 16M x 36

512MB

(2) 32M x 36

(2) 32M x 36

None

768MB

(2) 32M x 36

(2) 32M x 36

(2) 32M x 36

Note: Board accepts EDO memory.

SIMM VOLTAGE CONFIGURATION

Voltage

J32

J33

J34

J35

 

3.3v

Closed

Closed

Closed

Closed

»

5v

Open

Open

Open

Open

SIMM VOLTAGE CONFIGURATION (CON’T)

Voltage

J41

J43

J47

J48

 

3.3v

Open

Open

Open

Open

»

5v

Closed

Closed

Closed

Closed

CACHE CONFIGURATION

Note: 256KB/512KB cache is located on the Pentium Pro/Pentium II CPU.

CPU SPEED SELECTION (PENTIUM PRO)

CPU speed

Clock speed

Multiplier

J30

J31

J37

J38

150MHz

60MHz

2.5x

Open

Closed

3 & 4

Closed

166MHz

66MHz

2.5x

Closed

Open

1 & 2

Closed

180MHz

60MHz

3x

Open

Closed

3 & 4

Closed

200MHz

66MHz

3x

Closed

Open

1 & 2

Closed

Note: Pins designated should be in the closed position.

CPU SPEED SELECTION (PENTIUM PRO, CON’T)

CPU speed

Clock speed

Multiplier

J40

J42

J44

150MHz

60MHz

2.5x

Open

Closed

Closed

166MHz

66MHz

2.5x

Open

Closed

Closed

180MHz

60MHz

3x

Closed

Open

Closed

200MHz

66MHz

3x

Closed

Open

Closed

CPU SPEED SELECTION (PENTIUM II)

CPU speed

Clock speed

Multiplier

J30

J31

J37

J38

200MHz

66MHz

3x

Closed

Open

1 & 2

Closed

233MHz

66MHz

3.5x

Open

Closed

3 & 4

Closed

266MHz

66MHz

4x

Closed

Open

1 & 2

Closed

300MHz

66MHz

4.5x

Open

Closed

3 & 4

Closed

Note: Pins designated should be in the closed position.

CPU SPEED SELECTION (PENTIUM II, CON’T)

CPU speed

Clock speed

Multiplier

J40

J42

J44

200MHz

66MHz

3x

Closed

Open

Closed

233MHz

66MHz

3.5x

Open

Open

Closed

266MHz

66MHz

4x

Closed

Closed

Open

300MHz

66MHz

4.5x

Open

Closed

Open