SIEMENS NIXDORF
SYSTEM BOARD D1081
|
Device Type |
Mainboard |
|
Processor |
Pentium II/Celeron |
|
Processor Speed |
233/266/300/333MHz |
|
Chip Set |
Unidentified |
|
Video Chip Set |
ATI |
|
Maximum Onboard Memory |
256MB (SDRAM supported) |
|
Maximum Video Memory |
2MB |
|
Cache |
0/128/256/512KB (located on the CPU) |
|
BIOS |
Unidentified |
|
Dimensions |
254mm x 218mm |
|
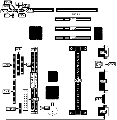
I/O Options |
32-bit PCI slots (3), floppy drive interface, IDE interfaces (2), parallel port, PS/2 mouse port, serial ports (2), VGA port, USB connectors (2), ATX power connector |
|
CONNECTIONS | |||
|
Purpose |
Location |
Purpose |
Location |
|
ATX power connector |
ATX |
PS/2 mouse port |
CN5 |
|
Chassis fan power |
C1 |
Serial port 1 |
CN6 |
|
Front panel connector |
C2 |
Floppy drive interface |
CN7 |
|
CPU fan power |
C3 |
IDE interface 1 |
CN8 |
|
VGA port |
CN1 |
IDE interface 2 |
CN9 |
|
USB connector 1 |
CN2 |
Serial port 2 |
CN10 |
|
USB connector 2 |
CN3 |
32-bit PCI slots |
PC1 – PC3 |
|
Parallel port |
CN4 | ||
|
USER CONFIGURABLE SETTINGS | |||
|
Function |
Label |
Position | |
|
Floppy drive write protect disabled |
FWP |
Open | |
|
Floppy drive write protect enabled |
FWP |
Closed | |
|
» |
Flash BIOS normal operation |
RCV |
Open |
|
Flash BIOS recovery mode |
RCV |
Closed | |
|
» |
Factory configured - do not alter |
SKP |
Open |
|
DIMM CONFIGURATION | ||
|
Size |
Bank 0 |
Bank 1 |
|
16MB |
(1) 2M x 64 |
None |
|
16MB |
(1) 1M x 64 |
(1) 1M x 64 |
|
24MB |
(1) 2M x 64 |
(1) 1M x 64 |
|
32MB |
(1) 4M x 64 |
None |
|
32MB |
(1) 2M x 64 |
(1) 2M x 64 |
|
40MB |
(1) 4M x 64 |
(1) 1M x 64 |
|
48MB |
(1) 4M x 64 |
(1) 2M x 64 |
|
64MB |
(1) 8M x 64 |
None |
|
64MB |
(1) 4M x 64 |
(1) 4M x 64 |
|
72MB |
(1) 8M x 64 |
(1) 1M x 64 |
|
80MB |
(1) 8M x 64 |
(1) 2M x 64 |
|
96MB |
(1) 8M x 64 |
(1) 4M x 64 |
|
128MB |
(1) 16M x 64 |
None |
|
128MB |
(1) 8M x 64 |
(1) 8M x 64 |
|
136MB |
(1) 16M x 64 |
(1) 1M x 64 |
|
DIMM CONFIGURATION (CON’T) | ||
|
Size |
Bank 0 |
Bank 1 |
|
144MB |
(1) 16M x 64 |
(1) 2M x 64 |
|
160MB |
(1) 16M x 64 |
(1) 4M x 64 |
|
192MB |
(1) 16M x 64 |
(1) 8M x 64 |
|
256MB |
(1) 16M x 64 |
(1) 16M x 64 |
|
Note: Board accepts SDRAM memory. | ||
|
CACHE CONFIGURATION |
|
Note: 256KB/512KB cache is located on the Pentium II CPU. 128KB cache is located on the Celeron 300A & 333 CPU. |
|
VIDEO CONFIGURATION |
|
Note: 2MB of video memory is factory installed and is not configurable. The location is unidentified. |
|
CPU SPEED SELECTION | ||||||
|
CPU speed |
Clock speed |
Multiplier |
CF1 |
CF2 |
CF3 |
CF4 |
|
233MHz |
66MHz |
3.5x |
Open |
Closed |
Open |
Open |
|
266MHz |
66MHz |
4x |
Open |
Open |
Closed |
Closed |
|
300MHz |
66MHz |
4.5x |
Open |
Open |
Closed |
Open |
|
333MHz |
66MHz |
5x |
Open |
Open |
Open |
Closed |