ZIDA TECHNOLOGIES, INC.

6ABX (VER. 1.10), 6ALX (VER. 1.10)

Device Type

Mainboard

Processor

Pentium II/Celeron

Processor Speed

233/266/300/333/350/400/450/500MHz

Chip Set

Intel 440 BX/LX

Video Chip Set

None

Maximum Onboard Memory

512MB (SDRAM supported)

Maximum Video Memory

None

Cache

256/512KB (located on Pentium II CPU)

BIOS

AMI

Dimensions

305mm x 190mm

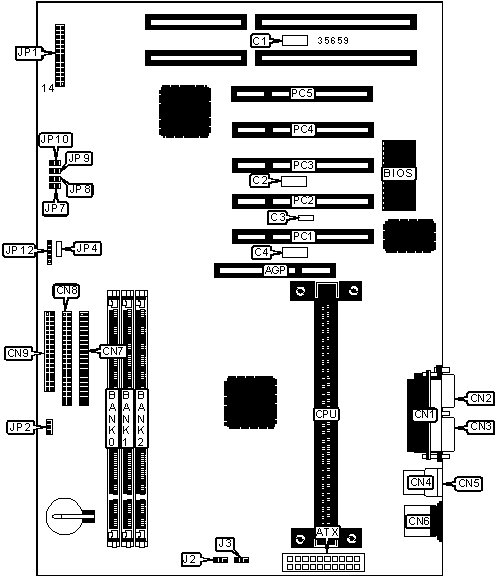
I/O Options

32-bit PCI slots (5), floppy drive interface, green PC connector, IDE interfaces (2), parallel port, PS/2 mouse port, serial ports (2), IR connector, USB connectors (2), ATX power connector, AGP slot

CONNECTIONS

Purpose

Location

Purpose

Location

AGP slot

AGP

IDE interface 2

CN8

ATX power connector

ATX

Floppy drive interface

CN9

TB-link connector

C1

CPU fan power

J2

SB-link connector

C2

CPU fan power

J3

Wake up link connector

C3

Power LED & keylock

JP1/pins 1 – 5

TA-link connector

C4

Green PC connector

JP1/pins 7 & 8

Parallel port

CN1

Speaker

JP1/pins 10 – 13

Serial port 2

CN2

IDE interface LED

JP1/pins 14 & 15

Serial port 1

CN3

Soft off power supply

JP1/pins 17 & 18

USB connector 1

CN4

Reset switch

JP1/pins 22 & 23

USB connector 2

CN5

Turbo LED

JP1/pins 25 & 26

PS/2 mouse port

CN6

IR connector

JP12

IDE interface 1

CN7

32-bit PCI slots

PC1 – PC5

USER CONFIGURABLE SETTINGS

Function

Label

Position

»

Flash BIOS write protect enabled

H1

Closed

»

CMOS memory normal operation

JP2

Pins 1 & 2 closed

 

CMOS memory clear

JP2

Pins 2 & 3 closed

»

Factory configured - do not alter

JP4

Unidentified

DIMM CONFIGURATION

Size

Bank 0

Bank 1

Bank 2

8MB

(1) 1M x 64

None

None

16MB

(1) 2M x 64

None

None

16MB

(1) 1M x 64

(1) 1M x 64

None

24MB

(1) 2M x 64

(1) 1M x 64

None

24MB

(1) 1M x 64

(1) 1M x 64

(1) 1M x 64

32MB

(1) 4M x 64

None

None

32MB

(1) 2M x 64

(1) 1M x 64

(1) 1M x 64

32MB

(1) 2M x 64

(1) 2M x 64

None

40MB

(1) 4M x 64

(1) 1M x 64

None

40MB

(1) 2M x 64

(1) 2M x 64

(1) 1M x 64

DIMM CONFIGURATION (CON’T)

Size

Bank 0

Bank 1

Bank 2

48MB

(1) 4M x 64

(1) 1M x 64

(1) 1M x 64

48MB

(1) 4M x 64

(1) 2M x 64

None

48MB

(1) 2M x 64

(1) 2M x 64

(1) 2M x 64

56MB

(1) 4M x 64

(1) 2M x 64

(1) 1M x 64

64MB

(1) 8M x 64

None

None

64MB

(1) 4M x 64

(1) 2M x 64

(1) 2M x 64

64MB

(1) 4M x 64

(1) 4M x 64

None

72MB

(1) 8M x 64

(1) 1M x 64

None

72MB

(1) 4M x 64

(1) 4M x 64

(1) 1M x 64

80MB

(1) 8M x 64

(1) 1M x 64

(1) 1M x 64

80MB

(1) 8M x 64

(1) 2M x 64

None

80MB

(1) 4M x 64

(1) 4M x 64

(1) 2M x 64

88MB

(1) 8M x 64

(1) 2M x 64

(1) 1M x 64

96MB

(1) 8M x 64

(1) 2M x 64

(1) 2M x 64

96MB

(1) 8M x 64

(1) 4M x 64

None

96MB

(1) 4M x 64

(1) 4M x 64

(1) 4M x 64

104MB

(1) 8M x 64

(1) 4M x 64

(1) 1M x 64

112MB

(1) 8M x 64

(1) 4M x 64

(1) 2M x 64

128MB

(1) 16M x 64

None

None

128MB

(1) 8M x 64

(1) 4M x 64

(1) 4M x 64

128MB

(1) 8M x 64

(1) 8M x 64

None

136MB

(1) 16M x 64

(1) 1M x 64

None

136MB

(1) 8M x 64

(1) 8M x 64

(1) 1M x 64

144MB

(1) 16M x 64

(1) 1M x 64

(1) 1M x 64

144MB

(1) 16M x 64

(1) 2M x 64

None

144MB

(1) 8M x 64

(1) 8M x 64

(1) 2M x 64

152MB

(1) 16M x 64

(1) 2M x 64

(1) 1M x 64

160MB

(1) 16M x 64

(1) 2M x 64

(1) 2M x 64

160MB

(1) 16M x 64

(1) 4M x 64

None

160MB

(1) 8M x 64

(1) 8M x 64

(1) 4M x 64

168MB

(1) 16M x 64

(1) 4M x 64

(1) 1M x 64

176MB

(1) 16M x 64

(1) 4M x 64

(1) 2M x 64

192MB

(1) 16M x 64

(1) 4M x 64

(1) 4M x 64

192MB

(1) 16M x 64

(1) 8M x 64

None

DIMM CONFIGURATION (CON’T)

Size

Bank 0

Bank 1

Bank 2

192MB

(1) 8M x 64

(1) 8M x 64

(1) 8M x 64

200MB

(1) 16M x 64

(1) 8M x 64

(1) 1M x 64

208MB

(1) 16M x 64

(1) 8M x 64

(1) 2M x 64

224MB

(1) 16M x 64

(1) 8M x 64

(1) 4M x 64

256MB

(1) 16M x 64

(1) 8M x 64

(1) 8M x 64

256MB

(1) 32M x 64

None

None

384MB

(1) 16M x 64

(1) 16M x 64

(1) 16M x 64

512MB

(1) 32M x 64

(1) 32M x 64

None

Note: Board accepts SDRAM memory.

CACHE CONFIGURATION

Note: 256KB/512KB cache is located on the Pentium II CPU.

CPU SPEED SELECTION

CPU speed

Clock speed

Multiplier

JP3

JP7

JP8

JP9

JP10

233MHz

66MHz

3.5x

Closed

Open

Open

Closed

Closed

266MHz

66MHz

4x

Closed

Closed

Closed

Open

Closed

300MHz

66MHz

4.5x

Closed

Open

Closed

Open

Closed

333MHz

66MHz

5x

Closed

Closed

Open

Open

Closed

350MHz

100MHz

3.5x

Open

Open

Open

Closed

Closed

400MHz

100MHz

4x

Open

Closed

Closed

Open

Closed

450MHz

100MHz

4.5x

Open

Open

Closed

Open

Closed

500MHz

100MHz

5x

Open

Closed

Open

Open

Closed

Note: The location of JP3 is unidentified.