MOTHERBOARDS Pentium Pro (socket 8)

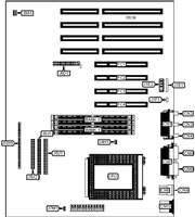
A-TREND - ZIDA

A-TREND TECHNOLOGY CORPORATION
Pentium Pro
ATC-6000
32-bit PCI slots (4), floppy drive interface, green PC connector, IDE interfaces (2), parallel port, PS/2 mouse port, serial ports (2), IR connector, USB connector
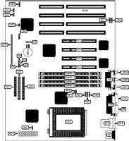
A-TREND TECHNOLOGY CORPORATION
Pentium Pro
ATC-6020
32-bit PCI slots (4), floppy drive interface, green PC connector, IDE interfaces (2), parallel port, PS/2 mouse port, serial ports (2), IR connector, USB connector, ATX power connector
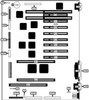
AAEON TECHNOLOGY, INC.
Pentium Pro
SBC-670
Floppy drive interface, IDE interfaces (2), parallel port, PS/2 mouse port, PS/2 mouse interface, serial ports (2), IR connector, USB connectors (2)
AAEON TECHNOLOGY, INC.
Pentium Pro
SBC-670S
Floppy drive interface, IDE interfaces (2), SCSI-2 interface, Wide SCSI interface, parallel port, PS/2 mouse port, PS/2 mouse interface, serial ports (2), IR connector, USB connectors (2)
ABIT COMPUTER CORPORATION
Pentium Pro
PP6 (REV. 0.2)
32-bit PCI slots (4), floppy drive interface, green PC connector, IDE interfaces (2), parallel port, PS/2 mouse port, serial ports (2), IR connector, VRM connector, USB connector
ACER, INC.
Pentium Pro
ACERALTOS 19000
32-bit PCI slots (6), floppy drive interface, IDE interface, SCSI interface, Wide Ultra SCSI interface, parallel port, PS/2 mouse port, serial ports (2), VGA port, VRM connectors (2), memory card slot
ACER, INC.
Pentium Pro
ACERALTOS 900 PRO (M11A), M11A
32-bit PCI slots (4), floppy drive interface, IDE interfaces (2), SCSI interface, Wide Ultra SCSI interface, parallel port, PS/2 mouse port, serial ports (2), VRM connector
ACER, INC.
Pentium Pro
ACERALTOS 9000 PRO (M9B), M9B
32-bit PCI slots (5), green PC connector, floppy drive interface, IDE interface, SCSI interface, SCSI-2 interface, parallel port, PS/2 mouse port, serial ports (2), VGA port, CPU slot
ACER, INC.
Pentium Pro
AP65
32-bit PCI slots (4), floppy drive interface, green PC connector, IDE interfaces (2), parallel port, PS/2 mouse interface, serial ports (2), IR connector, VRM connector, USB connector
ACER, INC.
Pentium Pro
AX65
32-bit PCI slots (5), floppy drive interface, green PC connector, IDE interfaces (2), parallel port, PS/2 mouse port, serial ports (2), IR connector, USB interface, ATX power connector
ACER, INC.
Pentium Pro
V60N
32-bit PCI slots (4), floppy drive interface, green PC connector, IDE interfaces (2), parallel port, PS/2 mouse port, serial ports (2), IR connector, USB connector, RAID slot
ACHME COMPUTER, INC.
Pentium Pro
MS-6101
32-bit PCI slots (4), floppy drive interface, IDE interfaces (2), parallel port, PS/2 mouse interface, serial ports (2), IR connector, VRM connector
ACHME COMPUTER, INC.
Pentium Pro
MS-6103
32-bit PCI slots (4), floppy drive interface, IDE interfaces (2), parallel port, PS/2 mouse interface, serial ports (2), IR connector, USB connector
ACHME COMPUTER, INC.
Pentium Pro
MS-6106
32-bit PCI slots (4), floppy drive interface, IDE interfaces (2), SCSI interfaces (2), parallel port, PS/2 mouse port, serial ports (2), IR connector, USB connector
ACHME COMPUTER, INC.
Pentium Pro
MS-6107 (VER. 1.0)
32-bit PCI slots (5), floppy drive interface, green PC connector, IDE interfaces (2), parallel port, PS/2 mouse port, serial ports (2), IR connector, VRM connectors (2), USB connector, ATX power connector, power on/off connector
ACTIVEI SYSTEMS, INC.
Pentium Pro
INDEPENDENCE
32-bit PCI slots (5), floppy drive interface, green PC connector, IDE interfaces (2), parallel port, PS/2 mouse interface, serial ports (2), IR connector, USB connector
ACTIVEI SYSTEMS, INC.
Pentium Pro
STONEHENGE
32-bit PCI slots (5), floppy drive interface, green PC connector, IDE interfaces (2), parallel port, PS/2 mouse port, serial ports (2), IR connector, USB connector, ATX power connector
ADVANCED INTEGRATION RESEARCH, INC.
Pentium Pro
P6NDI
32-bit PCI slots (5), floppy drive interface, green PC connector, IDE interfaces (2), parallel port, PS/2 mouse port, serial ports (2), IR connector, ATX power connector
ADVANCED INTEGRATION RESEARCH, INC.
Pentium Pro
P6NDP (AT VERSION)
32-bit PCI slots (4), floppy drive interface, green PC connector, Ultra Wide SCSI interface, Fast SCSI interface, PS/2 mouse interface, serial ports (2), IR connector, VRM connector, ATX power connector, RAID slot
ADVANCED INTEGRATION RESEARCH, INC.
Pentium Pro
P6NDP (AT)
32-bit PCI slots (5), floppy drive interface, green PC connector, Ultra Wide SCSI interface, Fast SCSI interface, PS/2 mouse interface, parallel port, serial ports (2), IR connector, VRM connector, ATX power connector, RAID slot
ADVANCED INTEGRATION RESEARCH, INC.
Pentium Pro
P6NDP (ATX VERSION)
32-bit PCI slots (4), floppy drive interface, green PC connector, Ultra Wide SCSI interface, Fast SCSI interface, parallel port, PS/2 mouse port, serial ports (2), IR connector, VRM connector, ATX power connector, RAID slot
ADVANCED INTEGRATION RESEARCH, INC.
Pentium Pro
P6NDP (ATX)
32-bit PCI slots (5), floppy drive interface, green PC connector, Ultra Wide SCSI interface, Fast SCSI interface, PS/2 mouse interface, parallel port, serial ports (2), IR connector, VRM connector, ATX power connector, RAID slot
ADVANCED INTEGRATION RESEARCH, INC.
Pentium Pro
P6NPI
32-bit PCI slots (4), floppy drive interface, green PC connector, IDE interfaces (2), Ultra Wide SCSI interface, Fast SCSI interface, parallel port, PS/2 mouse port, serial ports (2), IR connector, ATX power connector
AMERICAN MEGATRENDS, INC.
Pentium Pro
GOLIATH PCI QUAD
External memory card slot, 32-bit PCI slots (6), floppy drive interface, IDE interface, parallel port, PS/2 mouse interface, serial ports (2), VRM connectors (4), CPU slots (2)
AMERICAN MEGATRENDS, INC.
Pentium Pro
GOLIATH QUAD
External memory card slot, 32-bit PCI slots (6), floppy drive interface, IDE interface, parallel port, PS/2 mouse interface, serial ports (2), VRM connectors (4), CPU slots (2)
AMERICAN MEGATRENDS, INC.
Pentium Pro
MEGAPRO
32-bit PCI slots (4), floppy drive interface, green PC connector, IDE interfaces (2), parallel port, PS/2 mouse interface, serial ports (2), VGA interface, IR connector, VRM connectors (2), USB connectors (2)
AMERICAN MEGATRENDS, INC.
Pentium Pro
MERLIN DP
32-bit PCI slots (4), floppy drive interface, green PC connector, IDE interfaces (2), parallel port, PS/2 mouse interface, serial ports (2), VRM connectors (2), USB connectors (2)
AMERICAN MEGATRENDS, INC.
Pentium Pro
MERLIN PCI
32-bit PCI slots (4), floppy drive interface, green PC connector, IDE interfaces (2), parallel port, PS/2 mouse interface, serial ports (2), VRM connector, USB connectors (2), VRM connector
AMPTRON INTERNATIONAL, INC.
Pentium Pro
PM-PRO1000
32-bit PCI slots (4), floppy drive interface, green PC connector, IDE interfaces (2), parallel port, serial ports (2), VRM connector, USB connector
AST RESEARCH, INC.
Pentium Pro
BRAVO MS-T (DENALI)
32-bit PCI slots (4), floppy drive interface, IDE interfaces (2), parallel port, PS/2 mouse port, serial ports (2)
AST RESEARCH, INC.
Pentium Pro
BRAVO MS-T (SAMANTHA)
32-bit PCI slots (4), CD-ROM connector, floppy drive interface, IDE interfaces (2), parallel port, PS/2 mouse port, serial ports (2), wavetable connector, modem audio connector
ASUS COMPUTER INTERNATIONAL
Pentium Pro
C-P6ND
PS/2 mouse port
ASUS COMPUTER INTERNATIONAL
Pentium Pro
P/I AP6N (REV. 1.0)
Floppy drive interface, IDE interfaces (2), parallel port, PS/2 mouse port, serial ports (2), VGA port, AMC connector, wavetable connector, USB connector, IR connector, audio connector, riser slot, Audio in - CD-ROM
ASUS COMPUTER INTERNATIONAL
Pentium Pro
P/I-P6NP5 (REV. 1.41)
32-bit PCI slots (5), floppy drive interface, IDE interfaces (2), parallel port, PS/2 mouse interface, serial ports (2), MediaBus slot, IR connector
ASUS COMPUTER INTERNATIONAL
Pentium Pro
P/I-P6RP4
32-bit PCI slots (4), floppy drive interface, green PC connector, IDE interfaces (2), parallel port, PS/2 mouse interface, serial ports (2), IR connector, MediaBus connector, VRM connector
ASUS COMPUTER INTERNATIONAL
Pentium Pro
P/I-XP6NP5
32-bit PCI slots (5), floppy drive interface, green PC connector, IDE interfaces (2), parallel port, PS/2 mouse port, serial ports (2), IR connector, USB connector, ATX power connector, MediaBus slot
ASUS COMPUTER INTERNATIONAL
Pentium Pro
P/I-XP6NP5 (REV. 1.6)
32-bit PCI slots (5), floppy drive interface, green PC connector, IDE interfaces (2), parallel port, PS/2 mouse port, serial ports (2), IR connector, ATX power connector, MediaBus slot
BCM ADVANCED RESEARCH, INC.
Pentium Pro
SQ600
32-bit PCI slots (4), floppy drive interface, green PC connector, IDE interfaces (2), parallel port, PS/2 mouse interface, serial ports (2), IR connectors (2), USB connector
BIOSTAR MICROTECH INTERNATIONAL CORPORATION
Pentium Pro
MB-8600TTC A1
32-bit PCI slots (4), floppy drive interface, green PC connector, IDE interfaces (2), parallel port, PS/2 mouse interface, serial ports (2), IR connector, USB connector
BIOSTAR MICROTECH INTERNATIONAL CORPORATION
Pentium Pro
MB-8600TTX-A (REV. 1.0)
32-bit PCI slots (4), floppy drive interface, green PC connector, IDE interfaces (2), parallel port, PS/2 mouse port, serial ports (2), IR connector, USB connectors (2), ATX power connector, power on connector
BIOSTAR MICROTECH INTERNATIONAL CORPORATION
Pentium Pro
MB-8600TTX-A (REV. 1.1)
32-bit PCI slots (4), floppy drive interface, green PC connector, IDE interfaces (2), parallel port, PS/2 mouse port, serial ports (2), IR connector, USB connectors (2), ATX power connector, power on connector
BJMT TECHNOLOGY CORPORATION
Pentium Pro
INTEL 82440FX
32-bit PCI slots (4), floppy drive interface, green PC connector, IDE interfaces (2), parallel port, PS/2 mouse interface, serial ports (2), IR connector, USB connector
CHAINTECH COMPUTER COMPANY, LTD.
Pentium Pro
6IDM0.1
32-bit PCI slots (4), floppy drive interface, green PC connector, IDE interfaces (2), parallel port, PS/2 mouse port, serial ports (2), IR connector, USB connector, ATX power connector, VRM connector
CHAINTECH COMPUTER COMPANY, LTD.
Pentium Pro
6ITM0.1
32-bit PCI slots (4), floppy drive interface, green PC connector, IDE interfaces (2), parallel port, PS/2 mouse port, serial ports (2), IR connector, USB connector, ATX power connector
COMPAQ COMPUTER CORPORATION
Pentium Pro
DESKPRO 2000 (PENTIUM PRO)
Floppy drive interface, IDE interfaces (2), parallel port, PS/2 mouse port, serial ports (2), VGA port, riser slot
COMPAQ COMPUTER CORPORATION
Pentium Pro
DESKPRO 4000/6000 (PENTIUM PRO)
Unidentified
COMPAQ COMPUTER CORPORATION
Pentium Pro
PROFESSIONAL WORKSTATION 5000
VRM connectors (2), riser slot
COMPAQ COMPUTER CORPORATION
Pentium Pro
PROFESSIONAL WORKSTATION 8000 MODEL 6200
CPU expansion slot, memory expansion slot
COMPAQ COMPUTER CORPORATION
Pentium Pro
PROLIANT 2500
Unidentified
[no image]COMPAQ COMPUTER CORPORATION
Pentium Pro
PROLIANT 2500R
Unidentified
[no image]COMPAQ COMPUTER CORPORATION
Pentium Pro
PROLIANT 5000
Fast SCSI-2 interface, parallel port, PS/2 mouse port, serial ports (2), RJ-45 connector, BNC connector (optional), VGA port
[no image]COMPAQ COMPUTER CORPORATION
Pentium Pro
PROLIANT 5000R
Fast SCSI-2 interface, parallel port, PS/2 mouse port, serial ports (2), RJ-45 connector, VGA port
COMPAQ COMPUTER CORPORATION
Pentium Pro
PROLIANT 5500/5500R
32-bit PCI slots (8), floppy drive interface, IDE interface, SCSI interface, Wide Ultra SCSI interfaces (2), parallel port, PS/2 mouse port, serial ports (2), VGA port, I20 connector
COMPAQ COMPUTER CORPORATION
Pentium Pro
PROLIANT 6000
32-bit PCI slots (9), riser slot, VRM connectors (4)
COMPAQ COMPUTER CORPORATION
Pentium Pro
PROLIANT 6500/6500R
32-bit PCI slots (8), floppy drive interface, IDE interface, SCSI interface, Wide Ultra SCSI interface, parallel port, PS/2 mouse port, serial ports (2), VGA port, CPU slots (2), memory slot
[no image]COMPAQ COMPUTER CORPORATION
Pentium Pro
PROLIANT 800
Unidentified
[no image]COMPAQ COMPUTER CORPORATION
Pentium Pro
PROLINEA 6150E/6180E
Unidentified
COMPUTREND SYSTEMS, INC.
Pentium Pro
PCI PENTIUM PRO (MODEL NO. 211A)
32-bit PCI slots (4), green PC interface, floppy drive interface, IDE interfaces (2), SCSI interfaces (2), parallel port, PS/2 mouse port PS/2 mouse interface, serial ports (2), IR connector, USB connector, PS/2 5v voltage connector, CPU overheat conn
CSS LABORATORIES, INC.
Pentium Pro
MB-6862
32-bit PCI slots (5), floppy drive interface, IDE interfaces (2), parallel port, PS/2 mouse interface, serial ports (2), IR connector, VRM connectors (2), USB connectors (2)
CSS LABORATORIES, INC.
Pentium Pro
MB-6863
32-bit PCI slots (5), floppy drive interface, IDE interfaces (2), parallel port, PS/2 mouse interface, serial ports (2), IR connector, VRM connectors (2), USB connectors (2)
CSS LABORATORIES, INC.
Pentium Pro
MS-6861
Floppy drive interface, IDE interfaces (2), parallel port, serial ports (2), USB connectors (2)
CSS LABORATORIES, INC.
Pentium Pro
SB-6862
Floppy drive interface, IDE interfaces (2), parallel port, serial ports (2), VRM connectors (2), USB connectors (2)
DATAEXPERT CORPORATION
Pentium Pro
AFX440, ARISTO 6000
32-bit PCI slots (3), floppy drive interface, game/MIDI port, green PC connector, IDE interfaces (2), parallel port, PS/2 mouse port, serial ports (2), VGA feature connector, VGA port, IR connector, USB connectors (2), ATX power connector, line in, li
DATAEXPERT CORPORATION
Pentium Pro
EXP8P61
32-bit PCI slots (4), floppy drive interface, green PC connector, IDE interfaces (2), parallel port, PS/2 mouse port, serial ports (2), USB connectors (2)
DELL COMPUTER CORPORATION
Pentium Pro
DIMENSION XPS PRO XXXN
32-bit PCI slots (4), floppy drive interface, IDE interfaces (2), parallel port, PS/2 mouse port, serial ports (2), ATX power connector
DELL COMPUTER CORPORATION
Pentium Pro
DIMENSION XPS PROXXX
32-bit PCI slots (4), floppy drive interface, green PC connector, IDE interfaces (2), parallel port, PS/2 mouse port, serial ports (2)
DELL COMPUTER CORPORATION
Pentium Pro
OPTIPLEX GX PRO
Ethernet 10BaseT connector, floppy drive interface, IDE interfaces (2), parallel port, PS/2 mouse port, serial ports (2), riser slot, CPU slot, USB connector, ATX power connector, line in, speaker out, microphone in, audio in-CD-ROM
DELL COMPUTER CORPORATION
Pentium Pro
POWEREDGE 2100
32-bit PCI slots (3), floppy drive interface, Ultra-Wide SCSI interface, parallel port, PS/2 mouse port, serial ports (2), VGA port, ATX power connector, Server Management connector
DELL COMPUTER CORPORATION
Pentium Pro
POWEREDGE 4100, 6100
External memory card, 32-bit PCI slots (6), floppy drive interface, IDE interface, Ultra-Wide SCSI ports (2), parallel port, PS/2 mouse port, serial ports (2), VGA feature connector, VGA port, CPU slots (2), Server Management connector
DIAMOND FLOWER, INC.
Pentium Pro
G686IPA (REV. B+)
32-bit PCI slots (4), floppy drive interface, green PC connector, IDE interfaces (2), parallel port, PS/2 mouse port, serial ports (2), IR connector, VRM connector, USB connectors (2), ATX power connector
DIAMOND FLOWER, INC.
Pentium Pro
G686IPB (REV. BAO+)
32-bit PCI slots (4), floppy drive interface, IDE interfaces (2), parallel port, PS/2 mouse interface, serial ports (2), IR connector, USB connectors (2)
DIGITAL EQUIPMENT CORPORATION
Pentium Pro
CELEBRIS GL (VER. 2), VENTURIS GL (VER. 2)
DIGITAL EQUIPMENT CORPORATION
Pentium Pro
DIGITAL SERVER 7100
32-bit PCI slots (8), floppy drive interface, parallel port, PS/2 mouse port, serial ports (2)
DIGITAL EQUIPMENT CORPORATION
Pentium Pro
DIGITAL SERVER 7100R
32-bit PCI slots (8), floppy drive interface, parallel port, PS/2 mouse port, serial ports (2)
DIGITAL EQUIPMENT CORPORATION
Pentium Pro
PC 3400, PC 5400
DIGITAL EQUIPMENT CORPORATION
Pentium Pro
PERSONAL WORKSTATION 180I
DIGITAL EQUIPMENT CORPORATION
Pentium Pro
PRIORIS HX 6000
DIGITAL EQUIPMENT CORPORATION
Pentium Pro
PRIORIS MX 6200
DIGITAL EQUIPMENT CORPORATION
Pentium Pro
PRIORIS ZX 6000 MP
DTK COMPUTER, INC.
Pentium Pro
PRM-0032I (VER. 1.00)
32-bit PCI slots (4), floppy drive interface, green PC connector, IDE interfaces (2), SCSI interface, Wide SCSI interface, parallel port, PS/2 mouse port, serial ports (2), IR connector, USB connectors (2), VRM connectors (2)
DTK COMPUTER, INC.
Pentium Pro
PRM-OO31I (VER. 1.10)
32-bit PCI slots (5), floppy drive interface, green PC connector, IDE interfaces (2), parallel port, serial ports (2), IR connector, USB connectors (2)
DTK COMPUTER, INC.
Pentium Pro
PRM-OO31I (VER. 1.11)
32-bit PCI slots (5), floppy drive interface, green PC connector, IDE interfaces (2), parallel port, serial ports (2), IR connector, USB connectors (2)
EFA CORPORATION
Pentium Pro
P6NFX-AT
32-bit PCI slots (4), floppy drive interface, green PC connector, IDE interfaces (2), parallel port, PS/2 mouse interface, serial ports (2), IR connector, USB connectors (2)
ELITEGROUP COMPUTER SYSTEMS, INC.
Pentium Pro
P6FX1-A (VER. 1.1)
32-bit PCI slots (4), floppy drive interface, IDE interfaces (2), parallel port, PS/2 mouse port, serial ports (2), IR connectors (2), USB connector, ATX power connector, soft off power supply
ELITEGROUP COMPUTER SYSTEMS, INC.
Pentium Pro
P6FX1-B (VER. 1.0 PCB 2.0)
32-bit PCI slots (5), floppy drive interface, green PC connector, IDE interfaces (2), parallel port, PS/2 mouse interface, serial ports (2), IR connectors (2), USB connector
ELITEGROUP COMPUTER SYSTEMS, INC.
Pentium Pro
P6FX2-A (VER 1.0 PCB 1.0)
32-bit PCI slots (4), floppy drive interface, green PC connector, IDE interfaces (2), parallel port, PS/2 mouse port, serial ports (2), IR connectors (2), VRM connectors (2), USB connector, ATX power connector, external sensor connector, remote power
ELITEGROUP COMPUTER SYSTEMS, INC.
Pentium Pro
P6FX2-A (VER. 1.1)
32-bit PCI slots (4), floppy drive interface, green PC connector, IDE interfaces (2), parallel port, PS/2 mouse port, serial ports (2), IR connectors (2), VRM connectors (2), USB connector, ATX power connector
EPOX COMPUTER CO., LTD.
Pentium Pro
PP6-NB
32-bit PCI slots (4), floppy drive interface, green PC connector, IDE interfaces (2), parallel port, PS/2 mouse interface, serial ports (2), IR connector, USB connector
EPOX COMPUTER CO., LTD.
Pentium Pro
PP6-NF
32-bit PCI slots (4), floppy drive interface, green PC connector, IDE interfaces (2), parallel port, PS/2 mouse port, serial ports (2), IR connector, USB connector, ATX power connector
EPOX COMPUTER CO., LTD.
Pentium Pro
PP6-NS
32-bit PCI slots (3), floppy drive interface, green PC connector, IDE interfaces (2), parallel port, PS/2 mouse port, serial ports (2), IR connector, USB connector, ATX power connector
EVEREX SYSTEMS, INC.
Pentium Pro
STEP DP/PRO
32-bit PCI slots (4), floppy drive interface, IDE interface, parallel port, PS/2 mouse interface, serial ports (2), VRM connectors (2)
EVEREX SYSTEMS, INC.
Pentium Pro
STEP SP/PRO
32-bit PCI slots (4), floppy drive interface, green PC connector, IDE interfaces (2), parallel port, serial ports (2), IR connector, VRM connector
FAMOUS TECHNOLOGY CO., LTD.
Pentium Pro
MP-686IX
32-bit PCI slots (4), floppy drive interface, green PC connector, IDE interfaces (2), parallel port, PS/2 mouse port, serial ports (2), IR connector, VRM connector, USB connector, ATX power connector, soft off power supply
FIRST INTERNATIONAL COMPUTER, INC.
Pentium Pro
PN-6010
32-bit PCI slots (4), floppy drive interface, green PC connector, IDE interfaces (2), parallel port, PS/2 mouse port, serial ports (2), IR connector, VRM connector, USB connectors (2), ATX power connector
FIRST INTERNATIONAL COMPUTER, INC.
Pentium Pro
PN-6210
32-bit PCI slots (4), floppy drive interface, green PC connector, IDE interfaces (2), parallel port, PS/2 mouse port, serial ports (2), IR connector, VRM connectors (2), USB connector, ATX power connector
FIRST INTERNATIONAL COMPUTER, INC.
Pentium Pro
PO-6000 (REV. A0)
32-bit PCI slots (4), floppy drive interface, green PC connector, IDE interfaces (2), parallel port, serial ports (2), IR connector, VRM connector
FLASHTECH
Pentium Pro
SL-60A
32-bit PCI slots (4), floppy drive interface, green PC connector, IDE interfaces (2), parallel port, PS/2 mouse port, serial ports (2), cache slot, IR connector, VRM connector, USB connector
FLASHTECH
Pentium Pro
SL-65A
32-bit PCI slots (4), floppy drive interface, green PC connector, IDE interfaces (2), parallel port, PS/2 mouse port, serial ports (2), IR connector, USB connectors (2), ATX power connector, soft on power connector
FREE COMPUTER TECHNOLOGY, INC.
Pentium Pro
P6F70
32-bit PCI slots (5), floppy drive interface, green PC connector, IDE interfaces (2), parallel port, PS/2 mouse interface, serial ports (2), IR connector, USB connector
FREE COMPUTER TECHNOLOGY, INC.
Pentium Pro
PRO66-SP
32-bit PCI slots (4), floppy drive interface, green PC connector, IDE interfaces (2), parallel port, PS/2 mouse port, serial ports (2), IR connector, VRM connector, USB connector, ATX power connector, power on/off switch
GEMLIGHT COMPUTER, LTD.
Pentium Pro
GMB-P6IPS (VER. 1.11)
32-bit PCI slots (5), floppy drive interface, green PC connector, IDE interfaces (2), parallel port, serial ports (2), IR connector, USB connectors (2)
GENOA SYSTEMS CORPORATION
Pentium Pro
TURBOEXPRESS 686DP ATX
32-bit PCI slots (5), floppy drive interface, green PC connector, IDE interfaces (2), parallel port, PS/2 mouse port, serial ports (2), IR connector, USB connector, ATX power connector
GENOA SYSTEMS CORPORATION
Pentium Pro
TURBOEXPRESS 686SP
32-bit PCI slots (4), floppy drive interface, green PC connector, IDE interfaces (2), parallel port, PS/2 mouse port, serial ports (2), IR connector, USB connectors (2), ATX power connector
GIGA-BYTE TECHNOLOGY CO., LTD.
Pentium Pro
GA-686DX
32-bit PCI slots (5), floppy drive interface, green PC connector, IDE interfaces (2), parallel port, PS/2 mouse port, serial ports (2), IR connector, USB connector, ATX power connector
GIGA-BYTE TECHNOLOGY CO., LTD.
Pentium Pro
GA-686FX
32-bit PCI slots (4), floppy drive interface, green PC connector, IDE interfaces (2), parallel port, PS/2 mouse interface, serial ports (2), IR connector, USB connectors (2), ATX power connector
GIGA-BYTE TECHNOLOGY CO., LTD.
Pentium Pro
GA-686NX
32-bit PCI slots (4), floppy drive interface, green PC connector, IDE interfaces (2), parallel port, PS/2 mouse port, serial ports (2), IR connector, VRM connector, USB connector, ATX power connector
HEWLETT-PACKARD COMPANY
Pentium Pro
HP VECTRA VA 6/XXX
Floppy drive interface, IDE interfaces (2), parallel port, PS/2 mouse port, serial ports (2), VGA feature connector, VGA port
HEWLETT-PACKARD COMPANY
Pentium Pro
HP VECTRA VT 6/XXX
32-bit PCI slots (4), floppy drive interface, game/MIDI port, IDE interfaces (2), parallel port, PS/2 mouse port, serial ports (2), VRM connectors (2), ATX power connector, line in, line out, microphone in, audio in – CD-ROM
HEWLETT-PACKARD COMPANY
Pentium Pro
HP VECTRA XA 6/XXX
Floppy drive interface, IDE interfaces (2), parallel port, PS/2 mouse port, serial ports (2)
HEWLETT-PACKARD COMPANY
Pentium Pro
HP VECTRA XU 6/XXX
32-bit PCI slots (4), floppy drive interface, game/MIDI port, IDE interfaces (2), SCSI interface, External SCSI interface, parallel port, PS/2 mouse port, serial ports (2), VRM connectors (2), ATX power connector, line in, line out, microphone in, aud
HEWLETT-PACKARD COMPANY
Pentium Pro
HP VECTRA XW
32-bit PCI slots (4), floppy drive interface, game/MIDI port, IDE interfaces (2), SCSI interface, External SCSI interface, parallel port, PS/2 mouse port, serial ports (2), VRM connectors (2), ATX power connector, line in, line out, microphone in, aud
I-BUS
Pentium Pro
THRESHER
Floppy drive interface, IDE interface, parallel port, PS/2 mouse port, serial ports (2), VRM connector, USB connector
IBM CORPORATION
Pentium Pro
INTELLISTATION (TYPE 6899)
Floppy drive interface, IDE interfaces (2), parallel port, PS/2 mouse port, serial ports (2), riser slot, IR connector, VRM connector, USB connector, line in, line out, microphone in, wake on modem connectors (2), wake on LAN connector, CD-ROM audio i
IBM CORPORATION
Pentium Pro
INTELLISTATION Z PRO
Floppy drive interface, IDE interfaces (2), parallel port, PS/2 mouse port, serial ports (2), riser slot, IR connector, VRM connector, USB connector, audio connectors (3), CD-ROM audio in, wake on modem connectors (2), wake on LAN connector
IBM CORPORATION
Pentium Pro
NETFINITY 7000 (TYPE 8651) MODEL RHO, RMO, TMO, THO
32-bit PCI slots (6), floppy drive interface, IDE interface, Ultra Wide SCSI interfaces (2), parallel port, PS/2 mouse port, serial ports (2), VGA port, riser slots (2), memory slot
IBM CORPORATION
Pentium Pro
PC SERVER 315 (TYPE 8638)
Floppy drive interface, serial port
IBM CORPORATION
Pentium Pro
PC SERVER 325 (TYPE 8639)
32-bit PCI slots (5), Ethernet connectors (2), floppy drive interface, Ultra SCSI interfaces (2), parallel port, PS/2 mouse port, serial port, VGA port, IR connector, VRM connectors (2), CPU slot
IBM CORPORATION
Pentium Pro
PC SERVER 704 (TYPE 8650) MODEL 4BW
32-bit PCI slots (5), floppy drive interface, Ultra Wide SCSI interfaces (2), parallel port, PS/2 mouse port, serial ports (2), VGA port, riser slots (2), memory slot
IBM CORPORATION
Pentium Pro
PC SERVER 704 (TYPE 8650) MODEL 4MO
32-bit PCI slots (6), floppy drive interface, Ultra Wide SCSI interfaces (2), parallel port, PS/2 mouse port, serial ports (2), VGA port, riser slots (2), memory slot
IBM CORPORATION
Pentium Pro
PC SERVER 704 (TYPE 8650) MODEL 7AX
32-bit PCI slots (4), floppy drive interface, Ultra Wide SCSI interfaces (2), parallel port, PS/2 mouse port, serial ports (2), VGA port, riser slots (2), memory slot
IBM CORPORATION
Pentium Pro
PC300 (TYPE 6562, 6592)
Ethernet 10BaseT connector, parallel port, PS/2 mouse port, serial ports (2), VGA feature connector, VGA port, IR connector, USB connectors (2), line in, line out
ICL
Pentium Pro
ERGOPRO P6/150
32-bit PCI slots (4), floppy drive interface, IDE interfaces (2), parallel port, PS/2 mouse port, serial ports (2
INDUSTRIAL COMPUTER SOURCE
Pentium Pro
SB686P200, SB686P5200
Floppy drive interface, IDE interfaces (2), Ultra SCSI interface, parallel port, PS/2 mouse port, PS/2 mouse interface, serial ports (2), VRM connector
INDUSTRIAL COMPUTER SOURCE
Pentium Pro
SB686PV200, SB686PV5200
Floppy drive interface, IDE interfaces (2), Ultra SCSI interface, parallel port, PS/2 mouse port, PS/2 mouse interface, serial ports (2), VGA port, VRM connector
INTEL CORPORATION
Pentium Pro
AP440FX
CD-ROM interface, floppy drive interface, green PC connector, IDE interfaces (2), parallel port, PS/2 mouse port, serial ports (2), VESA feature connector, VGA port, riser slot, IR connectors (2), USB connector, soft off power supply, wavetable interf
INTEL CORPORATION
Pentium Pro
PERFORMANCE/AU
32-bit PCI slots (4), floppy drive interface, green PC connector, IDE interfaces (2), parallel port, PS/2 mouse port, serial ports (2), IR connector
INTEL CORPORATION
Pentium Pro
PR440FX
32-bit PCI slots (4), CD-ROM interface, Ethernet 10BaseT connector, floppy drive interface, green PC connector, IDE interfaces (2), SCSI interface, parallel port, PS/2 mouse port, serial ports (2), IR connector, VRM connector, USB connectors (2), tele
INTEL CORPORATION
Pentium Pro
VS440FX
32-bit PCI slots (4), CD-ROM interface, floppy drive interface, green PC connector, IDE interfaces (2), parallel port, PS/2 mouse port, serial ports (2), IR connector, wavetable connector, telephony connector, audio out connector, microphone in connec
J-MARK COMPUTER CORPORATION
Pentium Pro
J-756A
32-bit PCI slots (4), floppy drive interface, green PC connector, IDE interfaces (2), parallel port, PS/2 mouse interface, serial ports (2), IR connector, USB connectors (2)
KADATCO CO., LTD.
Pentium Pro
AM-600FX
32-bit PCI slots (4), floppy drive interface, green PC connector, IDE interfaces (2), parallel port, PS/2 mouse interface, serial ports (2), IR connector, USB connector
LANNER ELECTRONICS, INC.
Pentium Pro
AP-60IFA
Floppy drive interface, green PC connector, IDE interfaces (2), SCSI interface, Wide Ultra SCSI interface, parallel port, PS/2 mouse port, serial ports (2), VGA port, IR connector, USB connectors (2), flat panel connectors (2)
LANNER ELECTRONICS, INC.
Pentium Pro
AP-60IFV
Floppy drive interface, green PC connector, IDE interfaces (2), parallel port, PS/2 mouse port, serial ports (2), VGA port, IR connector, USB connectors (2), flat panel connectors (2)
LUCKY STAR TECHNOLOGY CO., LTD.
Pentium Pro
6IX-K
32-bit PCI slots (4), floppy drive interface, green PC connector, IDE interfaces (2), SCSI-2 interfaces (2), parallel port, PS/2 mouse port, serial ports (2), IR connector, USB connector, RAID slot
M TECHNOLOGY, INC.
Pentium Pro
R651 PENTIUM PRO
32-bit PCI slots (4), floppy drive interface, green PC connector, IDE interfaces (2), parallel port, PS/2 mouse port, serial ports (2), USB connectors (2), ATX power connector
MAGITRONICS
Pentium Pro
A-PX680-200C
32-bit PCI slots (4), CD-ROM interface, floppy drive interface, green PC connector, IDE interfaces (2), parallel port, PS/2 mouse port, serial ports (2), IR connector, wavetable connector, telephony connector, audio out connector, microphone in connec
MICRO-STAR INTERNATIONAL CO., LTD.
Pentium Pro
MS-6101
32-bit PCI slots (4), floppy drive interface, IDE interfaces (2), parallel port, PS/2 mouse interface, serial ports (2), IR connector, VRM connector
MICRO-STAR INTERNATIONAL CO., LTD.
Pentium Pro
MS-6103
32-bit PCI slots (4), floppy drive interface, IDE interfaces (2), parallel port, PS/2 mouse interface, serial ports (2), IR connector, USB connector
MICRO-STAR INTERNATIONAL CO., LTD.
Pentium Pro
MS-6106
32-bit PCI slots (4), floppy drive interface, IDE interfaces (2), SCSI interfaces (2), parallel port, PS/2 mouse port, serial ports (2), IR connector, USB connector
MICRO-STAR INTERNATIONAL CO., LTD.
Pentium Pro
MS-6107 (VER. 1.0)
32-bit PCI slots (5), floppy drive interface, green PC connector, IDE interfaces (2), parallel port, PS/2 mouse port, serial ports (2), IR connector, VRM connectors (2), USB connector, ATX power connector, power on/off connector
MICRONICS COMPUTERS, INC.
Pentium Pro
D6-IN
32-bit PCI slots (4), floppy drive interface, IDE interfaces (2), parallel port, PS/2 mouse interface, serial ports (2), IR connector
MICRONICS COMPUTERS, INC.
Pentium Pro
INVADER
32-bit PCI slots (4), CD-ROM audio in connectors (4), interface, floppy drive interface, game port, green PC connector, IDE interfaces (2), parallel port, PS/2 mouse port, serial ports (2), IR connector, USB connector, ATX power connector, microphone
MICRONICS COMPUTERS, INC.
Pentium Pro
M6DPI
32-bit PCI slots (7), floppy drive interface, IDE interface, SCSI interface, Wide SCSI interface, parallel port, PS/2 mouse port, serial ports (2), VGA interface, IR connector, VRM connectors (2), USB connector, RAID slot
MICRONICS COMPUTERS, INC.
Pentium Pro
M6ME
32-bit PCI slots (3), floppy drive interface, IDE interface, SCSI interface, Ultra Wide SCSI interface, parallel port, PS/2 mouse port, serial ports (2), VESA feature connector, VGA interface, IR connector, VRM connectors (2), soft power standby/signa
MICRONICS COMPUTERS, INC.
Pentium Pro
M6MI
32-bit PCI slots (4), bus mouse port, CD-ROM audio input connector, floppy drive interface, IDE interfaces (2), parallel port, PS/2 mouse port, serial ports (2), IR connector, VRM connector, USB connectors (2), microphone connector, audio line in conn
MICRONICS COMPUTERS, INC.
Pentium Pro
M6PI
32-bit PCI slots (3), floppy drive interface, IDE interfaces (2), parallel port, serial ports (2), IR connectors (2), VRM connector
MICRONICS COMPUTERS, INC.
Pentium Pro
W6-LI
32-bit PCI slots (4), CD-ROM connector, floppy drive interface, game port, green PC connector, IDE interfaces (2), Fast SCSI interface, Ultra Wide SCSI interface, parallel port, PS/2 mouse port, serial ports (2), IR connectors (2), USB connectors (2),
MITAC INTERNATIONAL CORPORATION
Pentium Pro
PX6600N
32-bit PCI slots (4), floppy drive interface, game/MIDI port, green PC connector, IDE interfaces (2), parallel port, PS/2 mouse port, serial ports (2), IR connector, USB connectors (2), line in, line out, microphone in, wavetable connector, audio in
NIAGARA SMD TECHNOLOGY, INC.
Pentium Pro
NT928SPP
32-bit PCI slots (4), floppy drive interface, green PC connector, IDE interfaces (2), Ultra-SCSI Wide interface, SCSI interface, parallel port, PS/2 mouse port, serial ports (2), ATX power connector, USB connector, IR connector
PC WARE INTERNATIONAL, INC.
Pentium Pro
MB-TAURUS
32-bit PCI slots (4), floppy drive interface, green PC connector, IDE interfaces (2), parallel port, PS/2 mouse port, serial ports (2), VRM connector, USB connector
PINE TECHNOLOGY
Pentium Pro
PT-61F (VER. 1X)
32-bit PCI slots (4), floppy drive interface, green PC connector, IDE interfaces (2), parallel port, PS/2 mouse port, PS/2 mouse interface, serial ports (2), IR connector, VRM connector, USB connectors (2)
QDI COMPUTER, INC.
Pentium Pro
P6I440FX
32-bit PCI slots (4), floppy drive interface, IDE interfaces (2), PS/2 mouse interface, serial ports (2), IR connector, VRM connector, USB connectors (2)
QDI COMPUTER, INC.
Pentium Pro
P6I440FX COMMANDER
32-bit PCI slots (4), floppy drive interface, green PC connector, IDE interfaces (2), parallel port, PS/2 mouse interface, serial ports (2), IR connector, USB connectors (2)
QDI COMPUTER, INC.
Pentium Pro
P6I440FX-DP COMMANDER IV
32-bit PCI slots (5), floppy drive interface, green PC connector, IDE interfaces (2), parallel port, PS/2 mouse port, serial ports (2), IR connector, VRM connectors (2), USB connectors (2), ATX power connector
SEANIX TECHNOLOGY, INC.
Pentium Pro
OEM-I-PRO
32-bit PCI slots (4), CD-ROM interface, floppy drive interface, green PC connector, IDE interfaces (2), parallel port, PS/2 mouse port, serial ports (2), IR connector, wavetable connector, telephony connector, audio out connector, microphone in connec
SHUTTLE COMPUTER INTERNATIONAL, INC.
Pentium Pro
HOT-613 (DUAL)
32-bit PCI slots (4), floppy drive interface, green PC connector, IDE interfaces (2), parallel port, PS/2 mouse port, serial ports (2), IR connector, USB connectors (2), ATX power connector, VRM connector
SHUTTLE COMPUTER INTERNATIONAL, INC.
Pentium Pro
HOT-613 (SINGLE)
32-bit PCI slots (4), floppy drive interface, green PC connector, IDE interfaces (2), parallel port, PS/2 mouse port, serial ports (2), IR connector, USB connectors (2), ATX power connector
SHUTTLE COMPUTER INTERNATIONAL, INC.
Pentium Pro
HOT-617
32-bit PCI slots (5), floppy drive interface, green PC connector, IDE interfaces (2), parallel port, serial ports (2), IR connector, USB connectors (2)
SIEMENS NIXDORF
Pentium Pro
SYSTEM BOARD D887
SIEMENS NIXDORF
Pentium Pro
SYSTEM BOARD D970
32-bit PCI slots (6), floppy drive interface, IDE interface, Wide Ultra SCSI interface, parallel port, PS/2 mouse port, serial ports (2), VGA port, ATX power connector
SIEMENS NIXDORF INFORMATIONSSYSTEME AG
Pentium Pro
SYSTEM BOARD D1000
32-bit PCI slots (4), floppy drive interface, IDE interfaces (2), SCSI interface, parallel port, PS/2 mouse port, serial ports (2), VRM connector, USB connectors (2), RJ-45 port, line out connector, line in connector, game/MIDI port, voice/modem port
SIEMENS NIXDORF INFORMATIONSSYSTEME AG
Pentium Pro
SYSTEM BOARD D931
Floppy drive interface, IDE interfaces (2), parallel port, PS/2 mouse port, serial ports (2), serial port TTL, riser slot, IR connectors (2), remote on connector, chipcard reader connector, soft off power supply connector
SILICON STAR INTERNATIONAL, INC.
Pentium Pro
PP6 (REV. 0.2)
32-bit PCI slots (4), floppy drive interface, green PC connector, IDE interfaces (2), parallel port, PS/2 mouse port, serial ports (2), IR connector, VRM connector, USB connector
SOLTEK
Pentium Pro
SL-60A
32-bit PCI slots (4), floppy drive interface, green PC connector, IDE interfaces (2), parallel port, PS/2 mouse port, serial ports (2), cache slot, IR connector, VRM connector, USB connector
SOLTEK, INC.
Pentium Pro
SL-65A
32-bit PCI slots (4), floppy drive interface, green PC connector, IDE interfaces (2), parallel port, PS/2 mouse port, serial ports (2), IR connector, USB connectors (2), ATX power connector, soft on power connector
SOYO COMPUTER CO., LTD.
Pentium Pro
6FA
32-bit PCI slots (4), floppy drive interface, green PC connector, IDE interfaces (2), parallel port, PS/2 mouse port, serial ports (2), IR connector, VRM connector, USB connector, ATX power connector
SOYO COMPUTER CO., LTD.
Pentium Pro
6FB
32-bit PCI slots (5), floppy drive interface, green PC connector, IDE interfaces (2), parallel port, PS/2 mouse port, serial ports (2), IR connector, VRM connector, USB connector
SUPER MICRO
Pentium Pro
P6DNE
32-bit PCI slots (4), floppy drive interface, green PC connector, IDE interfaces (2), parallel port, PS/2 mouse interface, serial ports (2), IR connector, VRM connectors (2), USB connectors (2)
SUPER MICRO
Pentium Pro
P6DNF
32-bit PCI slots (4), floppy drive interface, green PC connector, IDE interfaces (2), parallel port, PS/2 mouse interface, serial ports (2), IR connector, VRM connectors (2), USB connectors (2)
SUPER MICRO
Pentium Pro
P6DNH, P6DNH2
32-bit PCI slots (8), floppy drive interface, IDE interfaces (2), parallel port, PS/2 mouse interface, serial ports (2), IR connector, VRM connectors (2), USB connectors (2)
SUPER MICRO
Pentium Pro
P6DOF
32-bit PCI slots (4), floppy drive interface, IDE interface, parallel port, PS/2 mouse interface, serial ports (2), VRM connectors (2)
SUPER MICRO
Pentium Pro
P6SAS
32-bit PCI slots (4), floppy drive interface, green PC connector, IDE interfaces (2), SCSI interfaces (2), parallel port, PS/2 mouse port, serial ports (2), IR connector, USB connectors (2), ATX power connector, power on connector
SUPER MICRO
Pentium Pro
P6SNA
32-bit PCI slots (4), floppy drive interface, green PC connector, IDE interfaces (2), parallel port, PS/2 mouse port, serial ports (2), IR connector, USB connectors (2), ATX power connector, power on connector
SUPER MICRO
Pentium Pro
P6SNE
32-bit PCI slots (4), floppy drive interface, green PC connector, IDE interfaces (2), parallel port, PS/2 mouse interface, serial ports (2), IR connector, VRM connector, USB connectors (2)
SUPER MICRO
Pentium Pro
P6SNF
32-bit PCI slots (4), floppy drive interface, green PC connector, IDE interfaces (2), parallel port, PS/2 mouse interface, serial ports (2), IR connector, VRM connector, USB connectors (2)
SUPER MICRO
Pentium Pro
P6SNS
32-bit PCI slots (4), floppy drive interface, green PC connector, IDE interfaces (2), ultra SCSI interface, ultra wide SCSI interface, SCSI interface, parallel port, PS/2 mouse port, PS/2 mouse interface, serial ports (2), IR connector, USB connectors
SUPER MICRO
Pentium Pro
P6SOF
32-bit PCI slots (4), floppy drive interface, IDE interface, parallel port, PS/2 mouse interface, serial ports (2), VRM connector
TECHNOLAND, INC.
Pentium Pro
PEAK 6020
Floppy drive interface, IDE interfaces (2), parallel port, PS/2 mouse port, serial ports (2), IR connector, VRM connectors (2)
TECHNOLAND, INC.
Pentium Pro
PEAK 610
Floppy drive interface, IDE interfaces (2), parallel port, PS/2 mouse interface, serial ports (3), VRM connector, USB connector
TECHNOLAND, INC.
Pentium Pro
PEAK 610S
Floppy drive interface, IDE interfaces (2), SCSI interface, SCSI adapter connector, parallel port, PS/2 mouse interface, serial ports (3), VRM connector, USB connector
TECHNOLAND, INC.
Pentium Pro
PEAK 610SR
Floppy drive interface, IDE interfaces (2), SCSI interface, SCSI adapter connector, parallel port, PS/2 mouse interface, serial ports (3), VRM connector, USB connector
TEKRAM TECHNOLOGY CO., LTD.
Pentium Pro
P6F40-B5
32-bit PCI slots (5), floppy drive interface, green PC connector, IDE interfaces (2), parallel port, PS/2 mouse interface, serial ports (2), IR connectors (2), USB connector
TEXAS MICROSYSTEMS, INC.
Pentium Pro
P6000FX (OPTION A)
TEXAS MICROSYSTEMS, INC.
Pentium Pro
P6000FX (OPTION B)
TMC RESEARCH CORPORATION
Pentium Pro
AD6NF9 (VER. 1.0)
32-bit PCI slots (7), floppy drive interface, green PC connector, IDE interfaces (2), parallel port, PS/2 mouse port, serial ports (2), VGA feature connector, VGA interface, IR connector, USB connector
TMC RESEARCH CORPORATION
Pentium Pro
AI6NF (VER. 1.1A)
32-bit PCI slots (4), floppy drive interface, green PC connector, IDE interfaces (2), parallel port, PS/2 mouse interface, serial ports (2), IR connector, VRM connector, USB connector
TMC RESEARCH CORPORATION
Pentium Pro
TD6NF (VER. 1.0)
32-bit PCI slots (5), floppy drive interface, green PC connector, IDE interfaces (2), parallel port, PS/2 mouse port, serial ports (2), IR connector, USB connector, ATX power connector
TMC RESEARCH CORPORATION
Pentium Pro
TI6NFK/KP6 (VER. 1.0)
32-bit PCI slots (4), floppy drive interface, green PC connector, IDE interfaces (2), parallel port, PS/2 mouse port, serial ports (2), IR connector, USB connectors (2), ATX power connector, CPU Slot 1
TRENTON TECHNOLOGY, INC.
Pentium Pro
TR-DP6
Floppy drive interface, IDE interfaces (2), parallel port, PS/2 mouse interface, serial ports (2), VRM connectors (2), USB connectors (2)
TRENTON TECHNOLOGY, INC.
Pentium Pro
TR-P6V
Floppy drive interface, green PC connector, IDE interfaces (2), Ultra SCSI interface, parallel port, PS/2 mouse port, serial ports (2), VGA port, VRM connector, USB connectors (2)
TYAN COMPUTER CORPORATION
Pentium Pro
S1662 (REV. 1.0)
32-bit PCI slots (5), floppy drive interface, IDE interfaces (2), parallel port, PS/2 mouse interface, serial ports (2), IR connectors (2), VRM connectors (2), USB connectors (2)
TYAN COMPUTER CORPORATION
Pentium Pro
S1662D (REV. 1.2)
32-bit PCI slots (5), floppy drive interface, IDE interfaces (2), parallel port, PS/2 mouse interface, serial ports (2), IR connectors (2), VRM connectors (2), USB connectors (2)
TYAN COMPUTER CORPORATION
Pentium Pro
S1662S (REV. 1.2)
32-bit PCI slots (5), floppy drive interface, IDE interfaces (2), parallel port, PS/2 mouse interface, serial ports (2), IR connectors (2), VRM connector, USB connectors (2)
TYAN COMPUTER CORPORATION
Pentium Pro
S1668 (REV. 1.1)
32-bit PCI slots (5), floppy drive interface, IDE interfaces (2), parallel port, PS/2 mouse port, serial ports (2), IR connectors (2), VRM connectors (2), USB connectors (2)
TYAN COMPUTER CORPORATION
Pentium Pro
S1668 (REV. 1.2)
32-bit PCI slots (5), floppy drive interface, IDE interfaces (2), parallel port, PS/2 mouse port, serial ports (2), IR connectors (2), VRM connectors (2), USB connectors (2), soft on power switch
TYAN COMPUTER CORPORATION
Pentium Pro
S1672
32-bit PCI slots (4), floppy drive interface, IDE interfaces (2), parallel port, PS/2 mouse port, serial ports (2), IR connector, USB connectors (2), ATX power connector, soft on power supply
VEXTREC TECHNOLOGY INC.
Pentium Pro
GMB-P6IPS (VER. 1.11)
32-bit PCI slots (5), floppy drive interface, green PC connector, IDE interfaces (2), parallel port, serial ports (2), IR connector, USB connectors (2)
WIN LAN ENTERPRISE CO., LTD.
Pentium Pro
EL-EP09
32-bit PCI slots (4), floppy drive interface, green PC connector, IDE interfaces (2), parallel port, PS/2 mouse port, serial ports (2), IR connector, USB connector, ATX power connector
YOUNG MICRO SYSTEMS, INC.
Pentium Pro
MB-6000
32-bit PCI slots (4), floppy drive interface, green PC connector, IDE interfaces (2), Ultra Wide SCSI interface, Fast SCSI interface, parallel port, PS/2 mouse port, serial ports (2), IR connector, ATX power connector
YOUNG MICRO SYSTEMS, INC.
Pentium Pro
VS440FX
32-bit PCI slots (4), CD-ROM interface, floppy drive interface, green PC connector, IDE interfaces (2), parallel port, PS/2 mouse port, serial ports (2), IR connector, wavetable connector, telephony connector, audio out connector, microphone in connec
ZENITH DATA SYSTEMS
Pentium Pro
Z-STATION LX PRO
32-bit PCI slots (4), CD-ROM interface, floppy drive interface, green PC connector, IDE interfaces (2), parallel port, PS/2 mouse port, serial ports (2), wavetable connector, RJ-11 connector, IR connector
ZENITH DATA SYSTEMS, INC.
Pentium Pro
Z-SERVER EL PRO
IDE interfaces (2), parallel port, PS/2 mouse port, serial ports (2), VGA feature connector, VGA port, riser slot, USB connectors (2), line out, microphone in, audio in – CD-ROM
ZIDA TECHNOLOGIES, INC.
Pentium Pro
6DXP (VER. 1.00)
32-bit PCI slots (5), floppy drive interface, green PC connector, IDE interfaces (2), parallel port, PS/2 mouse port, serial ports (2), IR connector, USB connectors (2), ATX power connector