COMPEX, INC.
FREEDOMLINE FL32PNP-PCI (2MEDIA)
|
Card Type |
Network Interface Card |
|
NIC Type |
Ethernet |
|
Maximum Onboard Memory |
Unidentified |
|
Boot ROM |
Available |
|
Network Transfer Rate |
10Mbps |
|
Topology |
Linear Bus, Star |
|
Wiring Type |
Unshielded twisted pair RG-58A/U 50ohm coaxial |
|
Data Bus |
32-bit PCI |
|
CONNECTIONS | |||
|
Function |
Label |
Function |
Label |
|
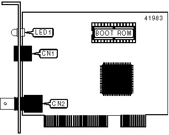
UTP connector |
CN1 |
RG-58A/U |
CN2 |
|
DIAGNOSTIC LED(S) |
|
Note: Function of LED is unidentified. |