KATRON TECHNOLOGIES, INC.
ET16/P-S2
|
Card Type |
Network Interface Card |
|
NIC Type |
Ethernet |
|
Maximum Onboard Memory |
16 Kb |
|
Boot ROM |
Available |
|
Network Transfer Rate |
10Mbps |
|
Topology |
Linear Bus, Star |
|
Wiring Type |
Unshielded twisted pair AUI transceiver via DB-15 port RG-58A/U 50ohm coaxial |
|
Data Bus |
8-bit ISA/16-bit ISA |
|
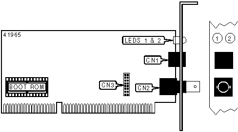
CONNECTIONS | |||
|
Function |
Label |
Function |
Label |
|
UTP connector |
CN1 |
AUI bracket connector |
CN3 |
|
RG-58A/U |
CN2 | ||
|
DIAGNOSTIC LED(S) | |||
|
LED |
Color |
Status |
Condition |
|
LED1 |
Green |
On |
UTP link is good |
|
LED1 |
Green |
Off |
UTP link is broken |
|
LED2 |
Yellow |
Blinking |
Network data is being transmitted/received |
|
LED2 |
Yellow |
Off |
No data is being transmitted/received |
|
LED2 |
Yellow |
On |
Adapter failure |