3COM CORPORATION
IMPACT (3C870, 3C875)
|
Card Type |
ISDN TA |
|
Chipset |
Unidentified |
|
Error Correction/Compression |
STAC |
|
ISDN Transfer Rate |
56Kbps x 2/64Kbps x 2 |
|
ISDN Protocol |
V.120, PPP |
|
Switch Type |
5ESS, DMS100, EWSD, NI-1 |
|
Data Bus |
Serial |

|
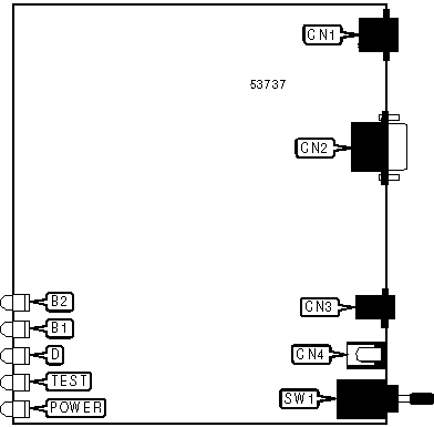
CONNECTIONS | ||||||
|
Function |
Label |
Function |
Label | |||
|
ISDN interface |
CN1 |
DC power in |
CN4 | |||
|
Serial port |
CN2 |
Power switch |
SW1 | |||
|
Analog adapter |
CN3 | |||||
|
DIAGNOSTIC LED(S) | |||
|
LED |
Color |
Status |
Condition |
|
B2 |
Green |
On |
Data call connected on B2 channel |
|
B2 |
Yellow |
On |
Voice call connected on B2 channel |
|
B2 |
Green |
Blinking |
TA is dialing data call on B2 channel |
|
B2 |
Yellow |
Blinking |
TA is dialing voice call on B2 channel |
|
B2 |
N/A |
Off |
B2 channel is not connected |
|
B1 |
Green |
On |
Data call connected on B1 channel |
|
B1 |
Yellow |
On |
Voice call connected on B1 channel |
|
B1 |
Green |
Blinking |
TA is dialing data call on B1 channel |
|
B1 |
Yellow |
Blinking |
TA is dialing voice call on B1 channel |
|
B1 |
N/A |
Off |
B1 channel is not connected |
|
DIAGNOSTIC LED(S) (CON'T) | |||
|
LED |
Color |
Status |
Condition |
|
D |
Yellow |
On |
Signal is not synchronized or ISDN line is not connected |
|
D |
Yellow |
Blinking |
Signal is synchronized but D-channel protocols not established |
|
D |
Yellow |
Off |
Signal is synchronized |
|
TEST |
Yellow |
On |
TA failed last test |
|
TEST |
Yellow |
Blinking |
TA is executing test |
|
TEST |
Yellow |
Off |
TA is not executing test |
|
POWER |
Yellow |
On |
Power is on |
|
POWER |
Yellow |
Off |
Power is off |
|
SUPPORTED STANDARD COMMANDS |
|
Basic AT Commands |
|
+++, A/ |
|
A, D, E, H, O, V, Z |
|
&D, &F, &W |
|
Extended AT Commands |
|
\Q, \T |
|
S-Registers |
|
S0 |
Note: See MHI help file for complete information. |
|
UNIDENTIFIED COMMANDS | |
|
Command |
Default |
|
S63 |
Unidentified |
|
S64 |
Unidentified |
Proprietary AT Command Set
|
CALL TYPE | |
|
Type: |
Register |
|
Format: |
AT [cmds] S61=n [cmds] |
|
Description: |
Selects the type of call the TA will make. |
|
Command |
Function |
|
í S61=0 |
TA will dial according to dial modifiers. |
|
S61=1 |
TA will place Switched 56 call. |
|
S61=2 |
TA will place ISDN call. |
|
S61=3 |
TA will place modem call. |
|
S61=4 |
TA will place voice call. |
|
S61=5 |
TA will use third-party call control. |
See 3COM CORPORATION IMPACT (3C871) for a full command summary.