3COM CORPORATION

PASSWORD MODEM

Modem Type

Data (synchronous/asynchronous)

Maximum Data Rate

1200bps

Data Bus

External

Data Modulation Protocol

Bell 103A/212A

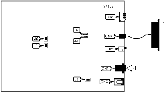
CONNECTIONS

Purpose

Location

Purpose

Location

Line in

CN1

RS-232/422

CN3

DC power

CN2

Power switch

SW2

MULTILINE PHONE INSTALLATION

Setting

J1

» Single line

Off

Multiline

On

CHARACTER LENGTH

Setting

J2

» 10-bit

Off

11-bit

On

TRANSMIT AND RECEIVE SIGNAL

Setting

J3

J4

» Normal pin assignment

Pins 1 & 2 closed

Pins 1 & 2 closed

Tx/Rx pins reversed

Pins 2 & 3 closed

Pins 2 & 3 closed

ANLOG LOOPBACK TEST MODE

Setting

J5

» On

Normal operation

Off

Analog loopback mode

AUTO ANSWER

Setting

SW1/1

» Off

Modem answers on first ring

On

Modem does not answer on first ring

CARRIER DETECT

Setting

SW1/2

» Off

CD normal

On

CD forced high

PBX MODE

Setting

SW1/3

» Off

Normal dial up line equalization

On

PBX operation

DTR SIGNAL

Setting

SW1/4

» Off

DTR normal

On

DTR forced high