MOTOROLA, INC.
MODEMSURFR 28800 INTERNAL
|
Card Type |
Modem (asynchronous)/Fax |
|
Chip Set |
Unidentified |
|
Maximum Data Rate |
28.8Kbps |
|
Maximum Fax Rate |
14.4Kbps |
|
Data Bus |
8-bit ISA |
|
Fax Class |
Class I & II |
|
Data Modulation Protocol |
Bell 103A/212A ITU-T V.21, V.22, V.22bis, V.23, V.32, V.32bis, V.34 |
|
Fax Modulation Protocol |
ITU-T V.17, V.21CH2, V.27ter, V.29 |
|
Error Correction/Compression |
MNP5, V.42, V.42bis |

|
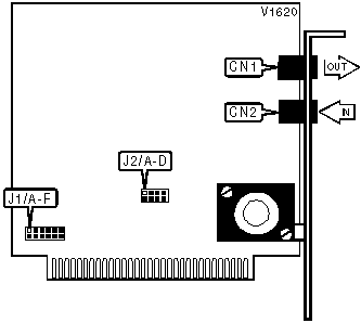
CONNECTIONS | ||||||
|
Function |
Label |
Function |
Label | |||
|
Line out |
CN1 |
Line in |
CN2 | |||
|
SERIAL PORT ADDRESS | ||
|
Setting |
J1/A |
J1/B |
|
COM1 (3F8h) |
Closed |
Closed |
|
COM2 (2F8h) |
Closed |
Open |
|
í COM3 (3E8h) |
Open |
Closed |
|
COM4 (2E8h) |
Open |
Open |
|
INTERRUPT | ||||
|
Setting |
J1/C |
J1/D |
J1/E |
J1/F |
|
2 |
Closed |
Open |
Open |
Open |
|
3 |
Open |
Open |
Closed |
Open |
|
4 |
Open |
Open |
Open |
Closed |
|
í 5 |
Open |
Closed |
Open |
Open |
|
PLUG AND PLAY | ||||
|
Setting |
J2/A |
J2/B |
J2/C |
J2/D |
|
í Disabled |
Closed |
Closed |
Open |
Open |
|
Enabled |
Open |
Open |
Closed |
Closed |
Proprietary AT Command Set
|
AUTO-RELIABLE FALLBACK CHARACTER | |
|
Type: |
Configuration |
|
Format: |
AT [cmds] %An [cmds] |
|
Default: |
Unidentified |
|
Range: |
1-127 |
|
Unit: |
ASCII |
|
Description: |
Sets the character used as the auto-reliable fallback character |
|
Note: %A0 Auto-reliable fallback character disabled | |
|
AUTO-RELIABLE TIME BUFFER CONFIGURATION | |
|
Type: |
Configuration |
|
Format: |
AT [cmds] \Cn [cmds] |
|
Description: |
Controls the handling of incoming data during auto-reliable time period |
|
Command |
Function |
|
í \CO |
Disabled auto-reliable buffer |
|
\C1 |
Data is buffered for 4 seconds or 200 characters |
|
\C2 |
Switch to normal mode and sends auto-reliable character to serial port |
|
AUTO FALL FORWARD/FALLBACK | |
|
Type: |
Configuration |
|
Format: |
AT [cmds] %Gn [cmds] |
|
Description: |
Selects auto fallback/fall forward |
|
Command |
Function |
|
í %G0 |
Fallback/fall forward disabled |
|
%G1 |
Fallback/fall forward enabled |
|
AUTO FALLBACK CHARACTER | |
|
Type: |
Register |
|
Format: |
AT [cmds] S43=n [cmds] |
|
Default: |
13 |
|
Range: |
0-127 |
|
Unit: |
ASCII |
|
Description: |
Set auto fallback character during MNP negotiation |
|
Note: S43=0 disabled S43=(1-127) enabled | |
|
COMPRESSION | |
|
Type: |
Configuration |
|
Format: |
AT [cmds] %Cn [cmds] |
|
Description: |
Selects data compression |
|
Command |
Function |
|
%C0 |
Data compression disabled |
|
í %C1 |
Data compression enabled |
|
CONNECT MODE | |
|
Type: |
Configuration |
|
Format: |
AT [cmds] \Nn [cmds] |
|
Description: |
Sets connect mode |
|
Command |
Function |
|
\N0 |
Normal mode enabled |
|
\N1 |
Direct mode enabled |
|
\N2 |
MNP reliable mode enabled |
|
í \N3 |
LAPM, MNP, or normal mode enabled |
|
\N4 |
LAPM or MNP mode enabled |
|
DISPLAY CONNECT MESSAGE | |
|
Type |
Register |
|
Format |
AT [cmds] S41? [cmds] |
|
Description |
Displays connect message |
|
Command |
Function |
|
í S41=0 |
CONNECT/DTE to modem speed enabled |
|
S41=1 |
CONNECT/carrier, protocol, and compression enabled |
|
S41=2 |
CONNECT/modem to modem speed enabled |
|
FLOW CONTROL | |
|
Type: |
Configuration |
|
Format: |
AT [cmds] \Gn [cmds] |
|
Description: |
Selects modem port flow control |
|
Command |
Function |
|
í \G0 |
Flow control disabled |
|
\G1 |
Flow control enabled |
|
FLOW CONTROL TYPE | |
|
Type: |
Configuration |
|
Format: |
AT [cmds] \Qn [cmds] |
|
Description: |
Sets type of flow control used by modem |
|
Command |
Function |
|
\Q0 |
Flow control disabled |
|
\Q1 |
XON/XOFF flow control enabled |
|
\Q2 |
CTS flow control by DTE enabled |
|
í \Q3 |
CTS/RTS flow control enabled |
|
INACTIVITY TIMER | |
|
Type: |
Configuration |
|
Format: |
AT [cmds] \Tn [cmds] |
|
Default: |
0 |
|
Range: |
0-90 |
|
Unit: |
1 minute |
|
Description: |
Sets the length of time that the modem does not receive information before it disconnects |
|
LOCK SERIAL PORT | |
|
Type: |
Configuration |
|
Format: |
AT [cmds] \Jn [cmds] |
|
Description: |
Sets operation of serial port speed |
|
Command |
Function |
|
í \J0 |
Serial speed locked |
|
\J1 |
Serial speed follows connect speed |
|
MAXIMUM BLOCK SIZE FOR TRANSMISSION | |
|
Type: |
Configuration |
|
Format: |
AT [cmds] \An [cmds] |
|
Description: |
Sets the maximum transmittable block size |
|
Command |
Function |
|
\A0 |
MNP block size is 64 characters |
|
\A1 |
MNP block size is 128 characters |
|
\A2 |
MNP block size is 192 characters |
|
í \A3 |
MNP block size is 256 characters |
|
EXTENDED RESULT CODES | |
|
Type: |
Configuration |
|
Format: |
AT [cmds] \Vn [cmds] |
|
Description: |
Selects extended result codes |
|
Command |
Function |
|
í \V0 |
Extended result codes disabled |
|
\V1 |
Extended result codes enabled |
|
V.32 RETRAIN | |
|
Type: |
Register |
|
Format: |
AT [cmds] S42=n [cmds] |
|
Description: |
Selects action the modem will take during bad line quality on V.32/32bis connection |
|
Command |
Function |
|
S42=0 |
Auto-retrain disabled, hang up |
|
í S42=1 |
Auto-retrain on line quality problem enabled |
|
S42=2 |
Modem ignores line quality problems |
|
S42=3 |
Unidentified |
|
V.42 DETECTION PHASE | |
|
Type: |
Configuration |
|
Format: |
AT [cmds] -Jn [cmds] |
|
Description: |
Controls V.42 detection |
|
Command |
Function |
|
-J0 |
V.42 detection disabled |
|
í -J1 |
V.42 detection enabled |
|
V.42bis COMPRESSION CONTROL | |
|
Type: |
Configuration |
|
Format: |
AT [cmds] "Hn [cmds] |
|
Description: |
Controls V.42bis data compression |
|
Command |
Function |
|
"H0 |
V.42bis disabled |
|
"H1 |
V.42bis when transmitting enabled |
|
"H2 |
V.42bis when receiving enabled |
|
í "H3 |
V.42bis when transmitting/receiving enabled |
|
XON/XOFF PASS-THROUGH | |
|
Type: |
Configuration |
|
Format: |
AT [cmds] \Xn [cmds] |
|
Description: |
Selects whether XON/XOFF signals are sent to remote modem |
|
Command |
Function |
|
í \X0 |
XON/XOFF signals trapped by local modem |
|
\X1 |
XON/XOFF passed through local modem |