MOTOROLA, INC.
6520/6560 MPROUTER SERVICE MODEM
|
Card Type |
Modem (asynchronous) |
|
Chip Set |
Unidentified |
|
I/O Options |
Unidentified |
|
Maximum Data Rate |
2400bps |
|
Data Bus |
8-bit ISA |
|
Data Modulation Protocol |
V.22bis |

|
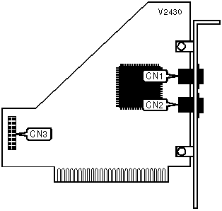
CONNECTIONS | ||||||
|
Function |
Label |
Function |
Label | |||
|
Line out |
CN1 |
Unidentified |
CN3 | |||
|
Line in |
CN2 | |||||
|
MISCELLANEOUS TECHNICAL NOTE |
|
This card is designed for use in Motorola’s 6520/6560 MPRouter system and will not function in another system. See documents M3596 and M3597 for more information. |