PRACTICAL PERIPHERALS, INC.
PC288HC V.FC
|
Card Type |
Fax, Modem (asynchronous) |
|
Chip Set |
Unidentified |
|
Maximum Data Rate |
28.8Kbps |
|
Maximum Fax Rate |
14.4Kbps |
|
Data Bus |
8-bit ISA |
|
Fax Class |
Class I & II |
|
Data Modulation Protocol |
Bell 103/212A ITU-T V.21, V.22, V.22bis, V.23, V.32, V.32bis, V.34 Rockwell V.FC |
|
Fax Modulation Protocol |
ITU-T V.17, V.21CH2, V.27ter, V.29 |
|
Error Correction/Compression |
MNP5, V.42bis |

|
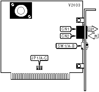
CONNECTIONS | ||||||
|
Function |
Label |
Function |
Label | |||
|
Line out |
CN1 |
Line in |
CN2 | |||
|
SERIAL PORT ADDRESS | ||
|
Setting |
SW1/A |
SW1/B |
|
COM1 (3F8h) |
On |
On |
|
í COM2 (2F8h) |
On |
Off |
|
COM3 (3E8h) |
Off |
On |
|
COM4 (2E8h) |
Off |
Off |
|
INTERRUPT | |||
|
Setting |
JP1/A |
JP1/B |
JP1/C |
|
2 |
Open |
Closed |
Open |
|
í 3 |
Closed |
Open |
Open |
|
4 |
Closed |
Open |
Open |
|
5 |
Open |
Open |
Closed |
Proprietary AT Command Set
|
SLEEP TIMER | |
|
Type: |
Register |
|
Format |
AT [cmds] S24=n [cmds] |
|
Default: |
0 |
|
Range: |
0-255 |
|
Unit: |
1 second |
|
Description: |
Maximum duration of DTE and DCE inactivity allowed prior to initiating low-power sleep mode. |
|
Note: |
ATS24=0 will disable timer |
|
INACTIVITY TIMER | |
|
Type: |
Register |
|
Format |
AT [cmds] S30=n [cmds] |
|
Default: |
0 |
|
Range: |
0-255 |
|
Unit: |
10 seconds |
|
Description: |
Maximum duration of DTE and DCE inactivity allowed prior to initiating hang-up process. |
|
Note: |
ATS30=0 will disable timer |
|
DIAL | |
|
Type: |
Immediate |
|
Format: |
AT [cmds] D<#> [cmds] |
|
Description: |
Dials telephone number according to any modifiers included in the string |
|
Note: |
Any combination of modifiers can be used to produce the desired dial functions in sequence. |
|
Modifier |
Function |
|
L |
Re-dial last number |
|
P |
Pulse dialing enabled |
|
R |
Answer mode enabled, originate mode disabled following handshake initiation |
|
S=n |
Dial stored telephone number n |
|
T |
Tone dialing enabled |
|
W |
Dialing resumed following dial tone detection |
|
, |
Dialing paused for amount of time specified in S8 register |
|
" |
Letters enclosed in quotes are interpreted as numbers according to the telephone keypad |
|
! |
Modem commanded to go off-hook for specified time before returning on-hook |
|
@ |
Wait for quiet answer |
|
$ |
Waits for prompt tone for amount of time specified by the S7 register |
|
; |
Modem returned to command state after dialing |
|
REPORT INFORMATION | |
|
Type: |
Immediate |
|
Format: |
AT [cmds] In [cmds] |
|
Description: |
Displays information requested |
|
Command |
Function |
|
I0 |
Reports product code |
|
I1 |
Reports ROM checksum |
|
I2 |
Tests and reports ROM checksum |
|
I3 |
Reports firmware revision |
|
I4 |
Returns numbers in bit-map format on software capabilities of the modem |
|
I6 |
Reports data connection information |
|
HELP SCREENS | |
|
Type: |
Immediate |
|
Format: |
AT [cmds] $H [cmds] |
|
Description: |
Display help screens. To page forward use <space bar>, and to exit use <ESC> |
|
COMPRESSION | |
|
Type: |
Configuration |
|
Format: |
AT [cmds] %Cn [cmds] |
|
Description: |
Selects data compression |
|
Command |
Function |
|
%C0 |
Data compression disabled |
|
%C1 |
MNP5 enabled |
|
%C2 |
V.42bis enabled |
|
í %C3 |
MNP5 and V.42bis enabled |
|
CLOCK DOUBLER | ||
|
Type: |
Configuration | |
|
Format: |
AT [cmds] %BAUDn [cmds] | |
|
Description: |
Controls clock doubler at the UART | |
|
Command |
Function | |
|
%BAUD? |
Reports current clock doubler setting | |
|
%BAUD=? |
Reports available clock doubler modes | |
|
%BAUD0 |
Standard UART speed / clock doubler disabled | |
|
%BAUD1 |
Double specified UART speed clock doubler enabled | |
|
CALLER ID | |
|
Type: |
Configuration |
|
Format: |
AT [cmds] %CCID=n [cmds] |
|
Description: |
Controls the Caller ID function |
|
Command |
Function |
|
%CCID=0 |
Caller ID disabled |
|
%CCID=1 |
Caller ID displays formatted data |
|
%CCID=2 |
Caller ID displays raw hexadecimal data |
|
DUMB MODE | ||
|
Type: |
Configuration | |
|
Format: |
AT [cmds] %DUMBn [cmds] | |
|
Description: |
Controls command recognition and result codes, dumb mode | |
|
Command |
Function | |
|
í %DUMB0 |
Dumb mode disabled | |
|
%DUMB1 |
Dumb mode enabled | |
|
AUTO-RETRAIN - AUTO-FALLBACK/FALL-FORWARD | |
|
Type: |
Configuration |
|
Format: |
AT [cmds] %En [cmds] |
|
Description: |
Controls auto-retrain mode and fallback/fall-forward |
|
Command |
Function |
|
í %E0 |
Auto-retrain disabled |
|
%E1 |
Auto-retrain enabled |
|
%E2 |
Auto-fallback/fall-forward enabled |
|
LINE SIGNAL LEVEL | |
|
Type: |
Immediate |
|
Format: |
AT [cmds] %L [cmds] |
|
Description: |
Returns a value which indicates the received line signal level |
|
LINE SIGNAL QUALITY | |
|
Type: |
Immediate |
|
Format: |
AT [cmds] %Q [cmds] |
|
Description: |
Returns a value which indicates line signal quality (-dBm) |
|
MAXIMUM BLOCK SIZE FOR TRANSMISSION | |
|
Type: |
Configuration |
|
Format: |
AT [cmds] \An [cmds] |
|
Description: |
Sets the maximum transmittable block size |
|
Command |
Function |
|
\A0 |
MNP block size is 64 characters |
|
í \A1 |
MNP block size is 128 characters |
|
\A2 |
MNP block size is 192 characters |
|
\A3 |
MNP block size is 256 characters |
|
BREAK SEND | |
|
Type: |
Configuration |
|
Format: |
AT [cmds] \Bn [cmds] |
|
Default: |
3 |
|
Range: |
1-9 |
|
Unit: |
.1 second |
|
Description: |
Sends break to modem |
|
AUTO-RELIABLE TIME BUFFER CONFIGURATION | |
|
Type: |
Configuration |
|
Format: |
AT [cmds] \Cn [cmds] |
|
Description: |
Controls the handling of incoming data during auto-reliable time period |
|
Command |
Function |
|
í \C0 |
Data is discarded |
|
\C1 |
Data is buffered |
|
\C2 |
Data is discarded; modem returns to normal mode on receiving auto-reliable fallback character. |
|
ECHO DATA | |
|
Type: |
Configuration |
|
Format: |
AT [cmds] \En [cmds] |
|
Description: |
Enables modem to echo received data |
|
Command |
Function |
|
\E0 |
Data echo disabled |
|
í \E1 |
Data echo enabled |
|
FLOW CONTROL | |
|
Type: |
Configuration |
|
Format: |
AT [cmds] \Gn [cmds] |
|
Description: |
Selects modem port flow control |
|
Command |
Function |
|
í \G0 |
Flow control disabled |
|
\G1 |
Flow control enabled |
|
LOCK SERIAL PORT | |
|
Type: |
Configuration |
|
Format: |
AT [cmds] \Jn [cmds] |
|
Description: |
Sets operation of serial port speed |
|
Command |
Function |
|
í \J0 |
Serial speed locked |
|
\J1 |
Serial speed follows connect speed |
|
BREAK TYPE | ||||
|
Type: |
Configuration | |||
|
Format: |
AT [cmds] \Kn [cmds] | |||
|
Description: |
Configures action of break signal | |||
|
Command |
Break from DTE |
Modem receives \B |
Break received from remote modem | |
|
\K0 |
Online command mode enabled, send no break to remote modem |
Break sent to remote modem and buffered cleared |
Buffers cleared, break sent to DTE | |
|
\K1 |
Break sent to remote modem and buffered cleared |
Break sent to remote modem and buffered cleared |
Buffers cleared, break sent to DTE | |
|
\K2 |
Online command mode enabled, send no break to remote modem |
Send break to remote modem immediately |
Break sent immediately to DTE | |
|
\K3 |
Send break to remote modem immediately |
Send break to remote modem immediately |
Break sent immediately to DTE | |
|
\K4 |
Online command mode enabled, send no break to remote modem |
Send break with transmitted data |
Break sent with received data to the DTE | |
|
í \K5 |
Send break with transmitted data |
Send break with transmitted data |
Break sent with received data to the DTE | |
|
MNP - STREAM/BLOCK MODE | |
|
Type: |
Configuration |
|
Format: |
AT [cmds] \Ln [cmds] |
|
Description: |
Selects the transfer mode for MNP link |
|
Command |
Function |
|
í \L0 |
Stream mode for MNP enabled |
|
\L1 |
Block mode for MNP enabled |
|
CONNECT MODE | |
|
Type: |
Configuration |
|
Format: |
AT [cmds] \Nn [cmds] |
|
Description: |
Controls the type of connection the modem will operate in |
|
Command |
Function |
|
\N0 |
Normal mode enabled |
|
\N1 |
Direct mode enabled |
|
\N2 |
Reliable mode enabled |
|
\N3 |
Auto-reliable mode enabled |
|
\N4 |
V.42 reliable mode enabled |
|
\N5 |
MNP reliable mode enabled |
|
FLOW CONTROL TYPE | |
|
Type: |
Configuration |
|
Format: |
AT [cmds] \Qn [cmds] |
|
Description: |
Sets type of flow control used by modem |
|
Command |
Function |
|
í \Q0 |
Flow control disabled |
|
\Q1 |
XON/XOFF flow control enabled |
|
\Q2 |
CTS flow control by DCE enabled |
|
\Q3 |
RTS/CTS flow control enabled |
|
CURRENT CONFIGURATION | |
|
Type: |
Immediate |
|
Format: |
AT [cmds] \S [cmds] |
|
Description: |
Displays current operating parameters |
|
INACTIVITY TIMER | |
|
Type: |
Configuration |
|
Format: |
AT [cmds] \Tn [cmds] |
|
Default: |
0 |
|
Range: |
0-90 |
|
Unit: |
1 minute |
|
Description: |
Sets the length of time that the modem does not receive information before it disconnects. |
|
Note: |
AT\T0 will disable timer |
|
EXTENDED RESULT CODES - MNP | |
|
Type: |
Configuration |
|
Format: |
AT [cmds] \Vn [cmds] |
|
Description: |
Selects extended result codes (MNP) |
|
Command |
Function |
|
\V0 |
Extended result codes disabled |
|
í \V1 |
Extended result codes enabled |
|
XON/XOFF PASS-THROUGH | |
|
Type: |
Configuration |
|
Format: |
AT [cmds] \Xn [cmds] |
|
Description: |
Selects whether XON/XOFF signals are sent to remote modem |
|
Command |
Function |
|
í \X0 |
XON/XOFF signals trapped by local modem |
|
\X1 |
XON/XOFF passed through local modem |