RACAL-DATACOM
RMD 3222
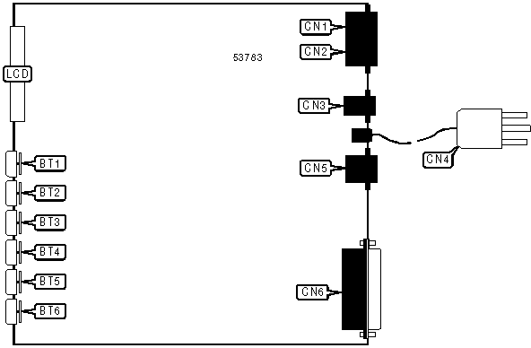
|
Card Type |
Modem (synchronous/asynchronous) |
|
Chipset |
Unidentified |
|
Maximum Data Rate |
14.4Kbps |
|
Data Modulation |
Bell 103A, 208, 212A ITU-T V.21, V.22, V.22bis, V.23, V.32, V.32bis, V.33 |
|
Error Correction/Compression |
MNP5, V.42, V.42bis |
|
Data Bus |
Serial |

|
CONNECTIONS | |||
|
Function |
Label |
Function |
Label |
|
PREVIOUS button |
BT1 |
Leased telephone line out |
CN2 |
|
1 button |
BT2 |
Switched telephone line out |
CN3 |
|
2 button |
BT3 |
AC power in |
CN4 |
|
3 button |
BT4 |
Diagnostic connector |
CN5 |
|
NEXT button |
BT5 |
Serial port |
CN6 |
|
ENTER button |
BT6 |
LCD display |
LCD |
|
Telephone line in |
CN1 | ||
|
MISCELLANEOUS TECHNICAL NOTES |
There are several jumpers on this board. Their exact locations and functions are unidentified. |
|
SUPPORTED STANDARD COMMANDS |
|
Basic AT Commands |
|
+++, ‘comma’, A/ |
|
A, B, E, H, L, M, N, O, P, T, V, X, Y, Z |
|
&C, &D, &F, &G, &K, &M, &Q, &S, &T, &W, &Y, &Z |
|
Extended AT Commands |
|
\T, \V, \X |
|
S-Registers |
|
S0, S1, S2, S3, S4, S5, S6, S7, S8, S9, S10, S11, S12, S18, S25, S26 |
|
V.25bis Commands |
|
CIC, CRN, CRS, DIC, PRN |
Note: See MHI help file for complete information. |
|
UNIDENTIFIED COMMANDS | |
|
Command |
Default |
Proprietary AT Command Set
|
BREAK TYPE | |
|
Type: |
Configuration |
|
Format: |
AT [cmds] \Kn [cmds] |
|
Description: |
Configures the modem's reaction to receiving a break signal. |
|
Command |
Function |
|
\K0 |
Modem ignores received break signal. |
|
\K1 |
Buffers are cleared, break is transmitted immediately. |
|
\K2 |
Buffers are not cleared, break is transmitted immediately. |
|
í \K3 |
Buffers are not cleared, break is transmitted in sequence with data. |
|
CARRIAGE RETURN DELAY | |
|
Type: |
Configuration |
|
Format: |
AT [cmds] \Fn [cmds] |
|
Description: |
Selects whether the modem will insert a delay the length of five characters after sending any character that would cause a printer or teletype's carriage to return. |
|
Command |
Function |
|
\F0 |
Carriage return delay enabled. |
|
í \F1 |
Carriage return delay disabled. |
|
CONNECT MODE | |
|
Type: |
Configuration |
|
Format: |
AT [cmds] \Nn [cmds] |
|
Description: |
Controls the type of connection the modem will make. |
|
Command |
Function |
|
\N0 |
Normal mode enabled. |
|
\N1 |
Reliable mode enabled. |
|
\N2 |
Normal mode enabled. |
|
í \N3 |
Auto-reliable mode enabled. |
|
CTS AND RTS SIGNALS | |
|
Type: |
Configuration |
|
Format: |
AT [cmds] &Rn [cmds] |
|
Description: |
Controls the behaviour of the CTS and RTS signals. |
|
Command |
Function |
|
í &R0 |
CTS follows RTS. |
|
&R1 |
CTS follows DTR. |
|
&R2 |
CTS normal. |
|
DIAL | |
|
Type: |
Immediate |
|
Format: |
AT [cmds] D <#>;[cmds] |
|
Description: |
Dials the telephone number indicated according to any modifiers included in the string. |
|
Command |
Function |
|
DLn |
If connection is not successful, modem will dial the number stored in memory location n. |
|
DP |
Pulse dialing enabled. |
|
DR |
Answer mode enabled; originate mode disabled following handshake initiation. This must be the last modifier except for a semicolon. |
|
DS=n |
Dial stored telephone number n. |
|
DT |
Tone dialing enabled. |
|
DW |
Dialing resumed following dial tone detection. |
|
D, |
Dialing paused for amount of time specified in S8 register. |
|
D! |
Flash function initiated. Modem commanded to go off-hook for specified time before returning on-hook. |
|
D@ |
Wait for Quiet Answer function enabled. Modem waits until a "quiet answer," a ring-back signal followed by silence up to the time specified in S7, is received prior to executing the rest of the dial string. |
|
D; |
Modem returned to idle state after dialing. The semicolon can only be placed at the end of the dial command. |
|
DISPLAY CONFIGURATION | |
|
Type: |
Immediate |
|
Format: |
AT [cmds] &Vn [cmds] |
|
Description: |
Displays the indicated part of the modem's configuration. |
|
Command |
Function |
|
&V0 |
Displays the command settings, stored profiles, and stored telephone numbers 0 through 5. |
|
&V1 |
Displays all stored telephone numbers. |
|
DISPLAY CONFIGURATION - MNP | |
|
Type: |
Immediate |
|
Format: |
AT [cmds] \S [cmds] |
|
Description: |
Displays the settings of the modem's MNP-related commands. |
|
DISPLAY INFORMATION | |
|
Type: |
Immediate |
|
Format: |
AT [cmds] In [cmds] |
|
Description: |
Displays information requested about the modem. |
|
Command |
Function |
|
I0 |
Displays product identification code. |
|
I1 |
Displays ROM checksum. |
|
I2 |
Tests and displays ROM checksum result. |
|
I3 |
Displays firmware revision. |
|
ERROR CORRECTION TYPE | |
|
Type: |
Configuration |
|
Format: |
AT [cmds] \Pn [cmds] |
|
Description: |
Selects which types of error correction the modem will attempt to use. |
|
Command |
Function |
|
\P0 |
Modem will use V.42 error correction only. |
|
\P1 |
Modem will use MNP error correction only. |
|
í \P2 |
Modem will use V.42 or MNP error correction. |
|
FLOW CONTROL | |
|
Type: |
Configuration |
|
Format: |
AT [cmds] \Qm,n [cmds] |
|
Description: |
Selects the type or types of flow control the modem will use. |
|
Note: |
Two types of flow control may be active at any time. There is no difference between the values of m and n. |
|
Command |
Function |
|
\Q0 |
Flow control disabled. |
|
\Q1 |
CTS/RTS flow control enabled. |
|
\Q2 |
DC1/DC2 flow control enabled. |
|
í \Q3 |
DC1/DC3 flow control enabled. |
|
LOCK SERIAL PORT | |
|
Type: |
Configuration |
|
Format: |
AT [cmds] \Bn [cmds] |
|
Description: |
Sets operation of serial port speed. |
|
Command |
Function |
|
\B0 |
Serial port speed follows connect speed. |
|
í \B1 |
Serial port speed locked. |
|
MNP MODE | |
|
Type: |
Configuration |
|
Format: |
AT [cmds] \Cn [cmds] |
|
Description: |
Selects which classes of MNP the modem will attempt to use. |
|
Command |
Function |
|
\C1 |
Modem may use MNP class 1 only. |
|
\C2 |
Modem may use MNP class 2 or 1. |
|
\C3 |
Modem may use MNP class 3 and below. |
|
\C4 |
Modem may use MNP class 4 and below. |
|
í \C5 |
Modem may use all MNP classes (5 and below). |
|
PROTOCOL/SPEED | |
|
Type: |
Configuration |
|
Format: |
AT [cmds] Fn [cmds] |
|
Description: |
Selects the modulation protocol and line speed the modem will attempt to connect with. |
|
Command |
Function |
|
í F0 |
Auto-detect fastest common protocol. |
|
F1 |
Attempt to connect with V.21 at 300bps. |
|
F2 |
Attempt to connect with V.22 at 600bps. |
|
F3 |
Attempt to connect with V.23 at 1200/75bps. |
|
F4 |
Attempt to connect with V.22 at 1200bps. |
|
F5 |
Attempt to connect with V.22bis at 2400bps. |
|
F6 |
Attempt to connect with V.32 at 9600bps. |
|
F7 |
Attempt to connect with V.32 at 14.4Kbps. |
|
RESULT CODE - DIALING | |
|
Type: |
Configuration |
|
Format: |
AT [cmds] \Dn [cmds] |
|
Description: |
Selects whether the modem will display DIALING when it goes off hook to dial a telephone number. |
|
Command |
Function |
|
í \D0 |
DIALING result code disabled. |
|
\D1 |
DIALING result code enabled. |
|
RESULT CODES | |
|
Type: |
Configuration |
|
Format: |
AT [cmds] Qn [cmds] |
|
Description: |
Enables modem to send result codes to the DTE. |
|
Command |
Function |
|
í Q0 |
Result codes enabled. |
|
Q1 |
Result codes disabled. |
|
Q2 |
Result codes enabled in originate mode only. |
|
V.42bis MODE | |
|
Type: |
Configuration |
|
Format: |
AT [cmds] \Mn [cmds] |
|
Description: |
Selects whether the modem will attempt to connect with V.42bis data compression. |
|
Command |
Function |
|
í \M0 |
V.42bis data compression enabled. |
|
\M1 |
V.42bis data compression disabled. |
Proprietary V.25bis Command Set
|
COMMAND SET - AT | |
|
Type: |
Immediate |
|
Format: |
RHA |
|
Description: |
Resets the modem to AT command mode. |
|
REQUEST LISTED NUMBERS | |
|
Type: |
Immediate |
|
Format: |
RLN |
|
Description: |
Requests the modem to return the list of stored numbers. |