SUPRA DIAMOND
SUPRAFAX MODEM 288
|
Card Type |
Fax, Modem (synchronous/asynchronous) |
|
Chip Set |
Rockwell |
|
Maximum Data Rate |
28.8Kbps |
|
Maximum Fax Rate |
14.4Kbps |
|
Data Bus |
External |
|
Fax Class |
Class I & II |
|
Data Modulation Protocol |
Bell 103/212A ITU-T V.21, V.22bis, V.23, V.32, V.32bis, V.34 Rockwell V.FC |
|
Fax Modulation Protocol |
ITU-T V.17, V.21, V.21CH2, V.27ter, V.29 |
|
Error Correction/Compression |
MNP5, MNP10, V.42, V.42bis |

|
CONNECTIONS | ||||||
|
Function |
Label |
Function |
Label | |||
|
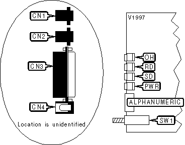
Line out |
CN1 |
DC power |
CN4 | |||
|
Line in |
CN2 |
Power switch |
SW1 | |||
|
RS-232/422 |
CN3 | |||||
|
DIAGNOSTIC LED(S) | |||
|
LED |
Color |
Status |
Condition |
|
OH |
Red |
On |
Modem is off-hook |
|
OH |
Red |
Off |
Modem is on-hook |
|
RD |
Red |
On |
Modem is receiving data |
|
RD |
Red |
Off |
Modem is not receiving data |
|
SD |
Red |
On |
Modem is transmitting data |
|
SD |
Red |
Off |
Modem is not transmitting data |
|
PWR |
Red |
On |
Power is on |
|
PWR |
Red |
Off |
Power is off |
|
ALPH-NUMERIC DISPLAY | |
|
Display |
Condition |
|
OK |
Modem is ready |
|
AA |
Auto-answer enabled |
|
DI |
Modem dialing a number |
|
RI |
Phone is ringing |
|
CD |
Carrier signal detected and modem is connected |
|
LP |
LAPM error correction activated |
|
DC |
Data compression activated |
|
V34 |
V.34 (non-asymmetric) connection |
|
R34 |
Modem is receiving data. When a nn follows, this indicates the receive speed. |
|
T34 |
Modem is transmitting data. When a nn follows, this indicates the transmit speed. |
|
VF |
Modem is connected using V.FC protocol |
|
28 |
Modem connected at 28.8Kbps |
|
26 |
Modem connected at 26.4Kbps |
|
24 |
Modem connected at 24Kbps, if this number follows V34, T34 or R34 |
|
216 |
Modem connected at 21.6Kbps |
|
192 |
Modem connected at 19.2Kbps |
|
168 |
Modem connected at 16.8Kbps |
|
144 |
Modem connected at 14.4Kbps |
|
120 |
Modem connected at 12Kbps |
|
96 |
Modem connected at 9600bps |
|
48 |
Modem connected at 4800bps |
|
24 |
Modem connected at 2400bps, if this number doesn’t follows V34, T34 or R34 |
|
12 |
Modem connected at 1200bps |
|
3 |
Modem connected at 300bps |
|
RE |
Receive error, local modem asking to retransmit data |
|
TE |
Transmission error, remote modem asking to resend data |
|
RT |
Either modem has requested to retrain |
|
FX |
Modem is connected in FAX mode |
Proprietary AT Command Set
See document V1998 for a full command summary.