WISECOM, INC.
DATA/FAX MODEM 28.8 V.34
|
Card Type |
Fax, Modem (asynchronous) |
|
Chip Set |
Unidentified |
|
Maximum Data Rate |
28.8Kbps |
|
Maximum Fax Rate |
14.4Kbps |
|
Data Bus |
8-bit ISA |
|
Fax Class |
Class I & II |
|
Data Modulation Protocol |
Bell 103A/212A ITU-T V.21, V.22, V.22bis, V.32, V.32bis, V.34 Rockwell V.FC |
|
Fax Modulation Protocol |
ITU-T V.17, V.21CH2, V.27ter, V.29 |
|
Error Correction/Compression |
MNP5, V.42, V.42bis |

|
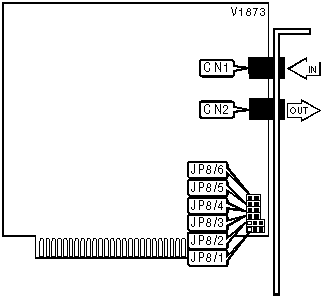
CONNECTIONS | ||||||
|
Function |
Label |
Function |
Label | |||
|
Line in |
CN1 |
Line out |
CN2 | |||
|
SERIAL PORT ADDRESS | ||
|
Setting |
JP8/1 |
JP8/2 |
|
COM1 (3F8h) |
Pins 1 & 2 closed |
Pins 1 & 2 closed |
|
COM2 (2F8h) |
Pins 2 & 3 closed |
Pins 1 & 2 closed |
|
COM3 (3E8h) |
Pins 1 & 2 closed |
Pins 2 & 3 closed |
|
í COM4 (2E8h) |
Pins 2 & 3 closed |
Pins 2 & 3 closed |
|
INTERRUPT | ||||
|
Setting |
JP8/3 |
JP8/4 |
JP8/5 |
JP8/6 |
|
2 |
Closed |
Open |
Open |
Open |
|
í 3 |
Open |
Closed |
Open |
Open |
|
4 |
Open |
Open |
Closed |
Open |
|
5 |
Open |
Open |
Open |
Closed |
Proprietary AT Command Set
|
AUTO-RETRAIN - FALLBACK/FALLFORWARD | |
|
Type: |
Configuration |
|
Format: |
AT [cmds] %En [cmds] |
|
Description: |
Controls auto-retrain mode and fallback/fall forward |
|
Command |
Function |
|
%E0 |
Auto-retrain disabled |
|
%E1 |
Auto-retrain enabled |
|
í %E2 |
Fallback/fall forward enabled |
|
BIT MAPPED REGISTERS | |
|
Register |
Default |
|
S14 |
Unidentified |
|
S16 |
0 |
|
S21 |
Unidentified |
|
S22 |
Unidentified |
|
S23 |
Unidentified |
|
S27 |
Unidentified |
|
S31 |
Unidentified |
|
S39 |
3 |
|
S40 |
105 |
|
S41 |
3 |
|
BREAK SEND | |
|
Type: |
Configuration |
|
Format: |
AT [cmds] \Bn [cmds] |
|
Default: |
3 |
|
Range: |
0-9 |
|
Unit: |
.1 second |
|
Description: |
Sends break to modem |
|
BREAK TYPE | |
|
Type |
Configuration |
|
Format |
AT [cmds] \Kn [cmds] |
|
Default |
5 |
|
Range |
0-5 |
|
Description |
Configures action of break signal |
|
COMPRESSION | |
|
Type: |
Configuration |
|
Format: |
AT [cmds] %Cn [cmds] |
|
Description: |
Selects data compression |
|
Command |
Function |
|
%C0 |
Data compression disabled |
|
%C1 |
MNP5 enabled |
|
%C2 |
V.42bis enabled |
|
í %C3 |
MNP5 and V.42bis enabled |
|
CONNECT MODE | |
|
Type: |
Configuration |
|
Format: |
AT [cmds] \Nn [cmds] |
|
Description: |
Sets connect mode |
|
Command |
Function |
|
\N0 |
Normal mode enabled |
|
\N1 |
Direct mode only enabled |
|
\N2 |
V.42 and MNP mode enabled |
|
í \N3 |
V.42, MNP, or Normal mode enabled |
|
\N4 |
V.42 mode only enabled |
|
\N5 |
MNP mode only enabled |
|
DISPLAYS LINE SIGNAL LEVEL | |
|
Type: |
Immediate |
|
Format: |
AT [cmds] %L [cmds] |
|
Description: |
Displays received line signal level |
|
DISPLAYS LINE SIGNAL QUALITY | |
|
Type: |
Immediate |
|
Format: |
AT [cmds] %Q [cmds] |
|
Description: |
Displays line signal quality |
|
FAX TRANSMIT LEVEL | |
|
Type: |
Register |
|
Format: |
AT [cmds] S92=n [cmds] |
|
Default: |
10 |
|
Range: |
0-15 |
|
Unit: |
-1dBm |
|
Description: |
Controls fax transmission level |
|
FLASH DIAL MODIFIER TIME | |
|
Type: |
Register |
|
Format |
AT [cmds] S29=n [cmds] |
|
Default: |
0 |
|
Range: |
0-255 |
|
Unit: |
.01 seconds |
|
Description: |
Time the modem will go on-hook upon receiving the ! dial modifier in dial string. |
|
FLOW CONTROL | |
|
Type: |
Configuration |
|
Format: |
AT [cmds] \Gn [cmds] |
|
Description: |
Selects modem port flow control |
|
Command |
Function |
|
í \G0 |
Flow control disabled |
|
\G1 |
Flow control enabled |
|
FLOW CONTROL CHARACTER - XOFF | |
|
Type: |
Register |
|
Format: |
AT [cmds] S33=n [cmds] |
|
Default: |
19 |
|
Range: |
0-255 |
|
Unit: |
ASCII |
|
Description: |
Sets the character used to represent XOFF |
|
FLOW CONTROL CHARACTER - XON | |
|
Type: |
Register |
|
Format: |
AT [cmds] S32=n [cmds] |
|
Default: |
17 |
|
Range: |
0-255 |
|
Unit: |
ASCII |
|
Description: |
Sets the character used to represent XON |
|
MAXIMUM BLOCK SIZE FOR TRANSMISSION | |
|
Type: |
Configuration |
|
Format: |
AT [cmds] \An [cmds] |
|
Description: |
Sets the maximum transmittable block size |
|
Command |
Function |
|
\A0 |
MNP block size is 64 characters |
|
\A1 |
MNP block size is 128 characters |
|
\A2 |
MNP block size is 192 characters |
|
í \A3 |
MNP block size is 256 characters |
|
MODULATION SELECTION | |
|
Type: |
Configuration |
|
Format: |
AT [cmds] +MS=xx,y,zzz,aaa [cmds] |
|
Description: |
Sets options for active protocol. The transfer rates specified by z and a must be valid for the protocol selected. |
|
Command |
Function |
|
x=0 |
V.21 |
|
x=1 |
V.22 |
|
x=2 |
V.22bis |
|
x=3 |
V.23 |
|
x=9 |
V.32 |
|
x=10 |
V.32bis |
|
í x=11 |
V.34 |
|
x=64 |
Bell 103A |
|
x=69 |
Bell 212A |
|
x=74 |
V.FC |
|
y =0 |
Automode disabled |
|
í y=1 |
Automode enabled with V.8 or V.32 |
|
z, a=300 |
Set minimum or maximum transfer rate at 300bps, respectively. |
|
z, a =1200 |
Set minimum or maximum transfer rate at 1200bps, respectively. |
|
z, a =2400 |
Set minimum or maximum transfer rate at 2400bps, respectively. |
|
z, a =4800 |
Set minimum or maximum transfer rate at 4800bps, respectively. |
|
z, a =7200 |
Set minimum or maximum transfer rate at 7200bps, respectively. |
|
z, a =9600 |
Set minimum or maximum transfer rate at 9600bps, respectively. |
|
z, a =12000 |
Set minimum or maximum transfer rate at 12000bps, respectively. |
|
z, a =14400 |
Set minimum or maximum transfer rate at 14400bps, respectively. |
|
z, a =16800 |
Set minimum or maximum transfer rate at 16800bps, respectively. |
|
z, a =19200 |
Set minimum or maximum transfer rate at 19200bps, respectively. |
|
z, a =21600 |
Set minimum or maximum transfer rate at 21600bps, respectively. |
|
z, a =24000 |
Set minimum or maximum transfer rate at 24000bps, respectively. |
|
z, a =26400 |
Set minimum or maximum transfer rate at 26400bps, respectively. |
|
z, a =28800 |
Set minimum or maximum transfer rate at 28800bps, respectively. |
|
MODULATION SELECTION DISPLAY | |
|
Type: |
Immediate |
|
Format: |
AT [cmds] +MS? [cmds] |
|
Description: |
Displays modulation, automode, minimum rate and maximum rate settings |
|
SLEEP TIMER | |
|
Type: |
Register |
|
Format |
AT [cmds] S24=n [cmds] |
|
Default: |
0 |
|
Range: |
0-255 |
|
Unit: |
1 second |
|
Description: |
Maximum duration of DTE and DCE inactivity allowed prior to initiating low-power sleep mode. |
|
TRANSMIT ATTENUATION LEVEL | |
|
Type: |
Register |
|
Format: |
AT [cmds] S91=n [cmds] |
|
Default: |
10 |
|
Range: |
0-15 |
|
Unit: |
-1dBm |
|
Description: |
Controls transmission attenuation level |