IMAGRAPH CORPORATION
V8 (VERSIONS A, B, C, D, & E)
|
Category |
Video |
|
Video Types Supported |
XVGA |
|
Video Processor |
Trident |
|
Highest Resolution Supported |
1280 x 1024 |
|
Data Bus Type |
16-bit ISA |
|
Memory Type |
VRAM |
|
Maximum Onboard Memory |
2048KB |
|
CONNECTIONS | |||
|
Purpose |
Location |
Purpose |
Location |
|
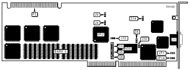
15-pin video port |
J1 |
Daughterboard connector |
P3 |
|
EMULATION TYPE CONFIGURATION | ||||
|
Type |
Address |
JP1 |
JP1A | |
| » |
VGA/EGA with High Resolution |
3DDh - 3DEh |
Pins 1 &2 closed |
Pins 1 &2 closed |
|
CGA with High Resolution |
3DDh - 3DEh |
Pins 2 & 3 closed |
Pins 2 & 3 closed | |
|
High resolution |
3DDh - 3DEh |
Pins 1 &2 closed |
Pins 2 & 3 closed | |
|
High resolution |
30Dh - 30Eh |
Pins 2 & 3 closed |
Pins 1 &2 closed | |
|
Note: Address setting 30Dh - 30Eh requires special device driver software for operation. | ||||
|
MONITOR CONNECTOR SENSE CONFIGURATION | |||
|
Setting |
J8 |
J9 | |
| » |
Disabled |
Pins 1 & 2 closed |
Pins 1 & 2 closed |
|
Enabled |
Pins 2 & 3 closed |
Pins 2 & 3 closed | |
|
Note: An optional microcode EPROM must be installed before Connector Sense can be enabled. | |||
|
VGA DAUGHTERBOARD CONFIGURATION | ||
|
Setting |
J12 | |
| » |
Not installed |
Pins 2 & 3 closed |
|
Installed |
Pins 1 & 2 closed | |
|
Note: This setting does not apply to versions B, C, D, or E. | ||
|
BIOS SIZE SELECTION | ||
|
Size |
J10 | |
| » |
32K (VGA) |
Pins 1 &2 closed |
|
16K (EGA) |
Pins 2 & 3 closed | |
|
Note: This setting does not apply to version B. | ||
|
VIDEO INTERRUPT SELECTION | ||
|
IRQ |
S3 | |
| » |
10 |
Pins 3 & 4 closed |
|
2/9 |
Pins 9 & 10 closed | |
|
11 |
Pins 5 & 6 closed | |
|
12 |
Pins 7 & 8 closed | |
|
Disabled |
Pins 1 & 2 closed | |
|
ALTERNATE I/O PORT ADDRESS SELECTION | ||
|
Address |
S6 | |
| » |
3xx |
Pins 2 & 3 closed |
|
1xx |
Pins 1 &2 closed | |
|
Note: This setting does not apply to versions B or C. | ||
|
DMA CHANNEL SELECTION | ||||
|
DRQ |
Dack |
S5 |
S8 | |
| » |
7 |
7 |
Pins 1 & 2 closed |
Pins 1 & 2 closed |
|
6 |
6 |
Pins 3 & 4 closed |
Pins 3 & 4 closed | |
|
5 |
5 |
Pins 5 & 6 closed |
Pins 5 & 6 closed | |
|
STRING I/O OPERATION CONFIGURATION | ||
|
Setting |
S14 | |
| » |
Disabled |
Pins 2 & 3 closed |
|
Enabled |
Pins 1 &2 closed | |
|
Note: This setting does not apply to version B. Microcode EPROM and device driver software must be installed before I/O string operations can be enabled. | ||