PROLINK COMPUTER, INC.

PV-CH7002

Card Type

Video Adapter Card

Chip Set

Unidentified

Maximum Video Memory

Unidentified

Video Type:

VGA

Highest Resolution Supported

800 x 600

Data Bus

8-bit ISA

Card Size

Half-length, half-height card

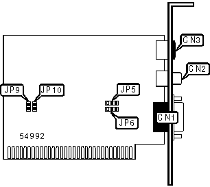
CONNECTIONS

Function

Label

Function

Label

15-pin analog video port

CN1

S-Video out

CN3

Composite out

CN2

   

I2C SOURCE SELECTION

Selection

JP5

JP6

I/O port

Pins 1 & 2 closed

Pins 1 & 2 closed

VGA port

Pins 2 & 3 closed

Pins 2 & 3 closed

BASE I/O ADDRESS SELECTION

Setting

JP9

JP10

150h

Closed

Closed

550h

Open

Closed

950h

Closed

Open

D50h

Open

Open